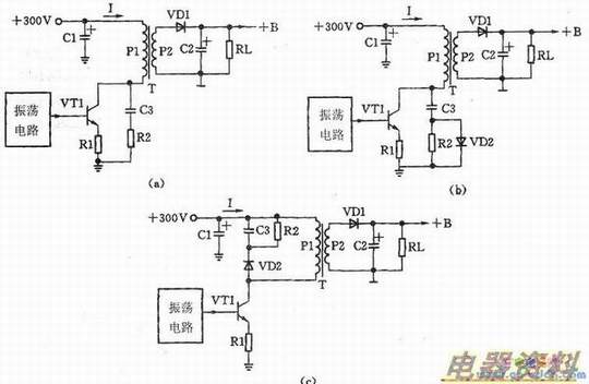
由于开关为元件,所以开关管VT1截止期间,其集电极上产生尖峰极高,容易导致VT1过压损坏,为此在中设置了尖峰脉冲吸收,如下图所示。下图(a)所示的尖峰脉冲吸收电路,当开关管VT1截止期间,其集电极上产生的反峰脉冲电压经C3、R2构成充电回路,将尖峰脉冲抑制在一定范围内,以免开关管VT1被过高的尖峰脉冲电压。由于Rl的阻值较小,所以C1经R1放电的时间较短,但降低了开关的效率。
下图(b)所示的尖峰脉冲吸收电路,与下图(a)的区别是:不仅加装了VD2,而且增大了R2的阻值。这样C3通过内阻较小的VD2充电来吸收尖峰脉冲,C3通过阻值较大的R2放电,不但吸收了尖峰脉冲,而且降低了开关管VT1的损耗。
下图(c)所示的尖峰脉冲吸收电路,与下图(b)的尖峰吸收电路工作原理相同,只是吸收电路安装于开关变压器初级线圈的两端,吸收效果相对要好一些。尖峰电压吸收电路易发生开路、失效故障,通常表面有变色现象,甚至裂纹,造成尖峰脉冲吸收失效,引发开关管被击穿。当发生开关管击穿故障时,应注意对尖峰吸收电路元件的检测。
