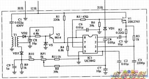
目前市场上出售的模块,其不尽相同,下面以控制芯片采用UC3842的开关模块为例进行介绍,有关电路如下图所示。
UC3842是模式⑧脚单端控制芯片,其内部电路框图与引脚功能与UC3843相同。
(1)启动与振荡电路
由红线来的300V直流经启动R1降压后,加到1(UC3842)的⑦脚,当⑦脚电压达到16V时,UC3842的⑦脚内的基准电压发生器产生5V基准电压,从IC1⑧脚输出,经R4、C2形成回路,对C2充电到一定值时,C2就通过UC3842迅速放电,在IC1④脚上产生锯齿波电压,送到内部,从IC1⑥脚输出脉宽可控的矩形脉冲,控制开关管Vl工作在开关状态。
电路启动工作后,开关T1“一次”绕组的感应电压经C1耦合至脉冲变压器T1“一次”绕组,T1“二次”侧感应的脉冲电压经VD2整流、C8后,得到直流电压,由12.6VVS和射极跟随器V2稳压后,输出12V电压,送到UC3842的⑦脚(端),取代启动电路,为UC3842提高启动后的工作电压(参见下图)。
(2)稳压控制电路
脉冲变压器T1“二次”绕组感应的电压经二极管VD3整流、C9滤波后,产生直流电压,用于稳压取样电压。由于变压器T1各绕组上的电压成一定的比例关系,因此,耦合到脉冲变压器T1绕组上的电压,以及经VD3整流、C9滤波获得的取样电压如实反映了开关电源输出电压的高低。该取样电压经R10、R11和电位器RP1分压后,送至UC3842的②脚,在UC3842内部,经误差放大器放大后,通过后续电路改变IC1⑥脚输出的脉冲占空比,从而调整输出电压。
具体控制过程是:电源输出电压Uo↑→ICl②脚的取样电压↑→IC1①脚的电压↓→IC1⑥脚输出脉冲的高时间↓→开关管V1导通时间↓→电源输出电压U。↓。若电源电压输出端电压下降,则稳压过程相反。在下图电路中,RP1为输出电压可调电位器,调节它可改变输出电压的高低。
采用此开关电源模块代换时,由于开关变压器及其“二次”侧的整流、滤波电路没有更换或改变,所以,只要主输出回路的输出电压调整好,其他各路输出自动生成正确的电压。
从以上分析可知,此开关电源模块采用了间接取样电路,即取样电压取自脉冲变压器T1感应的电压,用于直接取样的灰线并未发挥作用。实际上,故障机如果没有光电耦合器,将开关电源模块的灰线悬空,电源也能正常工作,即所谓最简工作模式。
(3)过电流保护电路
UC3842的③脚是电流检测输入端,经R3接到场效应管Vl的S极,当因过重等原因使V1电流增加时,其S极电阻R2上的压降增加,使S极电压上升,引起IC1③脚(电流检测端)电压升高,当电压上升到1V时,IC1③脚内部电流检测电路控制并切断IC1⑥脚的脉冲输出,达到过电流保护的目的。
