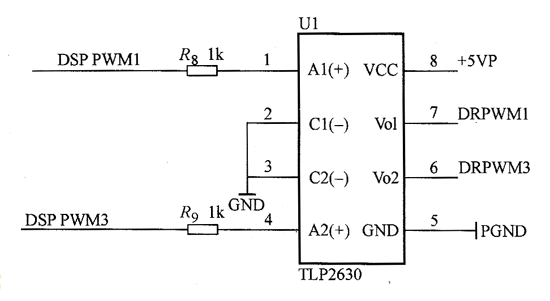
为了减小干扰,增加控制的可靠性,在系统设计时,将控制电路与功率驱动电路完全分开,功率部分与控制部分不共地而控制信号采用光电隔离,其中主要的控制信号为信号。在控制成本和控制质量两方面考虑的情况下,选用了3片TLP2630作为光电隔离元件,其电路原理图如图所示。

图 控制信号光耦隔离示意图
为了减小干扰,增加控制的可靠性,在系统设计时,将控制电路与功率驱动电路完全分开,功率部分与控制部分不共地而控制信号采用光电隔离,其中主要的控制信号为信号。在控制成本和控制质量两方面考虑的情况下,选用了3片TLP2630作为光电隔离元件,其电路原理图如图所示。

图 控制信号光耦隔离示意图