上图和下图是显示TFT屏显示图像的过程:
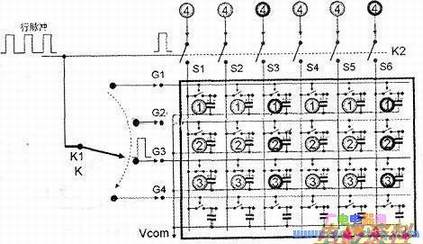
(1)液晶屏上第一行信号的显示(如上图所示);上图中可以看到,行驱动位移开关在Gl的位置,行脉冲加到了行电极线G1上,控制G1电极线上面一行像素六个开关均闭合连通。此时,列驱动送来的第一行(一排)像素电信号分别经过S1~S6列电极线及相应连通的开关对相应的器充电,并在电极板上形成电场对液晶分子扭曲进行控制。这样,第一行相应的像素信号就在显示屏上显示出来了。
(2)液晶屏上第二行像素信号的显示(如下图所示);下图中可以看到,行驱动位移开关已经离开了G1电极线的位置(达到G2位置),G1行电极线上的所有开关全部断开,器上面所充继续保持(电容器符号上的+号),继续控制着液晶分子维持着行脉冲触发G1行时的状态,液晶屏上显示的图像信号继续保持着。
行脉冲加到了行电极线G2上,控制G2电极线上面一行像素六个开关均闭合连通。此时,列驱动电路送来的第二行(一排)像素电信号分别经过S1---S6列电极线及相应连通的开关对相应的电容器充电,并在电极板上形成电场对液晶分子扭曲进行控制。这样,第二行相应的像素信号就在显示屏上第二行的位置显示出来了。

(3)液晶屏上第三行像素信号的显示(如下图所示);下图中可以看到,行驱动位移开关,也离开了G3电极线的位置(达到G3位置),G2行电极线上的所有开关也全部断开,G1行、G2行电容器上面所充电压继续保持(此时G1行、G2行电容器符号上的+号),继续控制着液晶分子维持着行脉冲触发G1、G2行时的状态,液晶屏上显示的第一、第二行图像信号继续保持着。
现在行脉冲加到了行电极线G3上,控制G3电极线上面一行像素六个开关均闭合连通。此时,列驱动电路送来的第三行(一排)像素电信号分别经过S1~S6列电极线及相应连通的开关对相应的电容器充电,并在电极板上形成电场对液晶分子扭曲进行控制。这样第三行相应的像素信号就在显示屏上第三行的位置显示出来了。

(4)液晶屏上第四行像素信号的显示(下图所示);下图中可以看到,行驱动位移开关,此时也离开了G3电极线的位置(达到G4位置),G3行电极线上的所有开关也全部断开,G1行、G2、G3行电容器上面所充电压继续保持(此时G1行、G2、G3行电容器符号上的+号),继续控制着液晶分子维持着行脉冲触发G1、G2、G3行时的状态,液晶屏上显示的第一、第二行、第三行图像信号继续保持着。
现在行脉冲加到了行电极线G4上,控制G4电极线上面一行像素六个开关均闭合连通;此时,列驱动电路送来的第四行(一排)像素电信号分别经过S1~S6列电极线及相应连通的开关对相应的电容器充电,并在电极板上形成电场对液晶分子扭曲进行控制。这样,第四行相应的像素信号就在显示屏上第四行的位置显示出来了。
以此类推,TFT液晶屏上的一场图像就完整的被显示出来了。

细心地看上面向幅图片:观察当行位移开关K指向某一个行电极时,这个行电极线所控制的一行的开关有什么变化(接通还是断开)。再观察,行位移脉冲离开后,行电极线控制的开关有什么变化(接通还是断开)。