数码显示器也称LED,是由多只条状半导体按照一定的连接方式组合而成的,如下图所示。

LED数码显示器有共阳极和共阴极之分。
共阳极LED数码显示器中各发光的正极均连接在一起,作为公共阳极与正极相连。当笔段电极加驱动低时,相应的笔段会发光。
共阴极LED数码显示器中各发光二极管的负极均连接在一起,作为公共阴极与负极相连。当笔段电极加驱动高电平时,相应的笔段会发光。
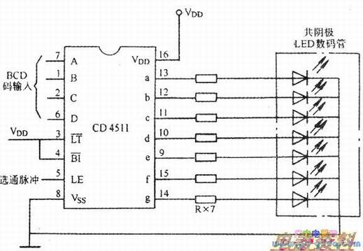
LED数码显示器一般要通过驱动,才能正常显示。下图是共阴LED数码显示器的典型驱动。

数码显示器也称LED,是由多只条状半导体按照一定的连接方式组合而成的,如下图所示。

LED数码显示器有共阳极和共阴极之分。
共阳极LED数码显示器中各发光的正极均连接在一起,作为公共阳极与正极相连。当笔段电极加驱动低时,相应的笔段会发光。
共阴极LED数码显示器中各发光二极管的负极均连接在一起,作为公共阴极与负极相连。当笔段电极加驱动高电平时,相应的笔段会发光。
LED数码显示器一般要通过驱动,才能正常显示。下图是共阴LED数码显示器的典型驱动。
