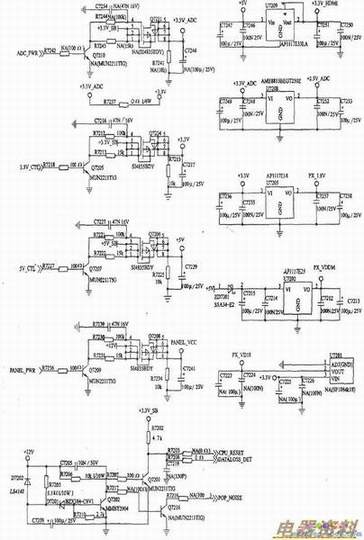
DC/DC变换器如下图所示。

(1)U7203(AP1501-33)和外围电路组成开关型DC/DC变换器,可将①脚输入的12V转换为+3.3VSB电压,从②脚输出;U7102的⑤脚为输出使能端,⑤脚为低时,②脚输出正常,当⑤脚为高电平时,②脚无输出。
(2)U7204(AP1501-50)和外围电路组成开关型DC/DC变换器,可将①脚输入的12V电压转换为+5VSB电压,从②脚输出;U7204的⑤脚为输出使能端,⑤脚为低电平时,②脚输出正常,当⑤脚为高电平时,②脚无输出。
(3)U7211(AP1501-12)和外围电路组成开关型DC/DC变换器,可将①脚输入的24V电压转换为+12(V_ITV)电压,从②脚输出;U722的⑤脚为输出使能端,⑤脚为低电平时,②脚输出正常,当⑤脚为高电平时,②脚无输出。
(4)U7207(AP1501-50)和外围电路组成开关型DC/DC变换器,可将①脚输入的12V电压转换为PANELV(5V)电压,从②脚输出;U7207的⑤脚为输出使能端,由微控制器U4102(M30300SPGP)91脚输出的PANEIPWR信号进行控制,当PANEL_PWR信号为高电平时,Q7214导通,其集电极输出低电平,使加到U7207的⑤脚的电压为低电平,U7207的②脚输出正常,当PANEL_PWR信号为低电平时,U7207的②脚无输出。
(5)U7206(AP1501-K5LA)和外围电路组成开关型DC/DC变换器,可将①脚输入的12V电压转换为(PX_VD)18电压,从②脚输出;U7206的⑤脚为输出使能端,由微控制器U4102(M30300SPGP)73脚输出的PX_iV8CTL信号进行控制,当PX_IV8CTL信号为高电平时,Q7215导通,其集电极输出低电平,使加到U7206的⑤脚的电压为低电平,U7206的②脚输出正常,当PXIV8_CTL信号为低电平时,U7206的②脚无输出。
(6)U7209(APl117E33LA)为低压差稳压器,可将③脚输入的+5V电压转换为+3.3V_HDMI电压,从②脚输出。
(7)U7208(AME8815BEGT2502)为低压差稳压器,可将③脚输入的+3.3V_ADC电压转换为+2.5VADC电压,从②脚输出。
(8)U7205(AP1117E18)为低压差稳压器,可将③脚输入的+3.3V电压转换为PX_1.8V电压,从②脚输出。
(9)U7202(AP1117E25)为低压差稳压器,可将③脚输入的+5V电压转换为PX_VDDM(2.5V)电压,从②脚输出。
(10)U7201(AP1084K18)为低压差稳压器,可将③脚输入的+3.3V电压转换为PK_VD18(1.8V)电压,从②脚输出。
DC/DC变换器输出的电压去向如下图所示。
