顾名思义,这种板就是将原来分开的板与高压板合做在一块板上。由于这种设计能有效降低成本,故在近年生产的液晶彩电中得到了广泛应用。
该类板的开关部分与分离式的液晶彩电开关电源组成相同,主要由PFC、主开关电源电路及待机开关电源电路组成,其开/待机同样受信号板控制。若对比主开关电源次级输出电路,会发现IP板的整流元件少了一些,主要是无大的+24V输出,仅有+12V及+5V电压输出,这是为什么呢?
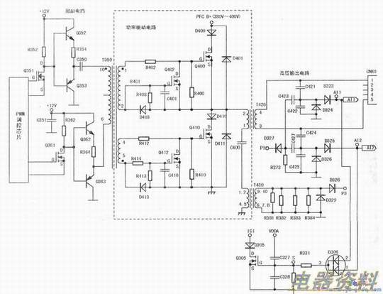
分离式的液晶彩电开关电源所输出的+24V供电主要供给高压板的功率驱动电路,如下图所示。由于这部分电路的功率较大,故要求开关电源输出的+24V电压的功率足够,则对应的整流滤波元件较多。

在IP板中,高压板的功率驱动电路供电改由PFC电路输出的PFCB+电压(+380V~+400V)提供。这一改动,对于主开关电源而言,不需要再输出大电流的+24V电压,整个输出功率大幅下降,开关及整流滤波元件减少。对于高压板的电路而言,因PFCB+电压为热地,而高压激励电路及高压输出电路均为冷地,为了解决这一问题,则功率驱动电路与激励电路、高压输出电路之间均采用变压器耦合方式,相关电路如下图所示。

综上所述,IP板的特殊之处在于:高压板上的功率驱动电路的供电直接由PFC电路提供,电压为+380V~+400V(热地)。因此,检修IP板上的背光灯驱动电路时一定要注意区分冷热地,以免损坏仪表或电路元件。