电流互感器


 器是一种广泛使用的电器元件,除能将被测大电流降低到标定值外,还能安全地将高压隔离。除它常规的应用方法外,还有若干其他的用途,笔者以实例说明电流互感器的用途。
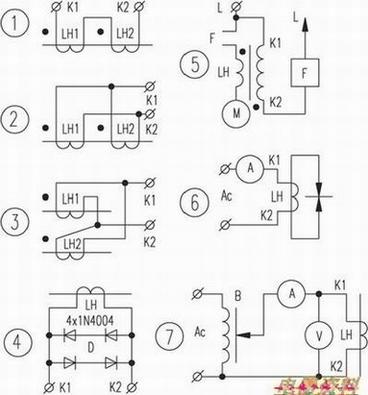
    图1:负荷高于互感器额定阻抗时,可将多只相同的互感器串联使用,其变比不变,但阻抗增加。
    图2:如果负荷阻抗低于单只互感器时,可将多只相同的互感器并联,这时输出阻抗减小,但电流会增加、变比也会减少。
    图3:为差接法,用二只互感器连接能反应对称过荷和三相短路的常用电路,若用在电机保护电路中使用,效果较差,但使用元器件最少。为提高灵敏度,后面可接信号放大电路,推动电子线路工作。
    图4:为避免在电子线路应用中出现高的保护,最简单方法就是用将电压钳位,钳位电压由串联的二极管数量决定。如使用和,效果将更好。
    图5:该电路可在电机启动时,因电压降低,消除接触器线圈F吸合不牢的现象(互感器的次级电压将和控制电路的电压叠加,注意接线是有极性的)。
    图6:利用电流互感器倒用升流,作为低阻抗电器元件,可用于电流、热继电器等的试验。制作时穿入导线截面积一定要大,长度尽可能短,若增加匝数,电流也会增大。最好选用大变比、大容量互感器,对150VA的互感器,当总阻为6Ω时,电压可达30伏。注意:在次级升压过程中,电流表读数不能超过5安。
    图7:测定电流互感器的伏安特性电路。按图示逐渐升压,当电流增加,电压表读数不再变化时,就是磁饱和的状态。只需测量伏安对应的数据,即可画出伏安特性曲线。
    图8:是一种用互感器从线路上取出反映电流变化的控制信号,若增加一次绕组的匝数,可使信号增强。
    图9:是一种负序电流过滤器的电机断相保护电路。当一相断线时,负序电流上升,若互感器次级接有移相元件组合的电流,就可把负序电流输出。互感器应使用具有矩形磁特性的磁环制作,次级线圈一般应在几百匝左右。
    图10:是一种三次谐波电流,电机断相保护电路。因为三次谐波是位的,故也称作零序电流保护电路。电流互感器不是线性的,而是快速饱和的,所以铁心要使用铁氧磁环制作。
    图11:利用电流互感器作为单线遥测的互感器。B可用输出变压器反接代替,控制室的电压表刻度应改成标定的电流刻度。电压继电器可作报警信号或跳闸开关。一般遥控距离可达数百米。
    上述仅列举了11种电流互感器的应用电路,可供电工人员参考。