(1)切不可为了检修而将保护电路暂时断开。
(2)修理中,最好换上一对普通的音箱,原配音箱烧坏后足很难配到原型号的。待修好机器后,先用普通音箱试听一段时间,无问题后再换上原配的音箱。
(3)检修中,组合音响的音量不要开得较大。
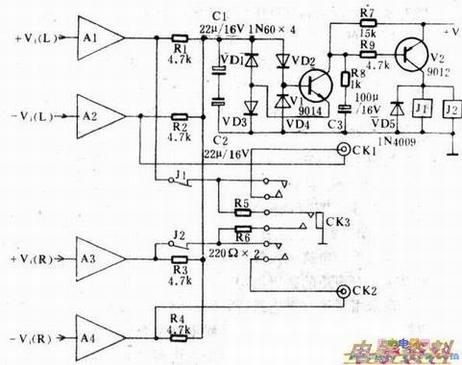
(4)音箱保护电路有两种电路形式,如下图所示。


这两种电路的根本不同之处是一个为常开开关,一个是常闭开关,所以在检修要区别对待这两种电路。
(5)在修理这一电路时,切不可随意改动电路将保护电路的保护功能去掉,否则当机器的主电路出现故障时,电路不能进入保护工作状态,造成扬声器的烧坏。