由分析可知,二次不工作的时候,对于升压电路来讲,输出和输入电压之间只有一个,所以,输出电压和一次相同。出现这种情况除了二次电源本身的故障以外,还有以下的几种保护情况。
(1)失锁和过压保护电路引起的二次电源不工作
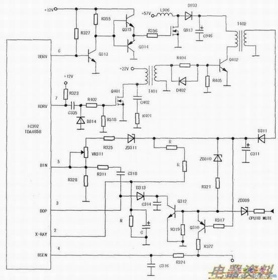
下图中,误差电压输出端BOP往往还和行失锁保护电路联系在一起。由于行扫描电路在开机瞬间或行频改变时,有一个同步搜索和锁定的过程,可能在搜索过程中屏幕上出现行不同步现象,甚至由于行的不能被锁定,引起行逆程脉冲过高,导致行输出管等元件过压损坏,为此,设置了行频失锁保护电路。如下图所示,开机瞬间或改变分辨率引起行频变化,行振荡器不能及时被锁定时,行频锁定检测电路不能检测到已同步的识别信号,集成块(17)脚输出高保护信号,一路通过Q312电路使BOP脚变成低电平,进而使集成块+B电源的控制电路停止工作,使+B电压下降到最小值,以免+B电压过高带来危害,另外一路送到亮度消音电路,使V414截止,CRT栅极Gl的电位变得更负(V414导通的越大,栅极G1的电位越高),光栅截止。当行振荡器的频率与行同步信号同步后,经行频锁定检测电路识别,由集成块(17)脚输出低电平锁定电压,保护状态解除。另外,过压保护电路和误差取样电压取自同一个行绕组,一路经分压启动②脚X射线保护外,一路通过V319加到亮度消隐电路,还有一路通过ZD310和V312使BOP端电位降低,控制二次电源不工作。所以当检测到二次电源不能工作时,也要考虑这部分电路本身,必要时,可以采用开路法断开以缩小范围。

(2)欠压保护引起的二次电源不工作
下图所示为方正S596E型彩显二次电源电路有关电路图,该机采用的是行场扫描芯片TDA48580断开D933,切断行电路,C946两端接一只100W的灯泡做假,输入800x600模式的信号,测量行供电电压为56V,基本等于一次电压。同为TDA48xx系列的芯片,为什么该机接假负载时行电路不出现前面说的电压升高的情况?分析发现:这是因为该电路设置了一个行、电路欠压保护电路,当电路停止工作或者由于负载严重短路使次级电压大幅降低的时候,D311整流输出的电压消失或大幅度降低,电路的设计会导致保护控制管Q310导通,12V的电压使控制管Q312导通,TDA4858误差输出控制脚BOP③脚的电位被钳位在0.7V,控制驱动输出BDRV⑥脚关闭输出,因而二次输出电压和一次电源相同为56V左右。所以,该机型当接假负载以后,一方面TDA4858得不到取样的反馈电压,但同时保护控制管Q310导通,TDA4858误差输出控制脚BOP③脚保持低电位,关闭⑥脚驱动输出,这种设计具有一定的保护功能。检修这种电源要将保护电路断开——即断开Q310,才可结合假负载的方法判断检修。

(3)自动保护引起的二次电源不工作
二次输出电压和一次电源相同的另一种情况就是上面提到的二次电源驱动控制有单独的U3842,如果U38××④脚和⑧脚之间没有的话,UC38×完全由外部行脉冲驱动,这种设计的特点是:如行不工作,则二次电源不工作,起到一定自动保护的作用。所以,这种电路接假负载时,行电路不工作,二次输出电压和一次电源也相同。