海信HDP2907M是一种采用数字板处理技术的新型CRT彩色电视机.其故障时常表现为无光栅、不开机、花屏、静屏、黑光栅等,但其故障原因常是数字板中有不良元件,其实物组装如图l所示。但数字板电路的检修难度比较大,数据不易测量,故障原因不易确定。这就需要掌握一定的维修要领。
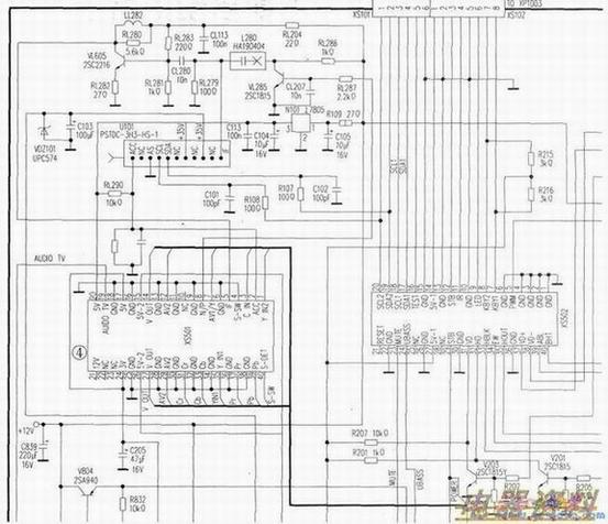
在检修经验中,为方便检查和区分故障原因是在主板电路还是在数字板电路,检修时总是首先检测数字板在主板中的引脚电压值、值以及一些主要引脚的信号波形。其实物组装及一些主要引脚在正常工作时的信号波形,如上图所示,引脚功能及正常状态下的电压值、值如下表所示,其电路原理如下图所示。
| 引脚 | 符号 | 功能 | U(V) | R(kΩ)在线 | ||
| 开机状态 | 待机状态 | 正向 | 反向 | |||
| ① | YIN2 | 外部逐行Y信号输入(由XP707A②脚输入) | 0 | 0 | 0 | 0 |
| ② | AGC | 射频AGC输出,送人高频头AGC端子 | ||||
| ③ | CIN | 色度信号C输入 | 0 | 0 | 0 | 0 |
| ④ | S-SW | 接地 | 0 | 0 | 0 | 0 |
| ⑤ | IF | IF中频载波信号输入 | 11 | 0 | 1 | 1 |
| ⑥ | GND | 接地 | 0 | 0 | 0 | 0 |
| ⑦ | AVl/Y | AV1视频信号,S端子Y信号输入 | 0 | 0 | 12.5 | 15.5 |
| ⑧ | N/P | NTSC/PAL制式控制输出 | 0 | 0 | 7.1 | 12 |
| ⑨ | GND | 接地 | 0 | 0 | 0 | 0 |
| ⑩ | NC | 接地 | 0 | 0 | 0 | 0 |
| 11 | GND | 接地 | 0 | 0 | 0 | 0 |
| 12 | AV2 | AV2视频信号输入 | 0 | 0 | 12.5 | 15.5 |
| 13 | GND | 接地 | 0 | 0 | 0 | 0 |
| 14 | VOUT | 视频信号输出送入AV输出口 | 1.9 | 0.l | 3.5 | 3.5 |
| 15 | 5V-2 | +5V-2 | 5 | 1.3 | 7 | 14.5 |
| 16 | GND | 接地 | 0 | 0 | 0 | 0 |
| 17 | 8V | +8V | 7.8 | 1.8 | 4.0↑ | 4.0↑ |
| 18 | GND | 接地 | 0 | 0 | 0 | 0 |
| 19 | AUDI0TV | TV音频信号输出 | 0 | 0 | ∞ | ∞ |
| 20 | 5V | +5V电源 | 4.8 | 0 | 1.5 | 1.5 |
| 21 | 12V | +12V电源 | 11.5 | 0.2 | 1 | 1 |
| 22 | NC | 用于TV音频信号输出 | 0 | 0.1 | ∞ | ∞ |
| 23 | NC | 未用 | 0 | 0 | 0 | 0 |
| 24 | 8v | +8V电源 | 7.8 | 1.8 | 4 | 4 |
| 25 | GND | 接地 | 0 | 0 | 0 | 0 |
| 26 | 5V-2 | +5V-2电源 | 5 | 1.4 | 7.1 | 14.5 |
| 27 | VOUT | 视频信号输出 | 1.9 | 0 | 3.5 | 3.5 |
| 28 | GND | 接地 | 0 | 0 | 0 | 0 |
| 29 | AV2 | AV2视频信号输入 | 0 | 0 | 12.5 | 15 |
| 30 | CND | 接地 | 0 | 0 | 0 | 0 |
| 31 | Cr | 隔行V分量信号输入 | 0 | 0 | 0 | 0 |
| 32 | GND | 接地 | 0 | 0 | 0 | 0 |
| 33 | Cb | 隔行U分量信号输入 | 0 | 0 | 0 | 0 |
| 34 | GND | 接地 | 0 | 0 | 0 | 0 |
| 35 | YIN1 | 用于隔行Y信号输入 | 0 | 0 | 0 | 0 |
| 36 | GND | 接地 | 0 | 0 | 0 | 0 |
| 37 | Pr | 用于逐行V分置信号输入 | 0 | 0 | 0 | 0 |
| 38 | GND | 接地 | 0 | 0 | 0 | 0 |
| 39 | Pb | 用于逐行U分量信号输入 | 0 | 0 | 0 | 0 |
| 40 | S-DET | 用于S-SW信号输入 | 4.7 | 4.6 | 7 | 16 |
注:XS501(数字板引脚)接R721端为①脚,接W229端为(40)脚;表中“↑”表示测量时表针向阻值增大的方向漂移。
当该种机型出现故障时,不要急于乱加怀疑,更不要盲目地乱拆乱卸,而是要有程序地进行逻辑思维和科学判断,其检修要领如下:
1.首先注意观察故障现象并阅读电路原理图,若无电路原理图可查,则看主板和数字板中都采用了哪些,然后再根据单元电路原理或参考能够找到的同类机芯图纸进行故障分析。
2.检修时要首先采用测量法,第一步检查行输出管是否有现象,然后再检查数字板引脚的电阻值。若阻值异常,则应查找导致阻僮异常的原因;若阻值基本正常,则可通电检测电压值。
3.若检测电压值仍不能判断故障原因时,则应利用示波器观察一些关键的信号波形,通过有无波形或波形的变化情况去判断电路的工作状态。
4.在检修时最好能够掌握各部分电路在正常工作时的工作电压和信号波形,或是参考能够找到的相同电路的工作参数及信号波形。
5.在使用热风枪拆卸贴片式时,要用湿布遮挡周围元件,勿使周围小的贴片元件被吹丢。有条件时,在拆卸元件前用数码相机拍照,以便在更换元件后进行仔细核对。
6.在采用电压测量法时,不要直接检测大型贴片式集成电路的引脚,因为其引脚细密,测量时极易引起碰极现象,从而造成不应有的人为事故。若一定要检测某些引脚的电压值,可选择外接线路中的合适点或加接引线进行电压测量。
7、在更换元件时.一定要保持型号一致,若需代换时,一定要核对技术参数以符合电路要求。
总之,在故障检修时,要有条不紊,手动心明。

