高压稳定的常见故障现象有:不能二次开机;无光栅:画面水平幅度不稳定;亮度不正常。
1.不能二次开机
故障特点表现为开机后立即转入保护待机状态。由于大屏蒋彩电保护功能完善,二次回路中任一项保护功能生效,都会进入保护待机。因此,首先应确定保护待机原因是众多保护中的哪一个支路起控动作?索尼机型二次回路的保护功能生效,可以通过观察红色发光管闪烁次数来判断;其他不能直观鉴别的机型,可以断开保护支路中的相关元件,观察待机保护是否解除来确认。但开路某个元件等于撤消相应的保护功能,试机动作应迅速快捷,以免扩大故障范围,造成不必要的经济损失。
2.无光栅与亮度异常
诱发无光栅或亮度异常故障原因很多,因此检修时也应先区分故障大致部位。前三种电路CRT管所需的全部在行扫描输出级形成。因此灯丝点亮就有高压;如果进一步测得R、G、B三阴极(末级视故愉出)之一电斤i正常,就可以排除前电路、ABL等电路故障,重点检查阳极高压、聚焦电压和帘栅电压。CRT显像管聚焦极打火会使高压和帘栅压跌落,从而引起光栅晴、严重时无光栅,这类故障在南方雨季频繁发生。
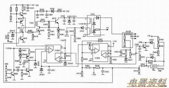
第4种电路与行输出级独立,CRT灯经点亮不一定就有高压产生。若灯丝点亮和三只投影管其中一只阴极电压正常,也可以确认故障在下图所示的高压形成电路中。402(5)脚高压取样输出端是个关键测试点,正常时约3.4V;如果测得为OV,原因有两点:一是回扫式没有振荡工作;二是高压限制保护电路起控动作。倘若IC402(5)脚电压偏离正常值过多,则表明高压和帘栅压都低于正常值,会出现光栅暗故障。图5亦属于一种典型回扫式他激型开关,检修方法与常见他激式开关基本相同,不同的是增加了一个/电压变换电路。
3.水平幅度不稳定
画面水平幅度不稳定有两大原因:一是行偏转供电B+电压不稳定,引起行偏转峰值和高压随B+电压变化而变化;二是高压稳压控制电路异常,使高压随电子束流变化而变化。对于图5电路来说,频率/电压转换电路(包括HVD方波激励脉冲频率稳定电路)异常,引起IC402(2)脚基准电压变化,也会造成高压随Vrcf电压变化而变化,诱发画面幅度不稳定故障。总之,本故障的检查重点是高压取样反馈环路及图5中频率/电压转换电路。
