
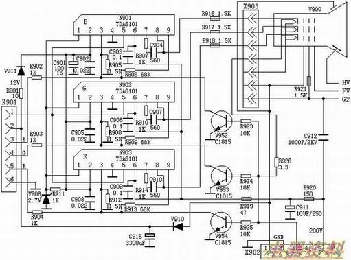
TDA6101为宽带视频放大,视频带宽达9M,一般用于较高档的机型中。
1脚:2.7V——基准
2脚:12V——
3脚:2.6V——信号输入端
4脚:0V——地
5脚:6.7V——暗信号输出
6脚:200V——
7脚:130V——交流信号输出
8脚:130V——直流信号输出
9脚:130V——反馈输出

TDA6101为宽带视频放大,视频带宽达9M,一般用于较高档的机型中。
1脚:2.7V——基准
2脚:12V——
3脚:2.6V——信号输入端
4脚:0V——地
5脚:6.7V——暗信号输出
6脚:200V——
7脚:130V——交流信号输出
8脚:130V——直流信号输出
9脚:130V——反馈输出