此类故障涉及到三个方面:-是本身不良或有故障:二是控制电路有故障使控制失灵而不能开机:三是电路有故障或短路过流保护而不能开机.第三种故障涉及的点多面广,但+5V2供电电路或负载有故障时,会将检测情况回送到主芯片7217(TDA15021H)的(115)脚,此时指示灯6070会点亮,+5V2是显示板供电。
维修实践表明,在不能开机故障中.百分之八十左右的故障都存在于电源供电电路中。
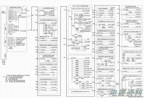
下面谈几点重点电路故障的检查.其他供电电路的检查参见下图。
(1)遥控开,关机电路的检查,正常开机状态下,超级芯片7217(TDA15021H)(122)脚应呈现3.1V左右的高,于是7756(PDTC114ET)导通,+3V3ST-BY供电经7758(4)脚、3759、7756c极至e极构成回路;7756c极此时约为o.Ov.7758(4)脚电压下降至该管导通状态,于是7758(5)、(6)、(7)、(8)脚约有3.2V电压输出,即+3V3SW供电接人电路。实现遥控开机。当7217(22)脚输出低电平(Ov)时,7756截止.7758(4)脚呈现较高电平电压(即+3V3STBY电压),于是7758也截止,机器处于待机状态。
(2)7217(TDA15021H)(14)脚为+1V8-A/-B供电的供电控制端正常开机状态时.7217(14)脚输出高电平,于是7216—1、7216-2(均为BC847BS)、7214、7215(均为BCP69-25)便相继导通.+1V8-A、+1V8-B供电输送至各自的供电负载电路。维修实践表明.此两处重点供电控制电路常常是不能遥控开机故障的多发部位,特别是(14)脚外围的1V8-A/-B供电控制电路故障概率相对较高,应特别予以重视。为维修实用,特提供其相关电压数据见下表.供参考。

