在检修此故障前.应先输入其他机外视频信号作初步判断。当输入其他机外信号时图像、伴音均正常,可初步判断7217(TDA15021H)视频处理与CPU控制超级芯片之后的是正常的。此类故障只与7217(24)、(25)脚以前的电路有关,只要细查1104(OFWK3953L)视频、1102高频器及其相关电路元件,即可排除故障。
如若输入其他机外视频信号仍无图像显示.可进一步检查测7LOI、7L02、7L03(均为BC847BW)各倒相放大管的各极进行判断。正常情况下三管的b极电压应为1.5V左右:c极电压为5.4V左右:e极电压为0.9V左右。若以上电压正常,则基本可以认为7217(TDA15021H)(85)-(87)脚已有正常的RGB/YUV信号输出。并将视频信号送入转换电路7L04(AD9885KST)(54)、(48)、(49)、(43)脚。
本机采用AD9885KST对接收的模拟VGA/RCB信号与HDTV/YCbCr信号进行A/D扫描格式转换。其输出接口为三组8位,其中B组输出接口未用(按空脚处理)。G组数据为(2)-(9)脚,正常输出时各脚电压为(2)脚:0.4V、(3)脚:2.38V、(4)脚:
2.42V、(5)脚:2.42V、(6)脚:2.44V、(7)脚:3.OV、(8)脚:3.25V、(9)脚:1.21V。R组数据为(70)-(77)脚,正常输出时各脚电压为(70)脚:
0.12V、(71)脚:0.04V、(72)脚:0.12V、(73)脚:O.lIV、(74)脚:O.llV、(75)脚:3.2V、(76)脚:3.1V、(77)脚:3.05V。若测得以上电压基本相符,可认为AD9885KST已正常工作。否则应对该电路供电、(56)、(57)脚I2C总线控制、(66)、(64)脚行、场同步信号电路元件进行检查。
对于3D电路7MOO(T6TU5XBG)电路及其外围相关电路的检查,可参照下图应用图解进行。检查方法与要点按花屏、干扰、马赛克故障方法即可。

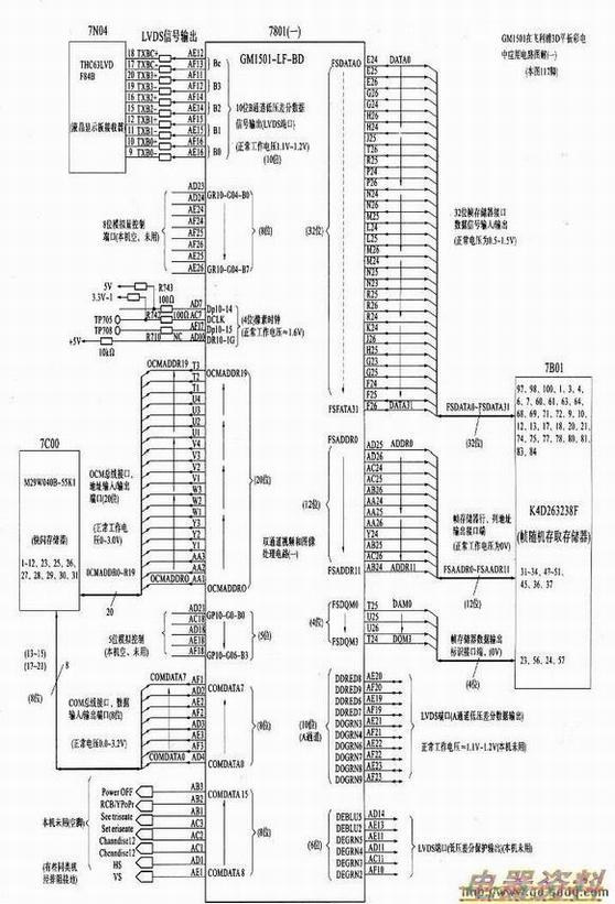
对于主芯片7801(CM1501)电路及外围元件的检查与维修,可参照下图进行。检修方法参考花屏、马赛克故障的检修与检测。其重点是检查主芯片与各之间的过桥孔,排阻的良好与否及焊接等。除此之外,还应注意与7MO03D芯片VGRNO~VGRN7的8位基色视频数据传输线路间有无断列或短路。与数字高清信号处理芯片7003(SII9993)YO~Y7、HDMl-CbCIo-HDMl-CbCr7走线间的线路情况。总之,有伴音、无图像故障涉及的范围很多,维修中注意具体情况作具体分析。


