该故障通常会导致电视机出现、不能开机、开机异常、黑屏、白屏、图像异常、声音异常、屏幕显示异常、某功能失效等现象。
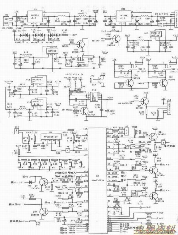
相关电路见下图,首先,经检查外置或内置输出的+12V正常,井检查主板与板、按键板及遥控板间的连接可靠时,再按不同的故障现象来选择检查涉及六路中的某一路电源。如遇到三无故障时,则分别检查U9、U13、U22输出端的+5v、+3.3V和1.8V电压是否正常。又如遇到“黑屏”故障时,则分别检测U9、024输出端的+5v和2.7V电压是否正常。再如遇到“收不到电台信号”故障时,则分别检测U9、Ull-2、D15输出端的+5v、+12V和+34V电压是否正常等,以此类推。其中有些故障还涉及到两路以上的辅助电源,因此要注重分析和判断。其次,检查六路电源电路及元件。经查,初步确认属某一路辅助电源故障时,先重点检查稳压块、可控稳压块、可控电源块是否存在炸裂或烧损等,后检查相关电路中的、、、整流管、及控制管等是否存在开路、短路或性能不良。在检修中,常遇到稳压块等高温元件出现脱焊或因控制管b极电路不良而导致电源输出电压异常的例子较多,因此要引起注意。如遇到“DPF/DVD工作异常”故障,先检测U23输入端的+12V电压,若正常,改测U23输出端的+5v电压:若异常,则检查04、D17、C294、U23等元件是否存在开路、短路、接触不良或烧损等,后检查Q4b极控制电压是否正常。若异常,则检测U2(114)脚是否有约3.3V(在DPF/DVD状态时)电压。若异常,则检查U2及外围元件等。又如遇到不能开机故障时,先检测U18、U12-2输出端的+5v电压是否正常。如果异常,则先检查外围电路及元件是否存在开路、短路或接触不良或烧损等。如果正常,则分别检查Q20、Q22、Q21、R194、R202、R200、U2等组成的电压控制电路是否正常等。以此类推,直至找到故障部位和原因。
