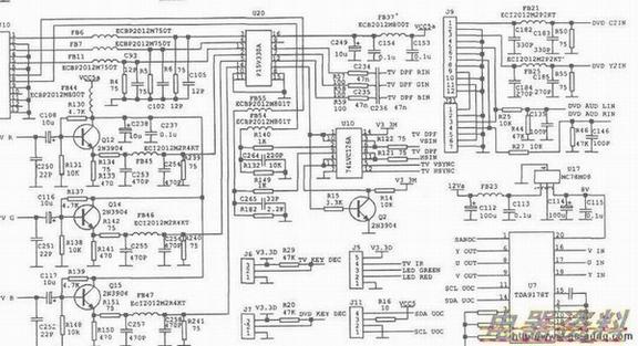
该故障通常会导致电视机出现无图像、图像异常、行不同步、场不同步、屏幕显示异常、彩色异常等现象。相关电路见下图、中图、下图,如果遇到图像信号切换电路故障时,先分别检测Ul0(9)、(10)脚(DPF送来的行,场同步信号),(12)、(5)脚(TV/AWSVHS送来的行,场同步信号)输入的行,场同步信号是否正常。如果异常则检查FB55、R149、FB54、R140等是否存在开路,或检查DPF及U2(67)、(22)脚输出的行,场同步信号是否正常。如果异常则检查DPF电路、U2电路及外围元件是否存在故障等。后检测Ul0(3)、(8)、(6)、(11)脚输出的行,场同步信号是否正常。如果异常则检查u1o(1)、(10)、(4)、(13)脚的控制是否正常。
如果异常则检查R14、R15、02是否存在开路、短路或性能不良等。如果遇到YPbPr/PC信号处理电路故障时,先分别检测U6(5)、(14)、(2)脚输入的YPbPr/PC信号或(3)、(6)、(13)脚输入的RCB信号是否正常(见图8.第325页)。若异常则检.FB51~FB53、FB1—FB3.C24.C21、C14、Cl~C3.Dl—D3等是否存在开路或短路,或检查J1、J3是否存在氧化、脱焊或接触不良等。若正常则检测U6(4)、(7)、(12)脚或U16(3)、(6)脚输出的信号是否正常。若异常则检查U6(1)脚或U16(1)、(4)脚的高、低控制电平是否正常。若异常则检查U2相关电路及元件,或检查各路是否正常,以及检查U6、U16自身是否存在损坏等。如果遇到PC信号存在不良时,应检查D4、D5、FB4、FB5、R22、R23等是否存在开路、短路或性能不良。


