九步曲检修 让旧式彩电焕发青春


  (1)先除尘。如果板上还有污垢,应用无水乙醇清洗,然后用电吹风吹干。
  
  (2)对大功率元件(如:大下工作的二、三极管、、、开关、等)的引脚进行检查补焊(实际多数旧彩电这些元件的引脚焊点都存在隐性裂纹)。
  
  (3)把相关的可调(如:AGC、帧频、帧幅、帧线性、行、副亮度、+B电压调整、亮、暗平衡调整)换新(实芯可调除外)。因裸露式可调电阻触点往往存在接触不良或阻值变大现象。
  
  (4)更换铝壳电解。年久机器中的铝电解一般都有存在不同程度的漏电和失容现象。靠近大功率发热元件的电解电容更是如此。由于电解电容价格便宜,将这类电容更换,往往能自动消除如帧抖、同步不良、线性差,甚至干扰等疑难故障。
  
  (5)检查和输出和各种电压数值看是否正常。如偏低,多数是该电压电容失容(含漏电)或限流保护电阻阻值变大。
  
  (6)如光栅暗淡,可适当提高加速极电压,以不出现回扫线或色拖尾为宜。在此特别提醒:不要通过提高显像管灯丝电压的方法来增加图像亮度。实践表明,这只会加速显像管的衰老,而使之更快的寿终正寝。
  
  (7)将显像管上高压帽取下,用无水乙醇将高压帽和显像管高压嘴清洗干净,然后涂上南大704硅胶,可一次性根治和防止高压打火(因大多数旧彩电高压嘴存在不同程度的漏电和打火现象)。
  
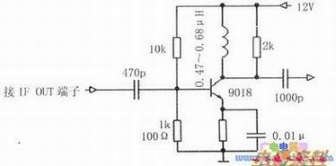
  (8)如果灵敏度低或轻微跑台,可校正一下AFT移相中周和图像检波中周(部分机芯只有一个38M中频谐振中周)。方法是:先将中周磁芯位置作好标记,将直流10V档接在视频信号输出端子,在无信号状态下,微调中周磁芯。如有两个中周,先调AFT中周,后调图像检波中周。先逆时针旋转,若电压升高,可继续旋转,直至电压最高,然后开始下降时停止;若电压降低,说明应该顺时针旋转;若电压几乎不变,说明该中周己严重,只能换新。当然,如果有同型号免调式中周更换,则效果更好。若调整或更换中周后灵敏度提高不明显,可按下图在高频头IFOUT(中频信号输出端子)后面加接一级中频放大器,一般可收到明显效果。

13


  
  (9)如果图像出现偏色,且通过调整暗、白平衡电位器仍无效,则说明该显像管某阴极发射电子能力已明显降低。可按下图在发射能力弱的那个阴极对应的视放管基极加接三个元件,通过调整可调电位器的电阻值的办法来增加该视放管对阴极的激励电流,从而消除偏色现象。

123