(1)小充电法
若电瓶的硫化并不严重,容量下降得也不多,可以采取小电流充电的方法,就是按容量值的005倍的电流(比如7Ah的电瓶可用0.35A电流)甚至更小的电流充电,充电的时间在24小时以上甚至更长。此法仅对硫化较轻的电瓶有一定效果,对于硫化严重的电瓶则效果不好。
(2)抽取电液法
硫化的电瓶中的活性物质硫酸铅已部分转化为难溶、颗粒粗大、导电性差的硫酸铅,只有在电解液中浓度比较低时对电瓶充电,硫化才有可能被消除,原因可能是电解液浓度低时的导电性能较低,施加的可以更好地作用在硫化的硫酸铅上,使其更容易转化为普通的硫酸铅。具体方法是:把电瓶充电到电瓶的最高电压(14V左右),目的是提高电解液的比重,然后用注射器把电解液从电瓶中尽量抽出,再向电瓶中注入蒸馏水,以稀释电解液的浓度。注水时尽量多注入一些,但也要留下一点空间,以防止后面把电瓶放倒时电解液溢出。注完水后把电瓶放倒,目的是让电瓶下部浓度较大的电解液渗出到电瓶上部,以便吸出。最后用0.1~0.2倍电池容量的电流充电十小时左右,再抽出电解液,随后再注入蒸馏水,重复以上的操作。根据电瓶硫化程度的不同重复操作的次数可多可少,一般二到三次即可,但最后一次充电的时间要加长到十几个小时或二十多个小时,充电的电压保持在14V左右,目的是在稀释的电解液中使硫化的硫酸铅更容易转化为有活性的普通硫酸铅。
抽出的电解液可盛在瓷质盆中,用太阳暴晒或加热等方法浓缩电解液,最后把浓缩后的电解液再注入到电瓶中,就完成了电瓶的修复工作。若是电解液不能完全注回电瓶中,说明电解液的浓度不够,水分太多,可把电解液抽出一些浓缩后注入到电瓶中…总之,要尽量把吸出的电解液返回到电瓶中,不可浪费。此法的优点是不用比重计等设施,也不用配制电解液,比较容易操作,而且对初次硫化的电瓶维修效果不错,笔者已用此法修复了多个电瓶,修复后的容量可达80%-90%。但是对深度硫化和多次硫化过的电瓶,维修效果不太理想。
(3)高压脉冲冲击法
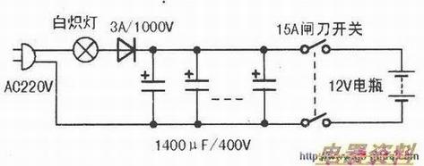
对于深度硫化的电瓶,上面两种方法效果都不好,原因可能是硫化的硫酸铅彼此已连成大片差不多已覆盖了极板,使电流很难渗入到极板和硫化的硫酸铅中。要破除硫化,可用高电压冲击。笔者把多个耐压400V、容量为220μF~470μF的小型电解并联起来,总容量达1400μF。在市电输入中,先串一只100W/220V的白炽灯限流,再由3A/1000V的半波整流,所得电压加到电解电容上,如图所示。电解电容的正负极通过一个15A/220V的闸刀开关接到电瓶的正负极上。
修复电瓶时,先断开闸刀开关再接通市电对电容充电,此时灯泡点亮并随着充电的进行亮度逐渐减弱,这表明电容上的电压正逐渐上升。此时快速合上闸刀开关,电容通过闸刀开关对电瓶放电,因电容上的电压比较高,电容的容量也较大,在合闸瞬间的放电电流较大,闸刀处有较大的火花,并伴有较大的响声。断开闸刀开关,电容又开始充电,然后再合上开关对电瓶放电,如此反复地进行充电、放电,就可较好地消除电瓶的硫化。电瓶硫化的深度愈浅,消除硫化的效果就愈好。
放电电流的大小除了可用增减电容容量的大小来调整外,还可以选择合闸的时间来调整。如果选择灯泡完全熄灭后再合上开关,电容充电的电压最高,脉冲电流也最大,而在灯泡尚未熄灭的情况下合上开关,脉冲电流的强度就会减弱。需要注意的是,因为是带电操作有一定的危险性,一定要注意安全!最好在干燥的楼房内操作,不要和地面接触。如果有40W以上1:1的隔离就比较安全了。此外,为减小合闸时的火花,合闸的速度要尽可能地快,电容的容量与电瓶容量的大小有关,维修7Ah电瓶用lOOOμF~1300μF的电容,17Ah的电瓶用150OμF。若电容容量过大,放电过程中产生的火花很大,易把开关的触点烧蚀,还可能危及人身安全。如果有条件,可用20A~40A的,并加上控制电路使其自动工作,详情不再讨论。
上面介绍的电路除可以用来消除硫化外,还可以让开关一直闭合作为半波整流的对电瓶充电使用。充电的电流由灯泡的功率决定,100W的灯泡对12V电瓶充电的电流为0.286A,功率59.5W,0.916,这种充电方法的最大缺点是灯泡上消耗的功率比较大,效率较低。
以上介绍了几种修复电瓶硫化的方法,供爱好者参考。需要特别说明的是,这些方法都不是万能的,特别是深度硫化的电瓶,要完全消除硫化难度极大,盼望爱好者们共同努力,早日彻底解决电瓶硫化的问题。
