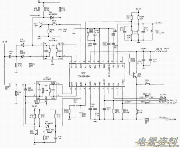
采用该集成块生产的整机而言,如果不考虑和液晶屏的结构情况,其电路结构通常有两种:一种是整机的图像公共通道电路采用独立高频器型和独立中频信号处理型,如海尔LB32R3液晶电视。上图是此类电路中的高频调谐器电路原理图,中图是此类电路中的图像中频信号处理电路原理图。上图中的高频调谐器工作状态受总线信号和高放AGC控制,输入射频信号,输出图像中频信号。而中图中的图像中频信号处理电路除集成块工作状态受总线控制外,其作用与早期由独立组成的图像中频信号处理电路并无多大差别,在总线信号控制下,也是完成图像和伴音中频信号的放大、检波等处理。输入图像和伴音中频信号,输出高放AGC电压、视频全电视信号和音频信号。
另一种电路结构是整机的图像公共通道电路采用组合高频调谐器型,下图就是这种电路结构中所采用高频调谐器的典型代表。该高频调谐器是长虹LS20机芯所采用的高频调谐器,其工作状态受总线信号控制,在总线信号控制下,输入射频信号,输出视频电视信号和音频信号。应当说,此种高频调谐器与通常见到的CRT数字高清彩电所使用的高频调谐器相同。
另外,在采用MST6M69L芯片生产的液晶电视中,部分厂家生产的部分机型设计有双路USB、HDMI信号输入功能,能输入两路USB、HDMI信号。


