CPU供电是为CPU提供电能,保证CPU在高频、大工作状态下稳定地运行,满足正常工作的需要。CPU供电电路通常采用(PtilseWidthMedulation脉冲带宽),该部分电路主要是由PWM管理芯片、场效应管(MOSFET管)、储能线圈和'等元器件完成。CPU供电电路的电路框图如下图所示。
一、CPU供电电路的工作原理
不同的CPU需要的工作电流和工作是不同的,P3CPU有内核和外核两种供电电压,内核供电电压Vcore为1.2V-2V,外核供电电压为固定的2.5V(外核供电电压一般由三端稳压器得到):P4CPU的供电电压有内核供电电压Vcore(通常为1.O5V-1.5V)和AGTL总线终端电压VTT(针对不同型号的CPU有1.8V、1.5V、1.l25V,这个供电电压一般由北桥供电电路提供,电路比较简单)。
CPU的核心电压供电电路是最容易损坏的电路,因此在维修工作中所指的CPU供电电路一般都是指核心供电电路(Vcore电路)。
主板上所用的PWM管理芯片都有几个电压识别控制踹(通常为VIDO-VID4),这些引脚通常与CPU相连(如不接CPU,则这几个控制端默认为高),通过控制这些引脚的电平,就可以控制输出的直流电压值,即CPU的供电电压。
不同型号的CPU在出厂时已通过对相应的VIDO-VID引脚悬空和短按的方法设定了CPU的供电电压值,如不接CPU则VIDO-VID4引脚为默认高电平,电源PWM电源管理芯片停止工作。接上CPU后,电源电路中的PWM电源管理芯片就会先判断CPU需要多高的供电电压,然后就会通过改变驱动脉冲输出端脉冲信号的占空比(即单位时间内场效应管的导通时间和总时间之比)来控制场效应管的导通,从而控制输出电压,如下右图所示。
由于单个MOSFET管的输出电流通常为20A左右,而对于一些耗电量大的CPU(如Pentium4、AthlonXP系列CPU)其需要电流通常高于45A,这时就需要将多个供电电路并联起来为CPU供电,有几路供电电路并联就称为“几相”供电。主板常用的有单相供电、两相供电、三相供电、四相供电。
单相供电电路一般应用在Intel810、Intel815芯片组主板中,两相供电电路一般应用在845系列芯片组主板中,三相供电电路一般应用在Intel865、Intel915以及一些高端Intel845芯片组主板中,四相供电电路-般应用在Intel915以上芯片组的主板中。两相以上的供电电路一般称为多相供电电路。
二、单相CPU供电电路工作原理
主板上常用的单相供电PWM电源管理芯片有LM2637、Al569、HIP6004,HIP6018,HIP6019,HIP6021等型号。下面以常用的PWM电源管理芯片HIP6018在硕泰克SL65DVB主板中的应用电路为例介绍单相供电电路的工作原理,电路原理图如下图所示。
上图中两个MOSFET管Q1、Q2为开关管,IC1为PWM电源管理芯片HIP6018控制芯片,L1滤波,L3储能,C24-C36是CPU供电电压滤波。IC1的2-6脚为CPU控制电压识别信号输入端,其电平组合与输出电压的关系如下表所示。
| VID4 | VID3 | VID2 | VID1 | VID0 | 输出电压(V) |
| 0 | 1 | X | X | X | 无CPU |
| 0 | 0 | 1 | 1 | X | 无CPU |
| 0 | 0 | 1 | 0 | 1 | 1.8 |
| 0 | 0 | 1 | 0 | 0 | 1.85 |
| 0 | 0 | 0 | 1 | 1 | 1.9 |
| 0 | 0 | 0 | 1 | 0 | 1.95 |
| 0 | 0 | 0 | 0 | 1 | 2 |
| 0 | 0 | 0 | 0 | 0 | 2.O5 |
| 1 | 1 | 1 | 1 | 1 | 无CPU |
| 1 | 1 | 1 | 1 | 0 | 2.1 |
| 1 | 1 | 1 | 0 | 1 | 2.2 |
| 1 | 1 | 1 | 0 | 0 | 2.3 |
| 1 | 1 | 0 | 1 | 1 | 2.4 |
| 1 | 1 | 0 | 1 | 0 | 2.5 |
| 1 | 1 | 0 | 0 | 1 | 2.6 |
| 1 | 1 | 0 | 0 | 0 | 2.7 |
| 1 | 0 | 1 | 1 | 1 | 2.8 |
| 1 | 0 | 1 | 1 | 0 | 2.9 |
| 1 | 0 | 1 | 0 | 1 | 3 |
| 1 | 0 | 1 | 0 | 0 | 3.1 |
| 1 | 0 | 0 | 1 | 1 | 3.2 |
| 1 | 0 | 0 | 1 | 0 | 3.3 |
| 1 | 0 | 0 | 0 | 1 | 3.4 |
| 1 | 0 | 0 | 0 | 0 | 3.5 |
接下主板上的开机按键后,ATX电源就会输出+l2V的供电电压,这个电压加到IC1的1脚,为IC1提供工作电压。
ATX电源输出的“电源好信号”经过相关电路处理后作为复位信号送到IC1的7脚,使IC1复位。IC1复位后内部开始振荡(振荡由17脚外接元器件控制),从22、24脚输出相反的波形信号,加到Q1、Q2的栅极,控制Q1和Q2的导通。
Q1和Q2在IC1的控制下轮流导通(导通的顺序和频率由IC1控制)。Q1导通时,Q2截止,此时可以将电能储存在储能电感L3中;Q1截止时,Q2导通,此时L3中储存的能量经过电解电容滤波后得到平滑稳定的电压供应给CPU。
场效应管中Q2在这里主要是配合Q1来调节电压,并通过控制Q2的导通来稳定输出电压。有的主板上没有采用场效应管,而是用一个双肖特基来代替(起稳压保护作用和快恢复作用L)。
单相供电电路在主板中很容易识别,这种供电电路一般只有1个储能电感、2个大功率场效应管以及若干个电解电容(一般是6个)。
维修提示:漏极(散热片)接电源电压、源极S接输出电压的场效应管通常被称为“上管”,漏极(散热片)接输出电压、源极S接地的场效应管通常被称为“下管”。
三、多相CPU供电电路工作原理
将两个单相电路的场效应管输出电路并联在一起,就构成一个两相供电电路,这种电路的输出电流可以高达45A,基本能够满足P4CPU的需要。目前最常用的两相供电电路是采用立钸科技公司生产的两相PWM电源管理芯片RT9241+MOSFET驱动器RT9602的组合电路。
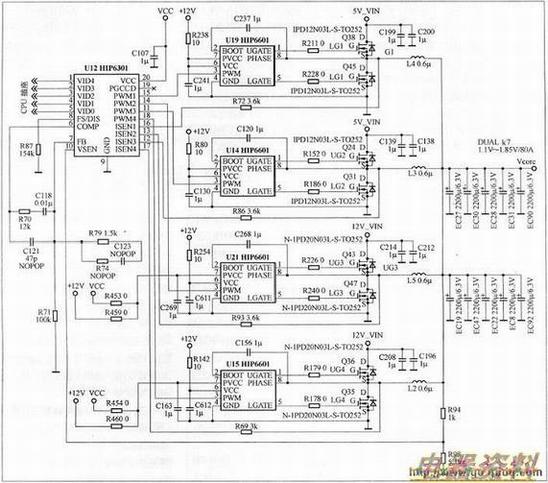
三相供电电路就是将三个单相供电电路的输出踹叠加,这样不但可以显着提高供电电路的电流输出能力,还可以降低供电电压中的波纹,稳定CPU的工作。目前常用的三相供电电路芯片是HIP6301、RT9248、AD3180。其中HIP6301有4个PWM脉冲输出端,因此,HIP6301既可以作为三相控制芯片,也可以作为4相控制芯片。
HIP6301,RT9248,AD3180,HIP6301通常和HIP6602或者HIP6601搭配使用,来完成对三相供电开关管的驱动。RT9248、AD3180通常和ADP3418搭配使用。
目前常用的四相供电电路芯片是ISL6556、HIP6301和L6714(L6714主要应用在支持双核CPU的新型主板中),ISL6556通常和HIP6602或者HIP6601搭配使用,完成对四相供电开关管的驱动。
目前采用HIP6301作为电源控制芯片的主板有升技KT7、KT7-Raid、KT7A、KT7A-Raid,艾威KK266、KK266-Raid,磐英8KTA3,华硕P4T,捷波866ASultra(KT266A芯片组),技嘉81RX(845D芯片组),微星MS-6501(K7D芯片组)等型号。
采用AD3180作为PWM电源管理芯片的主板有的梅捷Inter875、华硕P4P8OO等型号)采用RT9248的主板型号有精英845PE、精英845GV等型号。
采用多相供电电路不仅可以为CPU提供足够可靠的电流,还可以通过分流作用使每相场效应管的减少,从而使供电电路的热损耗降低,为主板的稳定运行创造一个良好的环境。
下面以HIP6301在微星MS-6501主板中的应用电路为例介绍多相供电电路的工作原理,徽星MS-6501主板中的电源供电电路如图下所示。
多相供电电路每相之间是有的,相位差的大小为36d。除以活动脉冲控制端数。有多少相供电就有多少个脉冲控制踹,相应的也就有多少路电流反馈(IsEN)。在多相供电电路中要对电流进行均衡处理,将各通道的电流反馈与总电流除以相数的之差送入电源控制器的比较器中,经过调整后便各通道的电流值等于电流平均值,最终实现各相电流及场效应管负载的均衡。在电压调整方面:通过与电压反馈信号(VsEN)的比较对电压进行调整,实现过欠电压保护和过流保护。