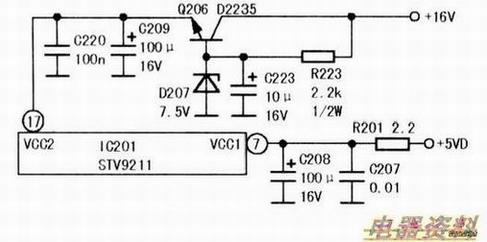
此机启动时,开/关机控制管Q843基极在0.4V(待机)与0.7V(开机)之间跳变,后来指示灯长亮,说明保护动作,整机进入待机状态。短路行管b、e极后接假,再短路Q843的c、e极,+B主电压稳定在+135V,其余各辅助电压也正常,这说明电路正常。拆去行管b、e极短路线,在行管c、e极上并联一只5600pF/2kV的后通电,有高压启动声,测灯丝电压偏低,看来待机保护并非由于行逆程电压过高引起。拆去所并,屏幕上出现不足1Ocm宽的黑白相间横带。代换数字板后无效;检查行场扫描前缀电路301(STV6888),没有发现问题;测场输出级IC302(TDA8177)各脚电压都正常,基本可以排除这些电路出故障的可能性。测显像管三个阴极的电压,均约为150V,说明末级视放基本正常,输入DVD的R、G、B信号(该信号直接送预枧放电路),故障现象无变化。至此,基本把问题锁定在预视放电路IC201(STV9211)中,如图所示,测其(7)脚5VD供电正常,但(17)脚无7V供电。测Q206集电极16V正常,基极的7.5V也正常,且IC201(17)脚对地正反向基本正常。用2N5192代换Q206后,故障排除。
