1.第1步:直观入手,选好入口
识读该图时,首先应寻找边缘处最直观、醒目的元器件,由它们出发可以识读靠近它们的一些单元电路。
(1)由插头寻找输入电路
首先,在该图的左下角,可找到交流电源插头P801,它是电源电路的输入端,是直观易读元件。根据电源电路程式,由P801沿着该电源电路的输入电路可以看到,由C801~C804和T801组成抗干扰网络,主要用于防止电网引入或电源窜出的高频干扰杂波。
接着,可找到由D802~D805组成的低频桥式,其后面接有低频滤波C805。如果输入220V交流,经上述处理后可取得290~320V的不够稳定的直流电压;如果输入110V交流电压,可取得约160~170V直流电压,该直流电压施加到由Q803和T802有关绕组等组成的间歇。
(2)由接口CN801寻找电源输出电路
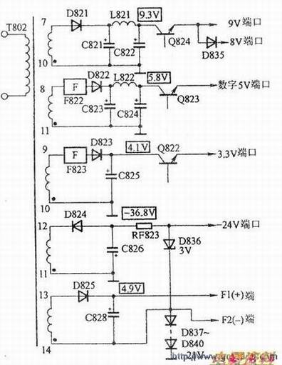
在本电路最右侧,画有插接件接口CN801,它设置14个接线端口,这些端口都已标注有英文缩写字词和有关电压数值,可将此端口视为直观易读元件,作为直观外围入口。由这些端口出发,可逆着电压流向寻找一批单元电路。易知.这些端口都是电源电路的直流输出端,例如:EVER5V、ANALOG5V(模拟5v)、DIGITAL5v(数字5V)、9V/8V、3.3V、-24V以及电压F2(-)、F1(+)等。由这些端口向电路图内部寻找,可以找到这些电压的相应电压源,相关电路如下图所示。
由3.3V端口向内部寻找,可以找到Q822,它应是3.3V模拟稳压调整管,再往前找,可找到T802的绕组⑨~⑩、D823和C825,它们应当是高频脉冲半波整流、滤波电路。脉冲电压经整流、滤波后可输出4.1~4.5V的直流电压,该电压经Q822稳压调整后,可以输出更为稳定的3.3V电压。
由数字5v端口向里找,可找到Q823,它是数字5v,再往前找,可找到T802绕组(8)~(11),以及D822、C823、C824和L822,它们是高频脉冲整流、滤披电路。脉冲电压经D822半波整流后,可取得约5.8V的直流电压,它经C823、C824和L822组成的滤波网络,再经稳压模拟调整管Q823后,可取得稳定的5v直流电压。
由9V/8V端口向里找,可找到D835和开关管Q824,其中,D835可将9V直流电压降压为8.4V左右;再往前找,可找到T802绕组⑦~⑩,以及D821、C821、C822和L821等,它们是高频脉冲整流、滤波电路。脉冲电压经D821半波整流后,取得约9.3V直流电压,再经C821、C822和L821组成的滤波网络,以及开关管Q824后,可输出8V和9V直流电压。
由-24V端口向里找,可找到D836^-D840(共5个),它们结合起来可形成24V稳压电路。
再往前找,可找到T802绕组(11)~(12),以及反向放置的整流二极管D824、滤波C826。脉冲电压经整流、滤波后可输出-36.8V负值直流电压,再经过保险丝降压RF823和群的稳压作用,可输出-24.7V负值直流电压。
接口CN801还设置了EVER5V、ANALOG5V两个端口。由图知,它们分别来自稳压控制Q821的①脚和④脚,估计IC内设置有5v稳压电路。另外,F2(-)和F1(+)两端口,是分别接到T802绕组(13)~(14),其中,(13)端输出的脉冲电压经D825半波整流后,再经C828滤波后,取得正值4.9V直流电压,它送到F1(+)端口:而(14)端应输出负向脉冲电压,经稳压管D837~D840稳压,可输出-21V负值直流电压,它送到F2(-)端口。最后,CN801的③端尚未讨论,待后面专门讨论,至此,读图第1步结束。
