所谓虚拟环绕声就是将多声道环绕声信号处理成为两个声道的信号,经放大后只用两只音箱放送,得到接近于多声道环绕声的效果。这里的多声道环绕声信号可以是四声道的杜比定向逻辑,也可以是5.1声道的杜比数字AC-3,或是环绕声信号。
虚拟环绕声技术应用于一些特殊场合,如房间较小或者无法摆放多个音箱等,此时虚拟环绕声只用两只音箱就能得到环绕声效果。虚拟环绕声也适用于多媒体电脑放音。
1.虚拟环绕声原理
虚拟环绕声是利用人耳感受声音的前、后、左、右方向的方位感特性来进行双声道环绕声放送的。以四声道的杜比环绕声为例,若处理成虚拟环绕声信号,则处理框图如下图所示。

两个前方左、右主声道信号可直接分别送到两个输出声道中,使前方声音具有一定的方位感,中置声道信号可以位、等幅度均衡地分配到两个输出声道中,使声音定位在两个音箱中间。后环绕声道信号则需经过一定的运算或进行特性和特性补偿,再分配到两个输出声道中,后声道信号经这样处理后,虽从前方音箱放送出来,但能让聆听者感受到声音来自后方,从而营造出虚拟的环绕声效果。
人耳对左、右方向声音的方位判别主要是依靠“双耳效应”,入耳对前、后方向声音的方位判别主要是依靠“耳廓效应”,因为人耳的耳廓形状对不同方向传来的声音的相位、幅度和频率特性都有着不同的影响。例如:聆听者右前方传过来的声音,右耳接收的声音中高音成分相对多一些;聆听者右后方传过来的声音,右耳接收的声音中高音成分相对少一些,因为声音经耳廓绕射后高音成分将产生一定的损失。
当然,传到左耳的前、后方同一声音也有一定差异,这样,聆听者就可以判别出声音来自前方还是来自后方。由此可见,将后环绕信号进行频率和相位补偿处理后送到前方音箱放送,同样能使聆听者感受到声音从后方传过来。这种对环绕声信号进行频率和相位补偿的依据,就是人耳对前、后方声音感受上的差异。
2.虚拟环绕声芯片NJM2180介绍
目前已达到实用化的虚拟环绕声技术有多种,较常见的有SRS公司的TruSurround,Spatializer公司的N-2-2,Q-Sound公司的Q-Sur-round,Harman公司的VWAX,Aureal公司的A3D和杜比实验室的虚拟杜比环绕声技术等。
这些虚拟环绕声技术的基本原理相同,但采用的方法有所不同。有些采用频率和模拟处理方法,有些采用数字运算处理方式,有些采用模拟与数字结合处理方式。
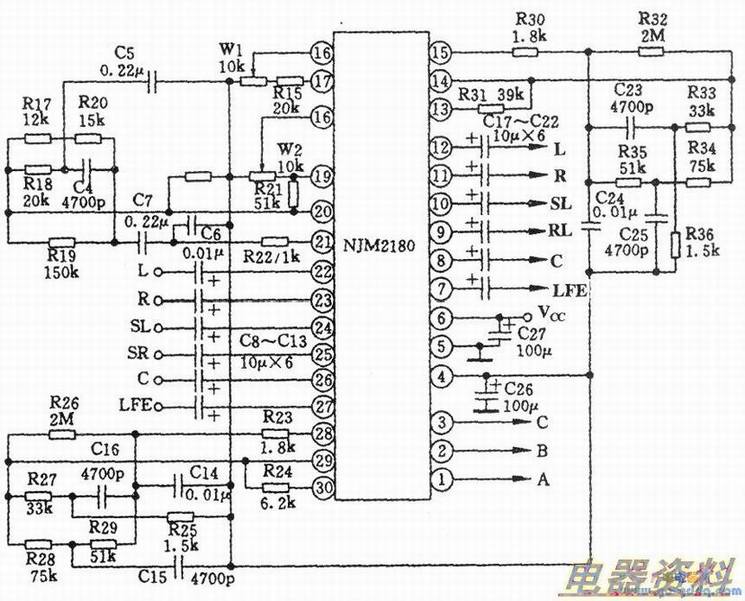
下面介绍虚拟环绕声芯片NJM2180,这是日本无线电公司(JRC)推出的产品,它采用了SRS公司的TruSurround技术。NJM2180应用电路如下图所示。NJM2180共有30个引脚,其中①、②及③脚为工作模式控制脚,22~27脚为信号输入,7~12脚为信号输出,13~15脚及28~30脚外接滤波网络,20和21脚也外接滤波网络,16和17脚外接中置声道增益调整电位器W1,18和19脚外接空间效果调整电位器W2,④脚为基准输出。

NJM2180的工作电压范围为4.7~12V,芯片外接的滤波网络都与听觉特性补偿有关。
NJM2180共有7种工作模式,这7种工作模式的控制及功能说明详见下表所示。
