摘要: 通过对电气控制回路中竞争与冒险问题的实例分析,揭示了问题的隐蔽性和可能产生的后果,提醒电气从业人员对该问题应引起足够重视,及时总结经验,改进设计原理,提高电气 控制系统 的可靠性工作效率和质量。
0 引言
电气控制回路中如果存在竞争与冒险问题,就会直接危及人机安全,造成重大事故,后果不堪设想,因此,在电气控制回路的设计应用中应引起高度重视。在 电子 线 路的设计中,竞争与冒险的问题处于重要的位置,因为该问题的存在关系到系统是否能可靠地工作。另外,由于强电构成的电气控制一般比较直观,易于识读,很少出现竞争与冒险问题,易被忽视。如果在设计中考虑不周或生产、检修过程中控制回路接线错误,都会产生该问题。
1 分析
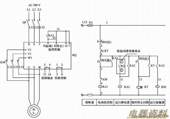
软起动器 起动电机旁路运行后,电机自由停车和延时停机的控制原理图如图1 所示,电机的起动通过中间 KA1 的吸合来实现;起动达速后 中间继电器 KA2 吸合,旁路 接触器 KM 得电,电机旁路运行;SB1 按下时,KA2、KM 线圈 断电,电机自由停车;当按下SB2 时, 时间继电器 KT线圈得电,常开 触点 瞬时闭合并自保持,直至KT的延时断开的常闭触点打开,将KA2、KM 线圈断电,电机停止。该回路从控制原理上分析无问题,但仔细观察会发现延时停止回路存在问题。如果中 间继电器 KA2 和时间继电器KT 采用不同类型的产品时( 如一个采用电磁式继电器,另一个为电子式继电器),由于线圈动作时间相差较大,KA1 和KT 在动作上存在抢时间的问题,即当按下SB2 时,KT 得电并自保持,但当KT 延时断开的常闭触点打开瞬间,KT 的线圈断电,自锁触点打开,KT 的延时断开常闭触点又会瞬时闭合;在KT 延时断开的常闭触点从延时打开到瞬时闭合的时间中,如果KA2 断开,则电机能够停止;否则,电机无法延时停止( 因为还没等KA2 断开,KT 的延时断开常闭触点又闭合了,导致KA2 无法断电)。这种延时停车有时成功,有时失败,其结果是控制回路不能可靠工作,就是典型的竞争与冒险问题。如果KT 是 电子式时间继电器 ( 如 ST3PC-D ),而KA2 又是电磁式中间继电器( 如JZC3 -22 d) ,这时,由于KT总是先完成动作,而KA2 又由于线圈存在剩磁而释放较慢,造成KA2无法可靠断电。若将KT、KA2 改为同一类型继电器(如该例中的KT 改为JSK4-224d),则可解决此类问题。

图1 电机自由停车和延时停机控制原理。
2 改进设计
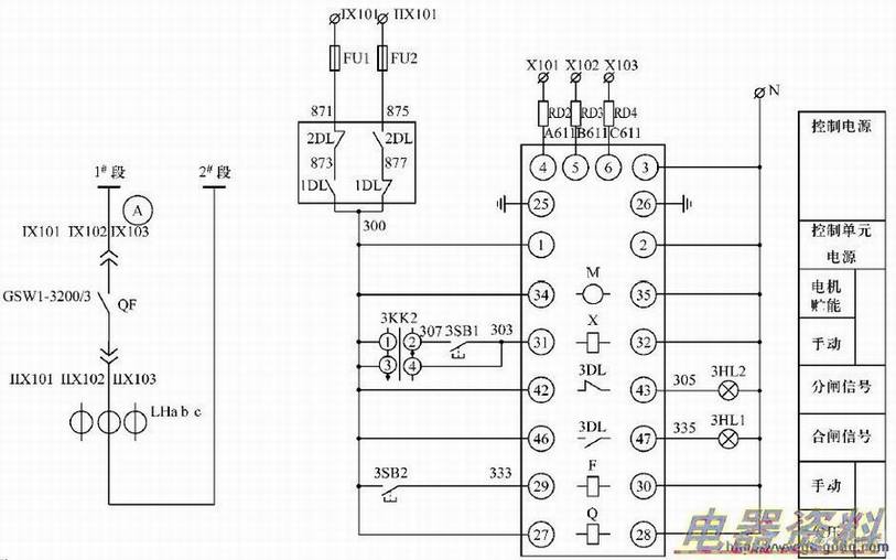
图2 为未改进前的联络柜 控制电路 图。图2中,联络柜中的手动、自动控制的框架式 去消由于原理设计缺陷,转换 开关 在自动档时,欠压线圈Q 与合闸线圈X 得电时出现竞争与冒险问题,造成断路器不能可靠合闸。为了突出主要问题,将其他辅助回路略去,在储能电机已储能时,如果300#线得电,欠压线圈Q 先吸合,则自动合闸成功,否则就失败,即是造成自动合闸有时成功、有时失败的原因。
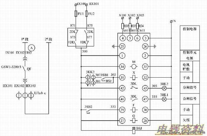
为了能使断路器可靠合闸,线路中增加 延时继电器 BSJ,如图3 所示。当300#线路得电时,欠压线圈Q 得电动作,合闸线圈X 通过通电延时继电器BSJ 延时吸合后得电动作,断路器合闸。

图2 联络柜控制电路图。

图3 增加BSJ 后的联络柜控制电路图。
3 结语
电气控制回路中的竞争与冒险问题具有一定的隐蔽性,在电气控制原理的设计中常常会遇到,设计人员应仔细考虑控制原理的每一个细节,避免此类情况的发生。如果对新设计的控制原理存在疑问,最好能通过试验手段验证。
总之,电气控制回路中的竞争与冒险问题对人机安全危害极大,要尽量避免。