ASTVISON CD-1538S彩显的行扫描(如附图所示)主要由行扫描701(MCl391P)、行激励管Q702、行输出管Q701和T702等组成。其电路中的任何一个环节出问题都会引起无光栅、无显示和光栅不正常的故障现象。通常检修的顺序是:行振荡→行激励→行输出。
一、行振荡和行激励级的检修
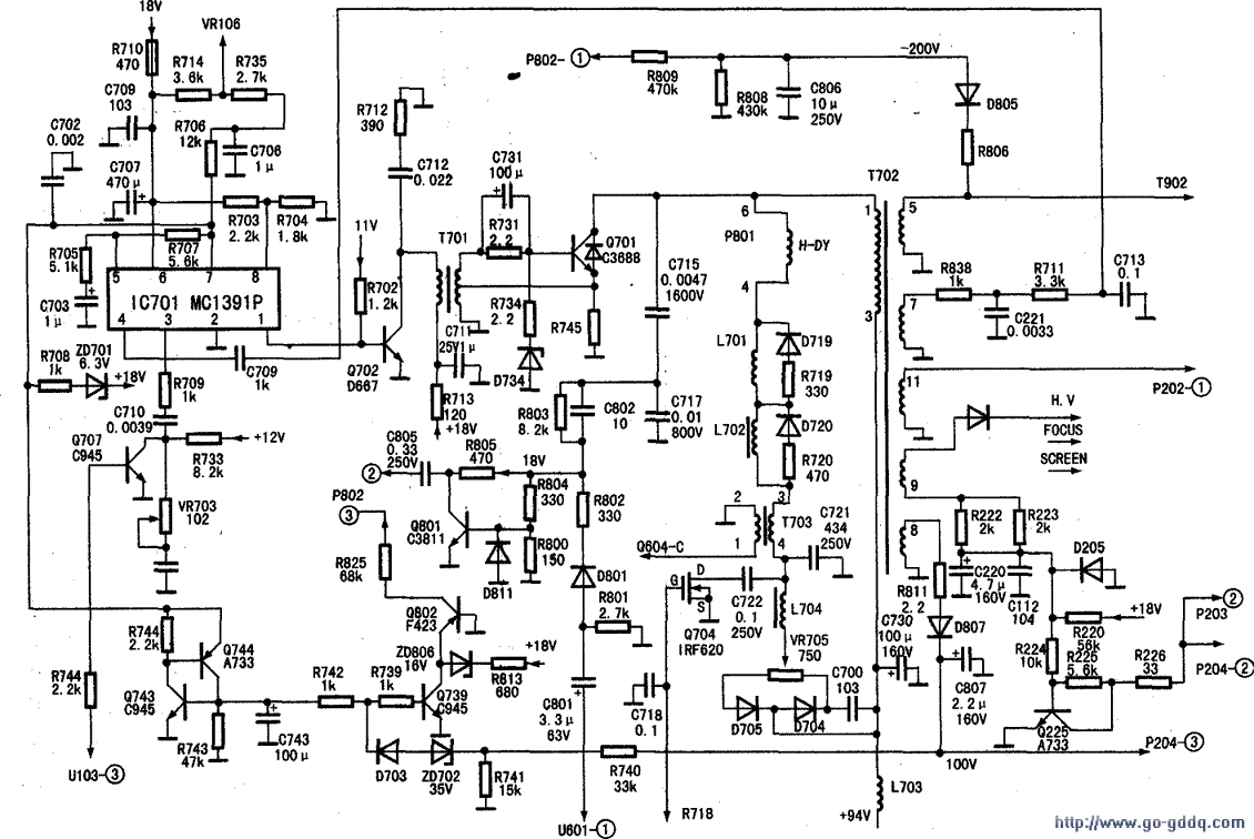
附图为GD-1538S彩显行扫描电路原理简图。MC1391P内含行和行()电路,输出的行激励脉冲占空比可调。该集成块其各脚功能为:①脚行激励信号输出,②脚接地,③脚行同步信号输入,④脚行锯齿波信号输入。⑤脚鉴相信号输出,⑥脚集成块输入。⑦脚行振荡器外接时间常数电路,⑧脚占空比控制。此及外围元件损坏会产生无光栅或光栅不正常的故障。
行振荡电路的故障主要有停振和偏移两种,这两种故障现象的区分是:停振时屏幕上无光栅,无显示;而行频偏移时,屏幕有光栅,但行频不同步,字符飘移不稳。
行振荡电路停振一般是由IC701(MC1391P)集成块⑦脚外接的时间常数电路元件损坏或集成块的振荡器损坏引起:行频偏移一般由行频控制电路的元件损坏引起。
行振荡电路故障检查的方法是:测量IC701①脚的行激励输出端电压(正常为1.2V),或者用示波器检测Q702的基极信号波形。如果检测①脚电压或者信号波形不正常,故障多在MC1391P本身及外围电路元件损坏。在供电电压正常的情况下,应重点检查IC701⑦脚外围电路中各元件,在确认IC701外围元件无损坏时,换新IC701。
如果IC701①脚电压或者Q702的基极输入的行振荡脉冲波形正常,则故障点在行激励和行输出电路上。对于行激励电路故障,应测量行激励管Q702静态工作点及各脚对地值。以及行激励初、次级绕组的值,来找出行激励电路的故障所在。
二、行输出级的检修
行输出级故障主要在行输出管Q701。行逆程C715、C717、行线性、行幅度调整电路,S校正电路中C730、T703、VR705等元件。
1、行输出管损坏行输出管损坏时开机后会出现叫声、无光栅的故障现象。行输出管损坏的原因有:电压过高、逆程老化变质、容量减小、行激励不足、绕组局部短路、行输出管本身性能变差等。
2.电源电压过高电源给行输出级提供在不同的行频下都能得到稳定的高压,并要求行输出级供电电压能随行频的变化而变化。如果电路中自动调压电路元件损坏,使行输出级供电电压过高,就会引起行逆程电压过高而行输出管。
3、行逆程电容不良行逆程电容老化变质,容量减小,会造成行输出管在截止期承受更高的行逆程高压。行输出管迅速截止后,行输出变压器初级线圈不能突变,产生感应即行逆程脉冲高压。行逆程电容量越小,逆程电压就越高。所以,当逆程电容变小时,使行逆程电压过高,会击穿行输出管。
4、行激励不足行激励级和行输出级都工作在开关状态。当行输出管饱和导通时,基极电流不应小于使行输出管进入临界饱和时基极电流的两倍。当行激励不足时,行输出管将退出饱和区进入放大区,管压降便急刷上升。虽电流稍有减小,但功耗将急剧增大,很容易造成行输出管的损坏。
对于行激励不足,首先应检查行激励管的β值大小(正常12~24)如果偏小。可采用增大或减小R713的阻值,增大行激励量,使行输出管工作时温度最低。也可适当减小R731的阻值来实现行输出管工作在最佳状态。
5、行输出变压器局部短路行输出变压器的初、次级线圈都处在很高的电压上,当它的初级线圈发生局部短路时,减小,行输出管因集电极电流增大而损坏,当次级有局部短路,则加重,从而引起行电流增大。损坏行管。
怀疑行输出变压器线圈局部短路时,可断开行输出管供电线路串入,用500mA电流挡测量行输出级供电电流,正常值应在30mA左右。若行电流过大则可判定是高压包线圈局部有短路现象。
6、行输出管性能变差这是指行输出管频率特性变差,存储时间和下降时间较长,放大倍数降低。使行输出管功耗增大造成过热击穿。
行输出级的检修方法是:焊下行输出管,用60W灯泡作假负载连接在此电路之间。开机后,测量供电电压是否过高,正常值为94v。如果电源电压正常,则检查行逆程电容大小。可以采用替换法,用同样型号。容量稍大点的行逆程电容换焊C715;也可以采用并联电容法。将一逆程电容并联在C715的两端。使其容量适当增大。
