
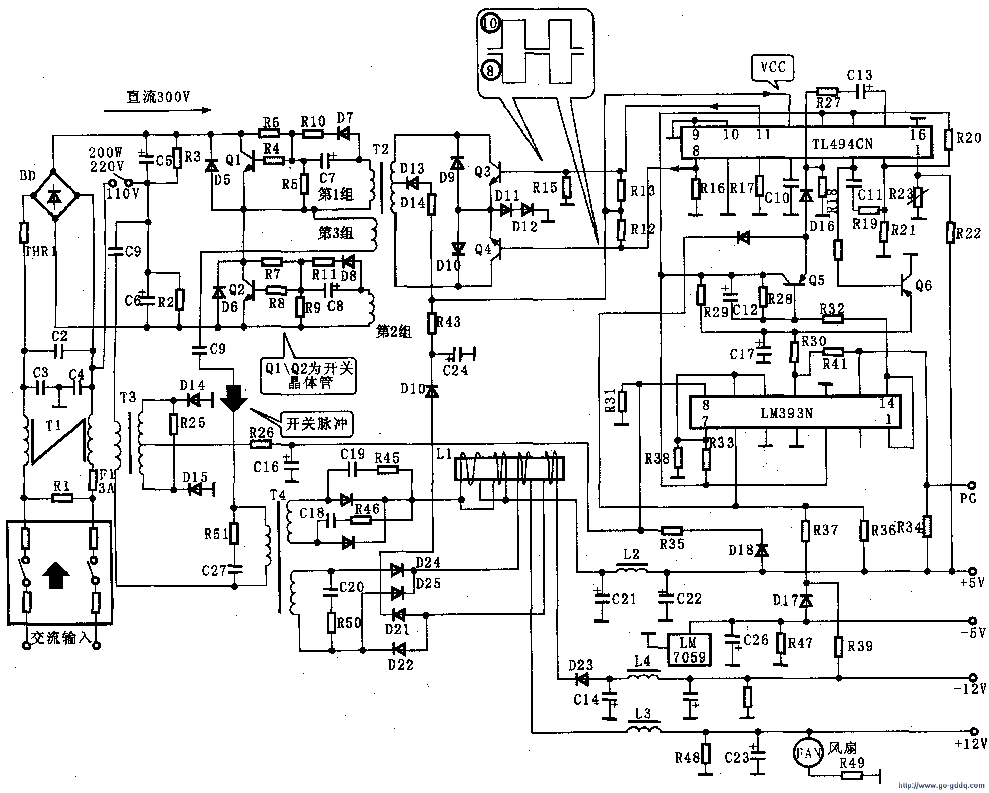
在检查时,将插头插入插座中,这时交流220V就送人了。在正常的时候,电源输出插头的14脚,就是在插头上对应绿色引线的脚,这个脚应该有一个高的输出,一般是4V左右。
可以测量一下14脚与任何一个黑色引线对应脚的电压,一般黑色引线对应的引脚为接地脚,也称地线,在这里就以15脚为接地端。将的黑表笔接到15脚上,红表笔接到14脚上,这时应该有4V左右的电压。这是初始状态,当初始状态有这个电压,就表明电源的初始状态是正常的。
初始状态正常后,再将电源进行启动,启动时将14脚的绿色引线端和15脚的黑色引线端短路。将短路线插到这两个脚中,这时风扇旋转,电源就启动了,多个引脚便开始输出电压。一般情况,看到风扇旋转表明电源进入正常工作状态,如有异常再测量其他的引线端。
将黑表笔接到地线上,红表笔接到其他的各个引脚上,就可以测出各个引脚的电压。检测负电压时要将红表笔接地,用黑表笔测量:ATX电源输出电压规格如表1所列:通过对各引脚的检测,就可以发现电源主插座上的电压是否输出正常。如果在检测当中,任何一个脚都没有电压输出或部分引脚异常,就表明开关电源有故障,需要对开关电源的内部进行检查。
| 引脚号 | 工作电压 | 引脚号 | 工作电压 |
| 1 | 3.3V | 11 | 3.3V |
| 2 | 3.3V | 12 | 12V |
| 3 | 地线 | 13 | 地线 |
| 4 | 5V | 14 | 电源启动端 |
| 5 | 地线 | 15 | 地线 |
| 6 | 5V | 16 | 地线 |
| 7 | 地线 | 17 | 地线 |
| 8 | 电源状态端 | 18 | —5V |
| 9 | 5V-SB | 19 | 5V |
| 10 | 12V | 20 | 5V |