过流检测是通过检测压缩机运行,来控制压缩机开停的电路。
常见过流检测电路有以下两种形式,其电路原理基本相同。
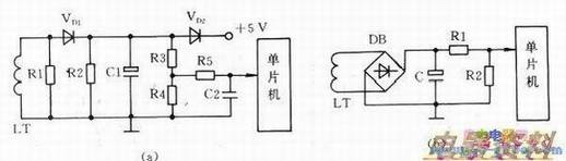
(1)在下图(a)中,LT为器,VD1为整流,Rl、R2为,Cl、C2为低高频,R3、R4为分压,当断电后,VD2为Cl提供放电通路。
当压缩机电流正常时,电流互感器LT输出交流经二极管V。,整流,R3、R4分压,送入进行过流控制。当压缩机过电流时,LT两端交流电压较高,此时输送到单片机的直流电压也较高,单片机经内部判断后使压缩机停止,这样就保护了压缩机在过流时不被损坏。
(2)下图(b)的电路与上述电路原理基本相同,其主要区别是将桥式整流集成块替换成整流二极管VD1,使电路更加简单。
该电路出现的故障,多为压缩机不启动或开停频繁,检修时可通过测量整流二极管VD或桥式整流块输出电压,就能判断该电路正常与否。当互感器LT损坏时,会造成压缩机不过流保护,在判断其好坏时,可将通过互感器的线拆掉,然后再开机,此时,如压缩机不能运行,说明故障在过流检测电路。但有些空调器故障现象正好与上述现象相反,检修时要加以注意。
