三相柜武空调器常采用涡旋式压缩机,由于涡旋式压缩机不准反转,所以增加了相序保护。相序保护电路按电路形式可分为如上图、下图所示。
上图为国内外常用相序保护电路原理图,其中C1~C5为移相器,Rl、R2本身是一个,由于没有72k这一标准值,所以采用两个串联而成。当三相相序正确时,R3与C5串联,其两端将产生220 V,此电压使相序吸合,从而接通控制回路或压缩机接触器线圈回路。当三相相序错误时,R3与C5两端电压只有30V左右,所以相序继电器不会吸合,这样压缩机将不能启动运行。
上图中,R、S、T为三相交流电源,A、B、C为相序继电器常闭与常开触点,根据电路设计的不同,可采用控制常开触点或常闭触点的方法保护压缩机。
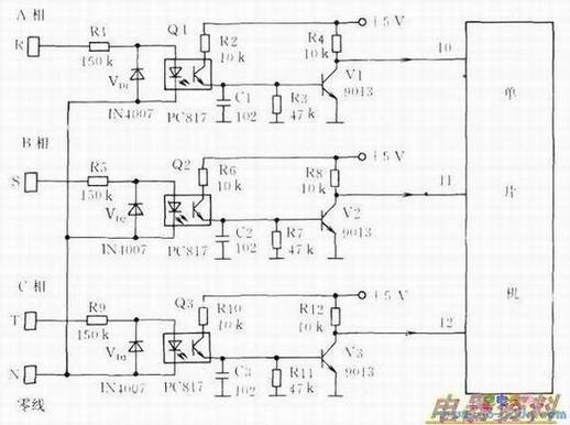
下图为国内外常用的另一种相序保护电路原理图,该电路由三组完全对称的光电耦合电路组成。
当电源在正半周时,电源火线R(A相)经限流Rl进入光电耦合器Ql输入端,至电源零线N形成回路。此时光电耦合器oi输出高,并使三极管Vl导通,即在单片机10脚出现一个低电平信号。当电源在负半周时,光电耦合器Ql截止,三极管Vl基极无输入信号,即单片机10脚为高电平。这样就在三极管集电极输出连续脉冲信号。R2、R4为电阻,R3为偏置电阻。

