过欠压可分为三种:第一种是将采样直接送入进行比较控制;第二种是通过比较器将基准与采样电压进行比较,然后输入单片机进行过欠压控制;第三种是通过比较器将采样电压与基准电压进行比较后,通过直接进行过欠压控制。(具体电路原理参见第6章的6.3节,春兰过欠压电路板。)
第一种过欠压电路如下图所示,电路中,B为,DB1为全桥,Rl、R2为分压,C为。220V经变压器降压、DB1整流、Rl限流、R2分压后,经C滤波送入单片机进行比较控制。当电压过高或过低时,由于采样电路只整流不稳压,所以直流输出电压也随之变化,此电压经单片机内部分析后,然后确定是否进行过欠压控制。

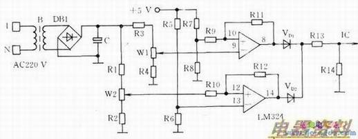
第二种过欠压电路如下图所示,它与图5-16相比较,完全相同,其主要区别是增加了一级比较电路,而不是直接送入单片机比较。其中Wl,LM324的8、9、10脚和外围元件组成欠压保护电路。其中W2,LM324的12、13、14脚和外围元件组成过压保护电路。R5~R8为比较器提供基准电压,R1~R4、R13、R14为分压,VD1、VD2为耦合。

电压正常时,Wl输出电压使LM324的9脚电位大于10脚电位,其8脚输出低,单片机判断电源电压正常。当电源电压低于190V时,Wl输出电压使LM324的9脚电位小于10脚电位,其8脚输出高电平,经VD1、R13、R14分压送入单片机进行欠压判断控制。
电源电压正常时,W2输出电压使LM324的12脚电位小于13脚电位,其14脚输出低电平,单片机判断电源电压正常。当电源电压高于245V时,W2输出电压使LM324的12脚电位大于13脚电位,其14脚输出高电平,经VD2、R13与R14分压送入单片机进行过压判断控制。