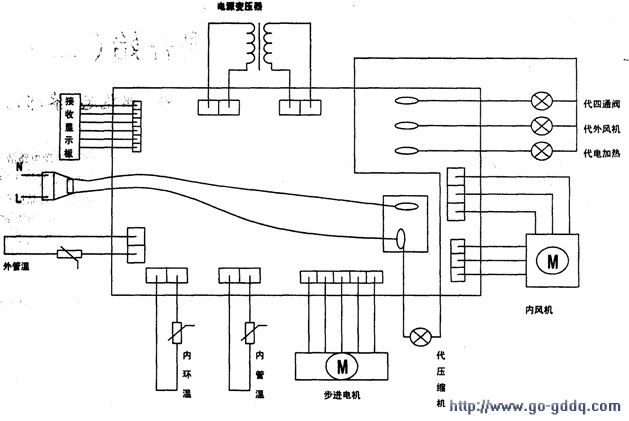
在用户家里修理空调,修理员必备指针式(不要用数字表)、试电笔和逻辑数字信号笔。如果在用户家里一时没有办法修理好板,则要取下电路板,回维修店修理。这就需要按接线图搭建一个简易的模拟运行台,附图为KFR-35GW/EQF电路板模拟运行台,这个时候,示波器可以发挥很好的作用。
1.芯片引脚功能介绍
本机型使用东芝TMP87C446可编程全兼容空调器控制器,各引脚功能定义如附表列示,根据实际需要,由厂家设计人员通过软硬件进行灵活设定,即不是一成不变的。
TMP87C446芯片引脚功能定义
| 脚号 | 功能 | 脚号 | 功能 |
| 1 | 电加热/强除湿 | 22 | 接+5V |
| 2 | 换新风电机驱动 | 23 | 室内温输入 |
| 3 | 室外风机(普通机型)。RXD(变频、—拖二等室外有板机型 | 24 | 管温传感器输入 |
| 4 | 四通阀(普通机)。通信TXD(变频、一拖二等室外有电路板机型) | 25 | 除霜传感器输入 |
| 5 | 压缩机 | 26 | 检测输入 |
| 6 | 蜂鸣器 | 27 | 3分钟延时检测输入 |
| 7 | 风速反馈()弱风驱动() | 28 | 93C46DO(O单冷/1冷暖硬选择) |
| 8 | 红外接收 | 29 | 93C46D1(O单冷/1冷暖硬选择) |
| 9 | 运行 | 30 | 93C46SK(0联机/l单机硬选择) |
| 10 | 电加热LED | 3l | 93C46CS |
| 11 | 定时LED | 32 | 驱动 |
| 12 | 功率LED/压机LED | 33 | 步进电机驱动 |
| 13 | 功率2LED/压机LED | 34 | 步进电机驱动 |
| 14 | 功率3LED/压机LED | 35 | 可控硅触发(可控硅)中风驱动(继电器) |
| 15 | 功率4LED/压机LED | 36 | 步进电机驱动 |
| 16 | 功率5LED/压机LED | 37 | (0可控硅/l继电器硬选择) |
| 17 | 接6ND | 38 | (O单按键/l多按键硬选择) |
| 18 | 复位电路 | 39 | 过零检测(可控硅)强风驱动(继电器) |
| 19 | 接时钟输入 | 40 | 应急按键 |
| 20 | 接时钟输出 | 4l | 0C型/1D型硬选择 |
| 21 | 接GND | 42 | 接+5V |
整机不工作的原因只有三种情况:(1)直流电路故障;(2)电路故障;(3)芯片损坏。实际上难有芯片损坏的现象,如果直流电路有12V、5V两种直流电源,并且晶振有2V左右的(用逻辑数字信号笔测量更准),则基本上可以断定芯片损坏。这时候只有将整个电路板换下,因为芯片由生产厂家写入控制程序,市面上买不到。
