我们可以把简单地看成是具有图形显示的表。
普通的电压表是在其度盘上移动的指针或者数字显示来给出信号电压的测量读数。而示波器则与共不同。示波器具有屏幕,它能在屏幕上以图形的方式显示信号电压随时间的变化,即波形。
示波器和电压表之间的主要区别是:
1.电压表可以给出祥测信号的数值,这通常是即RMS值。但是电压表不能给出有关信号形状的信息。有的电压表也能测量信号的峰值电压和。然而,示波器则能以图形的方式显示信号随时间变化的历史情况。
2.电压表通常只能对一个信号进行测量,而示波器则能同时显示两个或多个信号。
显示系统
示波器的显示器件是阴极射线管,缩写为CRT,见图1。阴极射线管的基础是一个能产生电子的系统,称为电子枪。电子枪向屏幕发射电子。电子枪发射的电子经聚焦形成电子束,并打在屏幕中心的一点上。屏幕的内表面涂有荧光物质,这样电子束打中的点就发出光来。

电子在从电子枪到屏幕的途中要经过偏转系统。在偏转系统上施加电压就可以使光点在屏幕上移动。偏转系统由水平(X)偏转板和垂直(Y)偏转板组成。这种偏转方式称为静电偏转。
在屏幕的内表面用刻划或腐蚀的方法作出许多水平和垂直的直线形成网络,称为标尺。标尺通常在垂直方向有8个,水平方向有10个,每个格为1cm。有的标尺线又进一步分成小格,并且还有标明0%和100%的特别线。这些特别的线和标明10%和90%的标尺配合使用以进行上升时间的测量。我们后面会讨论这个问题。
如上所述,受到电子轰击后,CRT上的荧光物质就会发光。当电子束移开后,荧光物质在一个短的时间内还会继续发光。这个时间称为余辉时间。余辉时间的长短随荧光物质的不同而变化。最常用的荧光物质是P31,其余辉时间小于一毫秒(ms).而荧光物质P7的余辉时间则较长,约为300ms,这对于观察较慢的信号非常有用。P31材料发射绿光,而P7材料发光的颜色为黄绿色。
将输入信号加到Y轴偏转板上,而示波器自己使电子束沿X轴方向扫描。这样就使得光点在屏幕上描绘出输入信号的波形。这样扫出的信号波形称为波形轨迹。
影响屏幕的控制机构有:
—辉度
辉度控制用来调切波形显示的亮度。本书中用作示例的示波器所采用的能够根据不同的扫描速度自动调切辉度。当电子束移动得比较快时,荧光物质受到激励的时间就变短,因此必须增加辉度才能看清轨迹。相反,当电子束移动缓慢时,屏幕上的光点变得很亮,因此必须减小辉度以免荧光物质被烧坏。从而延长示波管的寿命。
对于屏幕上的文字部分,另有单独的辉度控制机构。
—聚焦
聚焦控制机构用来控制屏幕上光点的大小,以便获得清晰的波形轨迹。有些示波器,例如本书用作示例的示波器上,聚集也是由示波器自己进行最佳控制的,从而能在不同的辉度和不同的扫描下保持清晰的波形轨迹。另外也提供手动调节的聚集控制。
—扫描旋转
这个控制机构使X轴扫描线和水平标尺线对齐。由于地球的磁场在各个地方是不同的,这将会影响示波管显示的扫描线。扫迹旋转功能就用来对此进行补偿。扫描旋转功能是预先调好的,通常只需在示波器搬动后再行调节。
—标尺照明
标尺亮度可以单独控制。这对于屏幕摄影或在弱光线条件下工作时非常有用。
—Z
扫描的辉度可以用电气的方法通过一个外加的信号来改变。这对于由外部信号来产生水平偏转以及使用X-Y显示方式来寻找频率关系的应用中是十分有用的。
此信号输入端通常是示波器后面板上的一个BNC插座。
1.2 模拟示波器方框图
CRT是所有示波器的基础。现在我们已经对它有所了解。下面我们就看一看示波管是怎样作为示波器的心脏来起作用的。
我们已经看到,示波器有两个垂直偏转板,两个水平偏转板和一个电子枪。从电子枪发射出的电子束的强度可以用电气的办法来加以控制。
在上术基础上,再增添下面叙述的电路就可以构成一个完整的示波器(见图2)

示波管的垂直偏转系统包括:
—输入衰减器(每通道一个)
—(每通道一个)
—用来选择使用哪一个输入通道的电子开关
—偏转放大器
示波器的水平偏转系统包括:时基、触发电路和水平偏转放大器
辉度控制电路用电子学的方法在恰当的时刻点亮和熄灭扫迹。
为使所有这些电路工作,示波器需要有一个。此从交流市电或者从机内或外部的电池获取能量,使示波器工作。任何示波器的基本性能都是由它的垂直偏转系统的特性来决定的,所以我们首先来详细地考察这一部分。
1.3 垂直偏转
灵敏度
垂直偏转系统对输入信号进行比例变换,使之能在屏幕上表现出来。示波器可以显示峰峰值电压为几毫伏到几十伏的信号。因此必须把不同幅度的信号进行变换以适应屏幕的显示范围,这样就可以按照标尺刻度对波形进行测量。为此就要求对大信号进行衰减、对小信号进行放大。示波器的灵敏度或衰减器控制就是为此而设置的。
灵敏度是以每格的伏特数来衡量的看一下图3可以知道其灵敏度设置为1V/格。因此,峰峰值为6V的信号使得扫迹在垂直方向的6个格内偏转变化。知道了示波器的灵敏度设置值和电子束在垂直方向扫描的格数,我们就可以测量出信号的峰峰电压值。
在多数的示波器上,灵敏度控制都是按1-2-5的序列步进变化的。即灵敏度。设置颠倒为10mV/格、20mV/格、50mV/、100mV/格等等。灵敏度通常是用幅度上升/下降钮来进行控制的,而在有些示波器则是用转动垂直灵敏度旋钮来进行。
如果使用这些灵敏度步进不能调节信号使之能够准确的按照要求在屏幕上显示,那么就可以使用可变(VAR)控制。在第6章我们将会看到,使用标尺刻度来进行信号上升时间的测量就是一个很好的例子。可变控制能够在1-2-5的步进值之间对灵敏度进行连续调节。通常当使用可变控制时,准确的灵敏度值是不知道的。我们只知道这时示波器的灵敏度是在1-2-5序列的两个步进值之间的某个值。这时我们称该通道的Y偏转是未校准的或表示为"uncal"。这种未校准的状态通常在示波器的前面板或屏幕上指示出来。
在更现代化的示波器,例如我们用作示例的示波器,由于彩用了现代先进的技术进行控制和校准。因此示波器的灵敏度可以在最小值和最大值之间连续变化,而始终保持处于校准状态。
在老式的示波器上,通道灵敏度的设置值是从灵敏度控制旋钮周围的刻度上读出的。而在新型的示波器上,通道灵敏度设置值清晰地显示在屏幕上,如图3所示,或者用一个单独的CD显示器显示出来。

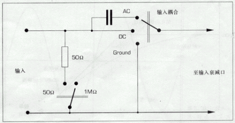
耦合
耦合控制机构决定输入信号从示波器前面板上的BNC输入端通到该通道垂直偏转系统其它部分的方式。耦合控制可以有两种设置方式,即DC耦合和AC耦合。
DC耦合方式为信号提供直接的连接通路。因此信号提供直接的连接通路。因此信号的所有分量(AC和:DC)都会影响示波器的波形显示。
AC耦合方式则在BDC端和衰减器之间串联一个。这样,信号的DC分量就被阻断,而信号的低频AC分量也将受阻或大为衰减。示波器的低频截止频率就是示波器显示的信号幅度仅为其直实幅度为71%时的信号频率。示波器的低频截止频率主要决定于其输入耦合的数值。示波器的低频截止频率典型值为10,见图4。

和耦合控制机构有关的另一个功能是输入接地功能。这时,输入信号和衰减器断开并将衰减器输入端连至示波器的地。当选择接地时,在屏幕上将会看到一条位于0V电平的直线。这时可以使用位置控制机构来调节这个参考电平或扫描基线的位置。
输入
多数示波器的输入阻抗为1MΩ和大约25pF相关联。这足以满足多数应用场合的要求,因为它对多数电路的效应极小。
有些信号来自50Ω输出阻搞的源。为了准确的测量这些信号并避免发生,必须对这些信号进行正确的传送和端接。这时应当使用50Ω特性阻抗的电缆并用50Ω的负载进行端接。某些示波器,如PM3094和PM3394A,内部装有一个50Ω的负载,提供一种用户可选择的功能。为避免误操作,选择此功能时需经再次确认。由于同样的理由,50Ω输入阻抗功能不能和某些探头配合使用。
位置
垂直位置控制或POS控制机构控制扫迹在屏幕Y轴的位置。在输入耦合控制中选择接地,这时就将输入信号断开,这样就可以找到地电平的位置。在更先进的示波器上设有单独的地电平指示器,它可以让用户能连续地获得波形的参考电平。
动态范围就是示波器能够不失真地显示信号的最大幅值,在此信号幅值下只要调节示波器的垂直位置仍能观察到波形的全部。对于Fluke公司的示波器来说,动态范围的典型值为24路(3个屏幕)
相加和反向
简单的把两个信号相加起来似乎没有什么实际意义。然百,把两个有关信号之一反向,再将二者相加,实际上就实现了两个信号的相减。这对于消除共模干扰(即交流声),或者进行差分测量都是非常有用的。
从一个系统的输出信号中减去输入信号,再进行适当的比例变换,就可以测出被测系统引起的失真。
由于很多电子系统本身就具有反向的特性,这样只要把示波器的两个输入信号相加就能实现我们所期望的信号相减。
交替和断续
示波器CRT本身一次只能显示一条扫迹。然而,在很多示波器应用中,常常要进行信号的比较,例如,研究输入/输出信号间的关系,或者一个系统对信号的延迟等。这就要求示波器实际上能同时显示不只一个信号。
为了达到这一目的,可以用两种办法来控制电子束:
1.可以交替地画完一条扫迹,再画另一条扫迹。这种方法称为交替模式,或简称为ALT模式。
2.可以在两条扫迹之间迅速的进行开关或斩波切换,从而分段的画出两条扫迹。这称为断续模式或CHOP模式。其结果是在一次扫描的时间里一段接一段的画出两条扫迹。
断续模式适合于在低时基速率下显示低频率信号,因为这时斩波器开关能快速进行切换。
交替模式适合于需要使用较快时基设置的高频率信号的显示。本书中我们用作示例的示波器在不同的扫描速度下能自动地ALT或CHOP模式以给出最好的显示效果。用户也可以手动选择ALT或CHOP模式以适合特殊信号的需求。
带宽
示波器最生根的技术指标就是带宽。示波器的带宽表明了该示波器垂直系统的。示波器的带宽定义为示波器在屏幕上能以不低于真实信号3dB的幅度来显示信号的最高频率。
—3dB点的频率就是示波器所显示的信号幅度“Vdisp”为示波器输入端真实信号值“Vinput”的71%时的信号频率,如下式所示:设:
dB(伏)=20log(电压比)
—3Db=20log(Vdisp/Vinput)
—0.15=log(Vdisp/Vinput)
10-0.15=Vdisp/Vinput
Vdisp=0.7Vinput
图5表示出一个100MHz示波器的典型曲线。

带宽限制器
使用带宽限制器可以把通常带宽在100MHz以上的宽带示波器的频带减小到20MHz的典型值。这样就降低了电平和干扰,这对于进行高灵敏度的测量是非常有用的。
上升时间
上升时间直接和带宽有关。上升时间通常规定为信号从其稳态最大值的10%到90%所用的时间。
上升时间是一个示波器从理论上来说能够显示的最快的瞬变的时间。示波器的高频响应曲线是经过认真安排的。这就保证了具有高谐波含量的信号,如方波,能够在屏幕上精确的再现。如果频响曲线下降太快,则在信号的快速上升沿上就会发生振铃现象。如果频响曲线下降太慢,即在频响曲线上下降开始得过早,则示波器总的高频响应就受到影响,使得方波失去“方形”特性。
对于各种通用示波器来说,其高频响应曲线是类似的。从该曲线我们可以得到一个示波器带宽和上升时间的简单关系公式。此公式为:
tr(s)=0.35/BW(Hz)
对于高频示波器来说,这个公式可以表示为:
tr(ns)=350/BW(MHz)
对于一个100MHz的示波器来说,上升时间为3.5(ns=纳秒10-9秒)
在示波器的标尺上刻有标明0%和100%的专门的线,用来进行上升时间的测量。测量时我们先用VAR灵敏度控制机构将被测认号的顶部和底部分别和标有0%和100%的线对齐。
然后找出信号和标尺上标有10%和90%的两条线的交点。这样,上升时间就可以从这两个交点沿X轴方向的时间间隔读出来。
要想测量一台示波器的上升时间,我们使用与上述相同的方法,只是要求测试信号的上升时间应当比该示波器的上升时间短得多。为获得2%的测量误差,测试信号的上升时间至少应小于示波器上升时间的五分之一。示波器上显示的上升时间应当是示波器上升时间和信号上升时间和组合函数。其关系为
trdisplayed=√(trsignal2+trScopeM2)
请记住这个公式,你将发现它是很有用的。