EAGLE是功能强大而又简单易学的设计软件,它包含原理图编辑器和印板设计编辑器及自动铺线编辑器。本软件可从.caft.de上免费下载。下面来设计一个简单的电路,如图所示。
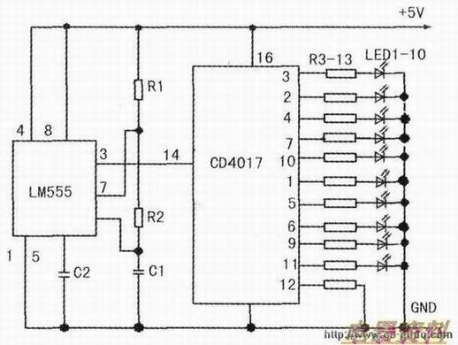
首先启动EAGLE,得到图2界面,然后分析电路构成.555时基集成块;4017十进制计数器;两只;12只;10只。分别属于EAGLE库的liner;40**;caitor;discrecte;.Supplyl。我们在设计电路之前须先打开这些元器件库,以备调用。具体方法:在图2控制面板的library项前单击‘+’,出现图3所示屏面。击打相应库的灰色小球,使之成绿色大球,这些库的元器件就可用了。在图2的控制面板中右击projects,新建一个工程,取名myprjecto如图4所示。下面开始设计原理图,先右击myproject,随即在触发菜单中选择new\schamito将要编辑的原理图命名为fgdl。如图5所示。图5即为原理图编辑界面,在这里就可编辑电路图了:第一步,调入幅框,单击add标签,触发了应用库,寻找frames,并打开,选择一个合适的幅框,就可在其中画原理图了。第二步,调入各元器件,击打ADD标签,在应用库中找到40**,单击‘+’号,找到4017,并单击这时光标处就会吸附一个4017的符号,移动光标,带着符号移动符号到图中合适的地方,单击放下。这时你会发现这个符号只有14个针脚,缺少脚,这时可单击INVOKE标签,击打器件,触发一个选择菜单,如图6所示。然后选择P项,光标处就会吸附一对针脚,把它放在合适的地方。然后再用同样方法放置其元器件。第二步,连结网线与结点。击打NET标签,将各个元器件的针脚连结起来。连结时侯要用“单击起点双击结束”的方法。连结电源针脚可在最先或最后进行,要用到的符号可在SUPPLY1中找到,并用ADD命令添加到合适的地方。



