1.天津大学精密仪器与光电子工程学院 教育部光电信息技术科学重点实验室,天津, 300072
2.深圳大学理学院应用物理系,深圳,518060
3.南开大学、天津大学联合研究院,天津, 300072
4. 激光技术国家重点实验室(华中科技大学),武汉,430070
【摘要】:本文介绍了光纤Raman放大器的基本原理和偏振依赖性,讨论并比较了采用保偏光纤、偏振复用器、消偏二极管泵浦和后向泵浦四种用于减少偏振依赖性的解决方案。
【关键词】:光纤Raman放大器、偏振依赖性、增益
【Abstract】:The
features of Raman amplifier, especially the polarization dependence of gain are
introduced in this paper. The schemes of decreasing the polarization dependence
of Raman gain,such as polarization keeping fiber, polarization WDM, depolarized
diode pump and backward pumping are discussed.
一、 引言
人们对光纤Raman放大器的研究实际上要早于掺铒光纤放大器(EDFA),但因当时技术条件不够成熟,在很长一段时间内Raman放大器的发展几乎停滞。近年来,几项关键性技术(如包层泵浦光纤激光器[1]、Raman激光器[2]、特殊结构的多量子阱激光二极管
[3][4])的发展又为Raman光纤放大器的实用化创造了条件。Raman放大器不仅可以改善和升级现在服役的WDM通讯系统[5],还可以利用WDM技术的多波长泵浦得到的宽带Raman放大器,满足对带宽和信噪比的一些特殊要求[6]。
Raman放大器还可以用来开辟光纤新的光波段[7]。图1是标准光纤和全波光纤在在各波段上的损耗。EDFA工作在C波段(1530~1565
nm)和L波段(1565~1625 nm.),而S波段(1480
~1530nm)与EDFA波段有着差不多一样的损耗,此外还有S+波段(1430~1480nm)都是潜在的通信波段。尤其是国外开发的“全波光纤”的单模光纤,全波光纤消除了在第二传输窗口1310nm区(1280nm~1325nm)和第三传输窗口1550nm区(1380nm~1565nm)之间的1383nm波长附近的一个水吸收峰。其与普通单模光纤相比,在水峰处的衰减降低了2/3,使有用波长范围增加了100nm,即打开了第五个传输窗口1400nm区(即1350nm~1450nm区),使原来分离的两个传输窗口连成一个很宽的大传输窗口,使光纤的工作波长从1280nm延伸到1625nm。因此Raman放大器可以用来开辟从1280-1530
nm新的通信窗口,而EDFA却不能胜任。未来Internet的飞速发展和语音、数字、图像三网合一业务的增长,都使对带宽的需求急剧扩大,可以预见太比特级网络和ULH(数千公里超长距离)网络的时代已经来临,这也对WDM系统的设计提出了新的挑战。所以,在未来通信系统中Raman放大器将扮演重要角色。
图1光纤中的几个典型窗口
二、 Raman放大器基本原理和特点
受激Raman散射(SRS)是光纤中的一个非常重要的光学现象,它是入射的光子与介质分子振动的声子相互作用的结果,如图2
所示,入射光子(常作为泵浦光)经过分子的散射作用成为另一个低频(Stocks)光子,
同时其余能量转移给声子,分子完成了振动态之间的跃迁。当一束信号光和一个强泵浦光在光纤中同时传输时,如果信号光的波长位于泵浦光波长的Raman增益谱宽之内,就会由于光纤中SRS效应而被放大,利用这种机理制成的光纤放大器即是我们所说的光纤Raman放大器(Fiber
Raman Amplifier),或称FRA。

图2 Raman放大原理示意图
受激Raman散射的一个重要特征是表现出了阈值行为,只有当泵浦功率超过某一阈值时,才能利用SRS使信号光得到放大。图3是Raman放大器典型的增益曲线。Raman放大器是利用传输光纤本身作增益介质,并具有很宽的增益谱和较低的等效噪声指数,还可以通过调整各个泵浦的功率来动态调整信号增益平坦度。理论上只要有合适的Raman泵浦源,就可以对光纤窗口内任一波长的信号进行放大。

图3 相对泵浦波长偏移的典型Raman增益曲线
三、 Raman放大器偏振依赖性问题
Raman放大器的重要特性就是放大强烈依赖泵浦光和信号光的偏振方向。典型特性如图4所示。当泵浦光和信号光的偏振面平行时,增益最大;当泵浦光和信号光的偏振面垂直时,几乎不能产生增益。
图4典型偏振依赖特性曲线
四、 Raman放大器偏振依赖性问题解决方案
为了解决Raman放大器偏振依赖性问题,可以采取以下方案:
1、 采用保偏光纤法
在分立式放大器中可行,在分布式放大器上很难实现,因为这要很长的保偏光纤,长距离的保偏光纤很难制作的。因此成本较高,难于应用到目前的通信系统中。
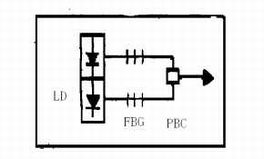
2、 采用偏振复用器。该方法在分布式Raman放大器上用的较多,如图5所示。
图5用偏振复用器(PBC)消除信号增益对泵浦的偏振依赖
两个同频率的相互正交的半导体激光器光束通过光纤布拉格光栅(FBG)稳频进入偏振光纤耦合器(PBC)偏振复用之后,出射的泵浦光即是消除偏振的。信号的增益将不再有偏振敏感性。目前商品化的利用WDM技术多波长泵浦的Raman放大器是采用此方案。
3、 消偏二极管泵浦法[8]

图6 泵浦LD的消偏试验装置图
对泵浦LD消偏不仅可以减少Raman放大器的偏振依赖性,还可以减少泵浦LD的数量。实验装置如图6所示。1465nm的Fabry-Perot 激光二极管由光纤光纤激光器稳频后,通过消偏控制器和保偏光纤进行消偏。偏振度DOP在偏振保持光纤PMF长度为3米时减少到几个百分点。对于泵浦LD的相干长度来讲足够长,对于损耗和成本来讲足够短。
图7三种光纤情况下的Raman增益谱(后向泵浦)
用两个消偏LD,就可以实现C波段Raman增益谱。图7是色散补偿光纤、色散移位光纤和单模光纤三种光纤的Raman增益谱(后向泵浦)。从图中可以看出三种光纤的增益谱几乎是重合的。
4.
后向泵浦法[9]
Sergei Popov and Evgeny Vanin
测量了色散补偿光纤、色散移位光纤和单模光纤三种光纤Raman增益在同向传输机制和相反传输机制情况下的偏振依赖特性[9]。实验数据表明,色散补偿光纤、色散移位光纤后向泵浦呈现很低的偏振依赖性。色散补偿光纤并且与其他类型光纤相比,具有较大的Raman增益。而前向泵浦时,Raman放大器呈现不同的偏振依赖性。实验同时表明,使用短的单模光纤(125km)和增加泵浦功率,无论前向和后向泵浦都表现出偏振依赖性。
图8是色散补偿光纤Raman增益在同向传输机制和相反传输机制情况下的偏振依赖特性。前向传输结果如图9中左图所示;后向泵浦果如图9中右图所示(信号光和泵浦光在相反方向传输),可以看到对偏振态不敏感,即使使用精密仪器也难以测到其差异。。

图8 光纤Raman放大器前向泵浦和后向泵浦的偏振依赖性
五、 结束语
Raman光纤放大器的“任意”工作波长特性、宽带增益特性、分布放大特性以及可以用普通光纤作为增益介质等特点是其特有的内在优势。它的良好发展前景依赖于外在技术条件的日趋成熟。除文中所提的技术外,噪声抑制、减小串扰、改善分布放大特性等也是Raman放大器需要解决和改善的问题。在进一步的实用化过程中,器件稳定性等因素也将成为研究内容。此外,随着光网络的发展,Raman光纤放大器在光网络中的使用和控制也有待深入研究。
【参考文献】
[1] Nilsson, J.; Alam, S.-U.; Alvarez-Chavez,
J.A.; Turner, P.W.; Clarkson, W.A.; Grudinin, A.B.;High-power and tunable
operation of erbium-ytterbium Co-doped cladding-pumped fiber lasers, Quantum
Electronics, IEEE Journal of , Volume: 39 , Issue: 8 , 2003 ,P987 – 994.
[2]
Nilsson, J.; Selvas, R.; Belardi, W.; Lee, J.H.; Yusoff, Z.; Monro, T.M.;
Richardson, D.J.; Park, K.D.; Kim, P.H.; Park, N.; Continuous-wave pumped holey
fiber Raman laser, Optical Fiber Communication Conference and Exhibit, 2002. OFC
2002 , 17-22, 2002, P315 – 317.
[3] Po-Wei Liu; Min-Han Lee; Hao-Hsiung
Lin;Growth and characterization of low-threshold 1.3 /spl mu/m GaAsSb quantum
well laser, Lasers and Electro-Optics Society, 2002. LEOS 2002. The 15th Annual
Meeting of the IEEE , Volume: 2 , 10-14, 2002, P552 - 553.
[4] Tappura, K.;
Aarik, J.; Pessa, M.; High-power GaInP-AlGaInP quantum-well lasers grown by
solid source molecular beam epitaxy, Photonics Technology Letters, IEEE ,
Volume: 8 , Issue: 3 , 1996, P319 – 321.
[5] Nobuhiko Kikuchi, Kenneth
Kin-Yip Wong, Katsumi Uesaka, Novel In-Service Wavelength-Band Upgrade Scheme
for Fiber Raman Amplifier, IEEE Photonics Technology Letters, VOL. 15, NO. 1,
2003, P27-29.
[6] Shu Namiki and Yoshihiro Emori, Ultrabroad-Band Raman
Amplifiers Pumped and Gain-Equalized by Wavelength-Division-Multiplexed
High-Power Laser Diodes, IEEE Journal on Selected Topics in Quantum Electronics,
VOL. 7, NO. 1, 2001, P3-16.
[7] Mohammed N. Islam,Raman Amplifiers for
Telecommunications,IEEE Journal on Selected Topics in Quantum Electronics, VOL.
8, NO. 3, 2002, p548-558.
[8]Yoshihiro Emori, Shun-ichi Matsushita and Shu
Namiki, Cost-effective depolarized diode pump unit designed for C-band flat-gain
Raman amplifiers to control EDFA gain profile, Volume: 4 , 7-10 ,
2000,4p106~108.
[9]Sergei Popov and Evegeny Vanin, Polarization dependence of
Raman gain on propagation direction of pump and probe signal in optical fibers,
CLEO, 2001, p146-147.
受到:教育部南开大学、天津大学科技合作基金项目
国家自然科学基金(60278001)
激光技术国家重点实验室(华中科技大学)
高等学校博士点基金项目
天津市光电子联合科学研究中心(013184011)
天津市科技发展计划项目
国家科技部“八六三计划”[2002AA311190]
国家自然科学基金(60278032)
可调谐(气体)激光技术国防科技重点实验室(哈工大)[51472030301JW1401]
天津大学研究生院优博基金课题[2001]01项目
河南省激光应用技术重点实验室(郑州大学)等单位
的资助