功能先进的显示器渐成为现今消费电子产品的重要特色,这些新型显示器所发挥的作用,通常会强化使用者对于整体产品的印象,而这样的印象最终会决定该产品在市场上会多成功。使用者在面对行动电话和口袋型计算机时,对新型显示器的印象尤为重要,因为高分辨率彩色屏幕已成为这些产品的必备功能。多种新型显示技术正扩大其市场占有率,包括新出现的OLED显示器在内,它们拥有超高的对比值、快速的响应时间和宽广的视角。就像其它新技术一样,厂商正利用不同的LED 材料 (聚合物或小分子)、主动或被动矩阵控制、电流和电压驱动技术,以及不同的偏压供应电路来评估和制造不同的解决方案。本文将讨论各种OLED技术和适当的偏压电源供应电路,而关于OLED技术和驱动方法的选择,也会影响电源供应电路的需求。工程师所面临的挑战为如何选择最适当的电源供应电路,以便支持电池供电型可携式装置,以及特定OLED显示器的需求。
OLED技术的优缺点
内广视角及良好的色彩饱和度是OLED显示器的主要优点,它在这方面远胜过液晶显示器等其它技术;除此之外,OLED显示器也是一种自发光技术,因此不但不需要背光照明,还能提供比液晶显示器更快的响应时间以支持多媒体应用。目前市场上的OLED材料有两种,分别是小分子和发光聚合物;相较于标准LED,这两种技术的电路参数都很类似,它们的发光强度是由LED顺向偏压电流决定,液晶显示器的像素亮度则是由加在液晶像素的电压决定。OLED显示器的另一项优点是它能使用现有的基板技术,这和薄膜晶体管 (TFT) 液晶显示器的基板技术完全相同,主动矩阵OLED显示器可以使用非晶硅 (a-Si) 或低温多晶硅 (LTPS) 的TFT 基板。
现有OLED技术的主要挑战之一是它的寿命时间,这项限制源自于RGB色彩的衰减速度并不相同,特别是当大部份显示内容为白色时,它需要这三种原色同时发出相同的亮度。受到这些色彩限制的影响,单色显示器就成为市场上最早出现的显示器,全彩显示器只用于在产品寿命期限的多数时间内会将显示器关掉的应用。第一种全彩显示器用于数字相机,但对于使用电池的可携式产品来说,全彩显示器仍有其问题。OLED显示器在功耗上必须与液晶显示器竞争,对于不需要为液晶显示器提供背光照明的应用,它的功耗远低于OLED显示器。如果启动液晶显示器的背光照明,则会根据显示内容来决定OLED是否需要较多的功耗;如果显示内容大部份是白色,OLED的功耗仍会超过液晶显示器,但随着「白色」画面内容逐渐减少,功耗差别将不再是问题。在户外使用OLED显示器是OLED技术的另一项挑战。由于这种屏幕受到光子撞击时会开始发光,所以在户外使用OLED显示器时,画面对比会降低,可读性也跟着变差。
OLED技术层面的缺点使它们目前较适合可携式装置的小型屏幕,但随着这项技术逐渐成熟,也能应用于大型显示器。短期而言,笔记型计算机或桌上显示器对于 OLED是过于困难的挑战,因为在显示大量「白色」图片内容时,RGB色彩会出现不同的老化速度。但在电视机面板应用上,OLED的未来技术却极有展望,因为这类应用不需要显示大量的「白色」图片内容。
被动矩阵显示器需要一组电源升压转换器
1至2吋的被动矩阵OLED屏幕是目前的市场主流,主要用于行动电话,大多数做为贝壳型手机的外屏幕。对于仍在初期阶段的OLED技术来说,这些单色或双色被动矩阵显示器是最理想的应用对象。图1是这类显示器的简单示意图,它的寻址方式非常类似标准的被动矩阵液晶显示器。主要区别在于OLED是一种电流驱动型装置,因此OLED显示器的驱动电路就和液晶显示器有所不同。
图1:被动矩阵OLED显示器的简单示意图
被动矩阵OLED显示器需要一组正电压来做为它的电源或偏压,这组正电压和液晶显示器所使用的电压非常类似,它必须提供低功耗和高效率,解决方案的体积也要很小。随着显示器尺寸和分辨率不同,OLED驱动组件需要15 V到20 V之间的电压,因此电感式升压转换器是最理想的解决方案。
图2是使用TPS61045的解决方案。 
图2:升压转换器将OLED显示器的输入与输出隔离
输入端与输出端的电气隔离是OLED偏压电源供应的另一项重要要求,这在选择电源供应时非常重要。标准升压转换器所用的萧特基二极管,会提供一条从输入到输出的直接路径,使输出电压大约等于输入电压;但若应用系统需要开机或关机的电源顺序功能,或是将关机模式的泄漏电流减至最小,这个路径就会成为问题来源。图2所示组件利用内建MOSFET开关切断输入和输出之间的联机。
主动矩阵显示器需要正负偏压电源供应
若应用需要较高分辨率、较大显示面积、更高对比和快速反应时间,它们可以使用图3所示的主动矩阵OLED显示器。
图3:主动矩阵显示器的简单示意图
OLED像素的导通和寻址是由主动开关控制,这个开关则由薄膜晶体管担任,它的制造技术和TFT液晶显示器完全相同:电流源已经简化到只需要一个 MOSFET与OLED串联。有些设计会使用电压驱动架构,有些则采用电流驱动架构,所有设计都需要二至四颗,甚至更多的整合式薄膜晶体管。为了克服不同颜色OLED像素的不同老化速度问题,某些解决方案会在电路中整合一颗光敏晶体管,由它来设定较大的OLED电流,避免像素亮度随着时间减弱。低温多晶硅 (LTPS) 基板的组件结构较小,因此若工程师想在基板上做出更多的主动组件,这将是一项优点。目前这种基板所用的技术有两种,分别是低温多晶硅和非晶硅。
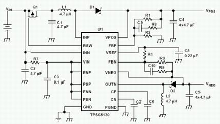
除了提供正负电压做为视频讯号驱动器的电源之外,主动OLED显示器的偏压电源供应电路还必须提供偏压,让列选择 (row select) 薄膜晶体管能够导通和截止。由于偏压的电压值很高,所以电感性升压转换器是最合适的解决方案。为了将解决方案的体积减至最小,图4所示的完全整合式升压转换器,除了会提供正电压之外,还利用反相器来提供负电压。
图4:单颗组件同时提供正电压和负电压
为了将关机模式的泄漏电流减至最少,同时替正电压提供电源顺序功能,图4中的组件会控制另一颗采用SOT-23或更小封装的外接MOSFET晶体管 (Q1)。这颗组件使用锂离子电池做为输入电源 (2.7 V至5.5 V),并提供高达+15 V和-15 V的输出电压,以及整合式800 mA/2 A的开关限流功能,使得输出电流最高可达200 mA。欲提供电源给OLED显示器,输出电压涟波必须很小,开关频率也必须固定,才能将OLED显示器的画面失真和交互耦合效应减至最少。就此而言,采用 1.38 MHz固定频率PWM机制的TPS6513x,正是提供电源给OLED显示器的理想选择。虽然在负载电流范围内,提供高精确度的稳压输出对于电压驱动的液晶显示器特别重要,但它对于电流驱动的OLED显示器并不会构成太大问题。有些显示器在户外使用时需要较大的电流,在室内则可将电流减少,它们还必须在很宽广的负载电流范围内提供很高的电源效率。由于标准升压转换器只能在目标负载电流下实现最佳效率,因此TPS65130还另外提供一种可由使用者选择的「省电模式」,它能将开关频率和静态电流降低,使得组件在整个负载电流范围内都能维持很高的工作效率。
结论
随着OLED技术逐渐成熟,它的市场占有率也会不断上升,这种技术在手机、数字相机和口袋型计算机屏幕的应用潜力都很惊人。主动矩阵显示器将来可能取代被动矩阵显示器成为市场主流,OLED显示器驱动组件也会变得更先进,OLED偏压电源供应电路则将开始微小化和特殊化,这在本文所介绍的部份解决方案中都曾加以讨论。对于电源供应组件技术,主要挑战则在于如何同时提供高效率和最小体积的解决方案。(电子技术)