基础篇
编者记 青少年爱好者初涉电子技术领域,不妨先从最新颖的电子器件--音乐和语音入手,一开始就贴近新知识、新技术,从较高层次入门电子技术,由此走进异彩纷呈的电子世界大观园,亲身去体验和感悟电子科学的神奇与奥秘。如果说《小芯片大用处》那组文章是作者试图通过30个有趣的小,构筑成一架纷繁变幻的电子万花筒奉献给青少年朋友的话,那么《语音集成电路入门速成三部曲》,则是作者力求从基础知识、电路资料和实用范例等方面出发,让青少年爱好者在实践中初步学习并掌握一定的电子知识和技能,早日走入电子的世界。
我们平常所看到和接触到的语音集成电路,其封装形式大部分如图1所示。图1(a)是双列直插式塑料封装集成电路(),俗称硬封装电路,按引脚数分为8脚、14脚、16脚等,每个引脚都有不同的功能。通常引脚越多,集成电路芯片的体积越大,电路功能也越强,价值当然也就越高。图1(b)是印板封装集成电路(),俗称软封装电路,它是把集成电路芯片直接封装在印刷电路板上的简易半导体集成器件。软封装电路工艺简单、生产短、成本较低,而且可以多次修复,所以合格率非常高。目前消费类电子产品普遍采用这种软封装电路。



①
语音集成电路芯片又称裸片,它采用多层光罩技术将语音电路单元和数字化语音信息掩膜在半导体芯片中,其制造工艺非常复杂,生产周期约45天。掩膜前用户必须作以下项目选择:1.触发方式选择一边沿触发(EDGE),触发一次,电路动作一次,即使触发信号持续保持着也只以动作一次;触发(LEVEL),触发信号持续保持着,则语音重复输出直到触发停止,最后段语音输出完毕即停止。2.输出方式选择一持续输出(UNHOLD),触发动作一停止,当段语音继续输出到完毕后停止;非持续输出(HOLD),触发动作一停止,语音输出立刻停止。3.单键触发方式选择一循环放音(SEOUENTIAL),每触发一次输出一语音内容,循环播出各段语音;单键全放(PLAY ALL),一次触发后各段语音依次全部播出;随机放音(RING),一次触发后无规律输出各段语音。4.后段盖前段/无后段盖前段选择一在现有的语音段尚未结束时,又触发另一段语音,则前段语音无论播放到何处都立即停止,后段语音将盖过前段而放音,这就叫做后段盖前段。5.矩阵触发/键盘触发方式选择一矩阵触发方式(MATRIX),即利用输出口和输入口纵横交错之点构成触发输入;键盘触发方式(KEYBOARD),既利用十位数键与个位数来组成所要触发之段数。这两种触发方式主要用于超过二十段语音触发。6.方式选择一语音输出时,发光以固定闪烁;使发光二极管随语音输出信号强弱同步闪烁;与语音输出信号有一同步电平信号输出,驱动发光二极管或产生级连信号。7.输出选择一可通过光罩选择输出(COUT)分别为1.5mA,3mA和4.5mA等,输出电流小,芯片的功耗就小,且输出音量较小;反之,输出电流大,芯片的功耗则越大,输出音量就较小。
语音信号的采样频率是决定语音电路音质好坏的最重要因素。一般来说,采样频率必须是语音频带宽度的2信以上,比如,要保存最高频率为6K带宽的频谱,这时采样频率最低必须为2×6KHz=12KHz。通常线的带宽为3KHz,如果以电话的音质为准,7KHz的采样频率就能满足要求,而处理一般的音素,用12KHz采样就可基本达到高保真音质的水平。语音电路的数字合成有多种方法,目前最常用的两种方法为清形存储法和参数分析合成法。表1列举了语音合成的几种主要方式。表2列出若干鲜为人知的语音合成电路清单,供读者选用。下面以HT81230语音电路为例,介绍语音电路的主要参数及各种应用电路。
|
方式 |
比特率 |
数据容易程度 |
原始语音波形的处理方法 | ||
|
波形存储方式 |
方式 |
PCM方式 |
64~200 |
容易 |
基于时间轴的采样之后,转换且数字化 |
|
DPCM |
32~64 |
基于时间轴的采样之后,根据原始采样的差分信号A/D转换且数字化 | |||
|
DM |
10~32 |
基于时间轴的采样之后(诸如数据增或减),根据原始采样的差分信号数字化作为一位 | |||
|
预测编码方式 |
DPCM |
10~32 |
针对一位而言,以DPCM方式优化差分信号值的宽度 | ||
|
ADM |
10~32 |
针对一位而言,以DM方式优化差分信号值的宽度 | |||
|
APC |
10~16 |
算法中是综合了直接波形编码方式和分析合成方式二者的优点 | |||
|
分析合成方式 |
线性预测编码方式 |
PARCOR |
1.2~9.6 |
困难 |
制作一个珍有使用泛音自动校准的灵敏字的声道模型 |
|
LSP |
1.2 |
表示语音频谱,即呈现线频谱密度 | |||
|
|
规则合成方式 |
|
极其困难 |
将语音分成音素这个最小单元,另外校准重音和语调 | |
表2
|
序号 |
语音内容 |
|
1 |
请随手关门 |
|
2 |
请带好钥匙 |
|
3 |
正在消毒,请稍候,请使用 |
|
4 |
禁止合闸,线路有人工作 |
|
5 |
请注意关气 |
|
6 |
酒后别开车,祝你一路平安 |
|
7 |
瓦斯超限,危险,快撤离 |
|
8 |
当!禁止吸烟,禁止烟火 |
|
9 |
请检查灯光,请检查线路,请检查机油 |
|
10 |
请注意车辆,别乱穿马路 |
|
11 |
有电危险,请勿靠近 |
|
12 |
注意保温,注意换尿布 |
|
13 |
叮咚!您好请开门 |
|
14 |
爸爸、妈妈、爷爷、奶奶 |
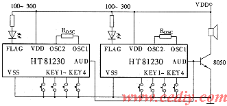
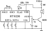
图2所示为HT81230型2.8秒语音集成芯片脚位座标图,表3是它的脚位座标数据,HT81230型芯片的外形尺寸为2160×2450(μm)2,图3是HT81230型芯片外部接线图。图4是HT81230双列直插塑封集成电路引脚排列图,典型应用电路图见图5所示。表4列出HT81230各引脚功能简单说明,表5是HT81230集成电路电气参数。每种型号的语音集成电路都应给出上述3图3表。初学者通过图2~图5、表3~表5就可以掌握HT81230型语音集成电路的基本特性及应用电路。依据图2、图3,我们可以按照实际需要设计出各种不同的印刷电路板(如图6所示),非常实用灵活。

表3 单位:μ m
|
引脚号 |
X座标 |
Y座标 |
|
1 |
-949.25 |
-1040.75 |
|
2 |
-764.25 |
-1040.75 |
|
3 |
380.75 |
-1040.75 |
|
4 |
565.75 |
-1040.75 |
|
5 |
750.75 |
-1040.75 |
|
6 |
944.75 |
-1040.75 |
|
7 |
899.75 |
1023.75 |
|
8 |
714.75 |
1023.75 |
|
9 |
529.75 |
1023.75 |
|
10 |
344.75 |
1023.75 |



|
引脚号 |
引脚名 |
I/O |
功能简介 |
|
1 |
OSC1 |
I |
输入端 |
|
2 |
FLAG |
O |
发光二极管输入端 |
|
3 |
VSS |
I |
负极 |
|
4 |
NC |
- |
空脚 |
|
5~8 |
KEY1~KEY4 |
I |
触发输入端 |
|
9~13 |
NC |
- |
空脚 |
|
14 |
VDD |
I |
电源正极 |
|
15 |
AUD |
O |
音频输出端 |
|
16 |
OSC2 |
O |
振荡器输出端 |
表5
|
名称 |
测试条件 |
最小值 |
典型值 |
最大值 |
单位 | |
|
VDD |
条件 | |||||
|
工作 |
- |
- |
2.4 |
- |
5 |
V |
|
工作电流 |
3V |
Fosc=96KHz |
- |
200 |
400 |
μA |
|
静态电流 |
3V |
- |
- |
1 |
3 |
μA |
|
输出电流 |
3V |
VOH=0.6V |
-1.5 |
-2 |
- |
mA |
|
静出电流 |
3V |
VOH=0.3V |
1.5 |
3 |
- |
mA |
|
高输入电压 |
- |
- |
0.8VDD |
- |
VDD |
V |
|
低输入电压 |
- |
- |
0 |
- |
0.2VDD |
V |
|
振荡频率 |
3V |
Rosc=260kΩ |
76 |
96 |
116 |
kHz |

⑥
在图6电路中,HT81230语音集成芯片一共有10个焊盘,由微电脑铝丝压焊机采用一种比头发还细的特殊金属丝,将它们分别压焊在印刷电路板上,专业人员通过显微镜检查,确认无误,然后用黑色环氧树脂混合胶将芯片封装(图6黑色圆圈部分)。HT81230的10条引脚,分别与图6印刷电路板的10条印制线路相连接,其中第1脚VDD接到电源正(+)端,第⑥脚VSS接电源负(-)端,3V直流电源通过这两条引脚向IC供电。第③脚OSS2和第④脚OSS1之间外接振荡ROSC,适当调整该的值,可改变IC内部的频率,从而达到调节放音速度的快慢。第⑤脚FLAG通过电阻将发光二极管VD接到电源正端,当电路播放语音时,VD发光方式有3种,第1种是放音时长亮,第2种是伴随放音产生3HZ频闪,第3种是语音播放结束瞬间闪亮一下,这3种发光方式在掩膜前选择确定。第②脚AUD输出音频信号,通过NPN型硅三极管放大,直接推动8Ω工作。第⑦~⑩脚KEY1~KEY4分别接4只微动开关,控制触发4段不同的语音内容,语音IC触发电平分为高电平和低电平2种,HT81230为低电平触发方式。
下面再介绍HT81230的几种应用电路,供初学者参考。
1.并联应用电路 如图7所示,将两片或多片语音内容不相同的电路的输出端连接在一起,电路采用并联接法。这种并联应用电路,可以扩展语音段数。

2.串联应用电路 如图8所示,将两片或多片语音内容不同的电路输出端接在一起,发光二极管输出端FLAG与下一片电路的触发端KEY相连接(发光二极管输出方式应选择上述第3种),第1片电路的输出信号作为第2片电路的控制触发信号,两片电路采用前后级串联控制方式。这种应用电路不但可以扩展每段语音的时间长度,而且还能简化电路。例如:第1片电路贮存着4段不同的语句,并要求每个语句后面加播一段音乐,就可以采用这种串联控制电路。

3.上电自动播放电路 应用电路见图9,该电路所不同之处是在IC的触发端KEY与VSS间串接一个0.1μ F和1.2MΩ电阻,当电路接通电源时,由于的作用,IC被瞬间触发,语音播放完毕自动停止工作。

4.上电循环播放电路 电路见图10,这时的触发端KEY直接接VSS,当接通电源时,电路自动循环播放,直至切断电源。

5.可调整音量应用电路 图11的音频输出端AUD外接1KΩ微调电阻和10μ F电容,这样可以改变三极管的输入电压,从而实现调节音量的目的。

6.差动放大电路 见图12所示,由8050型NPN硅三极管和8550型硅三极管以及IN4148型整流二极管等构成差动放大电路,使电路输出的声音特别响亮。

7.外接功率放大电路 如图13所示,通过10KΩ电位器的滑动接点,可外接LM386、TDA2003等功率放大集成电路,以获得更大的输出功率。

此外,还有光控、声控等多种应用电路,由于篇幅所限,就不一一赘述。
资料篇
在全世界范围内,我国是语音集成电路的生产大国,同时也是语音电路的消费大国。语音集成电路的生产基地主要集中在我国的台湾、香港、深圳、广州等地。目前语音电路主要有MSS2800系列和HT16000、HT8100、HT8200系列。这几大系列大致可分为数字语音合成系列、自适应脉冲编码语音合成系列、语音+音乐语音合成系列、阵列式语音合成系列及语音合成系列五类。下面分别介绍这五大系列语音电路的有关资料,供读者参考。
数字脉冲编码语音合成系列 数字脉冲编码调制是将语音的模拟量信号变为数字量信号,即对语音波形进行周期采样,再经模/数(A/D)转换,最后把采样值变成“0”、“1”的数字序列。这是最常用的语音合成方法。表1列出常见HT系列数字脉冲编码调制语音合成电路。图1分别为各型号集成电路的引脚排列图。该系列语音电路的电源电压为2.4~5V,工作电流为200μA,静态电流为1μA。图2是HT16520型的3种基本应用电路图。





|
产品型号 |
语音长度 |
触发键 |
输出口 |
语音格 |
封装形式 |
|
HT16500 |
11.2sce |
6 |
1 |
508 |
16DIP |
|
HT16520 |
16.8sec |
6 |
1 |
508 |
16DIP |
|
HT81140 |
1.4sec |
2 |
1 |
61 |
16DIP |
|
HT81230 |
2.8sec |
4 |
1 |
124 |
16DIP |
|
HT812D0 |
2.8sec |
4 |
1 |
124 |
16DIP |
|
HT812K0 |
2.8sec |
16 |
2 |
508 |
24/SOP |
|
HT81330 |
5.6sec |
8 |
1 |
252 |
16DIP |
|
HT813D0 |
5.6sec |
8 |
2 |
380 |
16DIP/SOP |
|
HT813K0 |
5.6sec |
16 |
2 |
508 |
24P |
|
HT81430 |
8.4sec |
16 |
1 |
508 |
24DIP |
|
HT814DO |
8.4sec |
16 |
2 |
508 |
24DIP |
|
HT81530 |
11.2sec |
16 |
1 |
508 |
24DIP |
|
HT815A0 |
11.2sec |
4 |
12 |
508 |
24DIP |
|
HT81600 |
14sec |
16 |
1 |
508 |
24DIP |
|
HT81630 |
14sec |
16 |
2 |
508 |
24DIP |
|
HT81730 |
16.8sec |
16 |
1 |
508 |
24DIP |
|
HT817AO |
16.8sec |
14 |
2 |
508 |
24DIP |
|
HT817D0 |
16.8sec |
16 |
2 |
508 |
24DIP |
|
HT81800 |
22sec |
16 |
1 |
508 |
24DIP |
|
HT818D0 |
22sec |
16 |
2 |
508 |
24DIP |
|
HT819D0 |
4.2sec |
6 |
2 |
252 |
24DIP |



自适应脉冲编码语音合成系列 自适应脉冲编码调制方式是按照语音模拟信号变换率来改变数字量,即在脉冲编码调制方式中,相应改变其量化幅值。一般来讲,自适应脉冲编码调制方式合成语音的音质要比数字脉冲编码调制方式的好。这种语音合成方式主要用于外接的长时间语音播报系统或其它产品的语音接口。表2为自适应脉冲编码语音合成系列电路一览表。图3是该系列各集成电路的引脚排列图。

|
产品型号 |
触发键 |
语音长度 |
编码算法 |
取样频率 |
封装形式 |
|
HT82003 |
|
1365sce |
|
|
28SDIP/SOP |
|
HT82013 |
4 |
456sce |
3bit |
4k~11k |
24SDIP/SOP |
|
HT82011 |
8 |
342sce |
4bit |
3k~8k |
28SDIP/SOP |
HT82003是具有20级计数及3个选择输出端的语音合成电路,采用28脚双列直插塑封。其电源电压为2.4~5V,工作电流为2.8mA,静态电流为1μA。HT82011为外接EPROM的语音合成电路,其电源电压为3.5~5V,工作电流为1.5mA,静态电流为5μA。在采用3.58MHz,取样频率为6kHz时,HT82011外接8MBEPROM,语音长度为456秒。HT82011采用28脚双列直插塑封。HT82013为24脚双列直插塑封,可外接3块8MB的EPROM,语音长度最长可达1368s。
语音+音乐语音合成系列该系列 语音合成电路主要应用于玩具类产品。它可采取语音和音乐混合播放方式,也可以采用一路(或多路)播放语音,另一路(或多路)播放音乐的方式。表3是该系列常用电路一览表。该系列电路的电源电压为2.4~5V,工作电流为200μA,静态电流为1μA。图4是该系列的典型应用电路。
|
产品型号 |
触发键 |
语音长度 |
语音格 |
节拍 |
音程 |
段数 |
|
HT3844 |
2 |
1.4sce |
512 |
32 |
4 |
8 |
|
HT3864 |
8 |
5.6sce |
2048 |
32 |
4 |
32 |
|
HT3874 |
2 |
4.2sce |
2048 |
32 |
4 |
32 |
|
HT387B |
2 |
11.2sce |
2048 |
32 |
4 |
32 |
|
HT3894 |
16 |
11.2sce |
4096 |
32 |
4 |
64 |

阵列式语音合成系列 该系列语音合成电路利用四路或四路以上的输入输出口组成矩阵键盘。图5是64键应用电路图。该系列语音电路也可采用外挂微处理器(CPU)方式,实现语句拼读等功能。

微处理器语音合成系列 该系列语音合成电路内含微处理器、LCD驱动器、时钟振荡器、输入输出口、多段语音存储器和音频信号放大器等电路单元。该系列电路主要用于语音钟表、体温计、电子台历、智能语音玩具等。图6为MSSμ001的典型应用电路图。

语音集成电路的发展是无止境的,全世界半导体厂商几乎每天都推出新型语音集成电路。以上资料只是对目前常见的几个主要品种作概略的介绍,疏漏错误之处,敬请指正。
应用篇
本篇从电路原理、元器件规格及选用等方面介绍各种类型语音集成电路的应用实例。以便让初学者对语音电路有一个较深入的认识和了解。初学者除了掌握各种语音电路的基本原理之外,更重要的是必须多动手实验,灵活应用,最终才能举一反三和运用自如。
1.光控式语音警示电路 光控语音警示电原理图见图1。整个电路由光控电子开关和3秒语音集成电路两部分组成。图1中VT1和晶体三极管VT2,电阻R1、R2、R3和电容C1、C2等构成光控开关电路。语音集成电路IC及三极管VT3、电阻R4、R5等构成语音放大电路。图2是该电路的印刷电路板图。平常在光源照射下,VT1呈低阻状态,VT2饱和导通,IC的触发端③脚得不到正触发脉冲而不工作,扬声器无声。当VT1被物体遮挡时,便产生一负脉冲电压,并通过C1耦合到VT2的基极,导致VT2进入截止状态,IC获得一正触发脉冲而工作,输出音频信号通过VT3放大,推动扬声器发出声响。声响内容可根据不同场合选择不同的语音电路来产生,例如高压电网或配电房等场所,可选用“高压重地,禁止入内”、“有电危险,请勿靠近”等语音集成电路。


图3是另一种形式的光控语音电路。当周围光照度变暗时,VT1呈高阻值状态,VT2因基极电位低而截止,语音芯片IC不工作。当有光线照射时,VT1内阻迅速下降,VT2因基极电位上升而导通,IC被触发工作。当IC选用“天亮了,快快起床”语音集成电路时,图3所示电路便成了语音报晓器电路。当将图3电路用于保险柜门开提醒装置时,语音IC可选用“保险柜已打开,请注意关闭”语音电路。
2.“韵律操”语音电路 该电路的电原理图见图4。IC为内储一首10秒韵律操音乐旋律的语音集成电路,它采用按键触发方式,可直接驱动8Ω扬声器或压电陶瓷蜂鸣器,通过三极管还可驱动3V直流电机工作,电源电压3~5V。该电路主要用于电动玩具、都市休闲小音响等。

语音IC的OSC为振荡器输入端,外接200kΩ振荡电阻。TEST为电路测试端,平时空置不用。TG为电路触发端,高电平有效,按一下输出一次,触发停止,语音继续输出直至完毕后停止。IO1为电机驱动输出端,通过三极管VT1和VT2驱动直流电机M旋转工作。IO2为信号电压输出端。IO3为信号电压输出端,IO2、IO3直接推动扬声器工作,或驱动蜂鸣片发声。
3.升国旗奏国歌语音电路 升国旗奏国歌语音电路的电原理图见图5。IC为14脚双列直插塑封集成电路,它是一片语音长度为60秒、采用高采样频率优质语音集成电路制作的“中华人民共和国国歌”电路。在IC的14根引脚中,②脚为升旗触发端S2,高电平有效。当该端瞬间接正电源端,IC工作,在奏国歌同时输出升旗触发信号。⑤脚为降旗触发端S4,高电平有效,触发该端时,输出降旗信号,无音频信号输出。⑦脚为音频信号输出端AUD,其输出信号通过VT1放大,推动扬声器工作。⑧脚为升旗信号输出端STS1。当国歌奏响时,该端输出一高电平同步信号,用以控制升国旗驱动电路。⑨脚为降旗信号输出端STS2。当S4触发时,该端输出一高电平同步信号,用于控制降旗驱动信号。
脚为振荡电路输入端OSC。该端外接电阻,用于调节放音速度;其余各引脚为空端。图5所示电路电源电压为3~6V。VT1选用8050型NPN小功率硅三极管。图6是外接LM386电路的升国旗奏国歌语音电路。


4.标准汉语拼音发音示教板电路 学习汉语就必须正确掌握汉语拼音的标准发音。图7是汉语拼音标准语音电路电原理图。图中IC采用60秒阵列式语音电路,电路内储存23, , 个声母、24个韵母、16个整体认读音节,由ROW1~ROW8和COL1~COL8组成8×8矩阵键盘,每个按键对应触发一种发音。图8是该电路的印刷电路板图。图中的VT采用8050型小功率硅管,电阻选用1/8W金属膜电阻,扬声器可选用1/4W、8Ω磁电式扬声器。该电路采用3~6V电源电压。图9是适用于该示教板电路的整流、稳压和功放电路图。汉语拼音示教板电路可制成示教黑板,并采用磁控、无线电子教鞭,也可用于发声电子图书等。



5.语音电子词典 语音电子词典的电原理图见图10。语音电子词典采用美国德州仪器有限公司推出的50C30长时间语音电路。MSP50C30是一种高压缩比、低率的语音电路,它内含8位、4KROM、28个I/O口、23条地址线和8条数据线,可直接驱动8~16Ω扬声器,由单5V电源供电。封装形式有100个引脚T封装和68个引脚COB封装。MSP50C30可直接外挂8MROM,适合开发长时间语音应用电路,如发声词典、电脑语音图书、语声学习机等。LCD点阵驱动模块的D0~D7数据线和A0、E1、E2、R/W4条控制线,分别接MSP50C30的C口和D口。C口输出显示数据及指令,并通过D口作相应控制,以实现英文、汉字及各种点阵图案的显示。A0~A7、B0~B7接键盘开关,最大可构成64键的键盘。由于该电路采用了超大规模集成电路,因而整个电路包括集成电路在内不超过10个元器件,外电路十分简单。
