
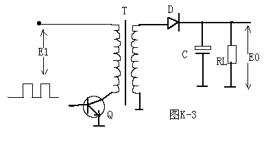
图K-3是并联型开关电源的最基本电路图,Q为开关输出管,T为脉冲,D为整流,C是,R为,因开关管Q与输入直流E1并接,所以属并联型开关电路,脉冲变压器耦合开关电路有正向激励和反向激励两种形式,正向激励方式--开关管导通期间,次级脉冲整流二极管也导通,而在截止期间,开关管Q与二极管D都截止.反向激励方式--开关管导通期间D截止,而Q截止期间D导通
该电路的工作过程与行输出电路类似,开关脉冲信号加至Q的基极,当输入 脉冲为正时,Q饱和,此时初级线圈上的电压特性为上正下负,次级感应电压则是上负下正,D反偏截止,
当Q基极输入负脉冲时,晶体管Q截止,Q的集电极电位上升为高,此时T的次级感应电压是上正下负,D正向偏置而导通,C充电,取得直流输出电压E0,T在这里可看作储能元件,当开关晶体管Q导通,但二极管D截止时,初级线圈储存能量,当Q截止时,T则释放能量,此时二极管D导通.
这里我们需要说明一个问题,当Q截止时,T的初级跃变为零,并失去回路,次级如何有电压输出?线圈的电流不是不能跃变的吗?这一问题我们可从能量不能跃 变这一概念来理解,因中的能量是以磁能形成存在的,一般的只有一个绕组,而脉冲变压器有初,次级两个绕组,在开关晶体管Q从导通变为截止时的瞬间,初级线圈电流突变为零,而T便将能量转移到次级,这时二极管导通,次级线圈有感应电流产生,感应电流所产生的与转换瞬间前的相同,而保持磁通量不变.输出电压E2有以下关系式:
E2=E1×η2/η1×Tc/T0,η2和η1是初次级匝数,Tc是晶体管导通时间,To是截止时间.为此我们可以通过控制Tc/To比使来调输出电压E2的高低.
下面我们以电路实例来对此种电路加以分析说明,图K-4是一种彩电的实际开关电源电路.
电路工作过程如下:开机后,整流滤波电路建立的直流电压E1经上R302加至Q304基极,随之使Q304导通,产生集电极电流,该电流在初级绕组产生感应电压,极性是8脚正,1脚负,在次级绕组9-10脚形成感应电压使Q304基极电位更正,从而使集电极电流上升,这是一个正反馈过程使Q304通过进入饱和导通,这一线性上升的电流,流过Q304发射极R313产生相应的线性上升锯齿波电压降,此压降经R312及电容C310(隔直电容)耦合至Q303基极,与此同时变压器11-12脚的绕组输出的方波脉冲经D306整流,C312滤波建立了一取样电压En经R304,VR301,R305分压加至Q301基极,使 Q301集电极上保持与其有关的直流电压,再经R30准,R309分压加至Q302基极,因此Q302基极加有一直流电压并叠加上锯齿波电压,Q302,Q303是开关控制电路,它工作在两个状态,一是一齐导通,二是一齐截止,在Q304截止期间,T301的10-9脚绕组感应得到的方波脉冲电压是10脚为正,此电压经D307整流在C314上充有电荷.在Q304导通期间在R313上的锯齿波电压使 Q303导通后,C314上的电压加到Q304的基极与发射极之间,使Q 304趋向截止,Q304截止后导通期间脉冲变压器所储存的能量通过次级绕组开始释放,经变压器耦合使 D320导通,C321滤波输出获得稳定的直流输出电压.当次级绕组能量释放至很小时,初次级电路均不导通,电路处在高阻状态,初级绕组电感与分布电容C组成的并联谐振电路产生谐振,谐振所产生的感应电压经脉冲变压器的反馈绕组(10-9脚)又使Q304基极有正电位而导通,从而进入饱和导通状态,开关电路进入下一个新的振荡.
稳压控制过程:当输出直流电压上升时,相应的取样电压即电容C312上的电压变上升,经R304,VR301,R305分压,使 Q301的基极电位上升,经Q301比较放大,使Q302的基极直流电位下降,Q302基极是直流误差电压与锯齿波电压的相加,由于Q302基极上的直流误差电压下降,型晶体管Q302更容易进入导通,也就是锯齿波电压的幅值较小时,就引起Q302的导通,这一锯齿波与Q304集电极的线性上升电流有关,即Q304集电极电流上升较小值 ,就导致Q302的导通,又使Q303基极电位上升而导通,电容314电压加至Q304的b-e结,使Q304截止.
以上过程使Q304导通时间Tc减少,开关振荡频率升高,输出直流电压值与Tc成正比,Tc减少,最后引起输出直流电压下降,达到稳压的目的.