一、电路的功能和组成每个电子设备都有一个供给能量的电源电路。电源电路有整流电源、逆变电源和三种。常见的家用电器中多数要用到直流电源。直流电源的最简单的供电方法是用电池。但电池有成本高、体积大、需要不时更换(则要经常充电)的缺点,因此最经济可靠而又方便的是使用整流电源。电子电路中的电源一般是低压直流电,所以要想从220伏市电变换成直流电,应该先把220伏交流变成低压交流电,再用变成脉动的直流电,最后用电路滤除脉动直流电中的交流成分后才能得到直流电。有的电子设备对电源的质量要求很高,所以有时还需要再增加一个稳压电路。因此整流电源的组成一般有四大部分,见图l。其中变压电路其实就是一个铁芯,需要介绍的只是后面三种单元电路
(1)半波整流
半波整流电路只需一个二极管,见图2(a)。在交流电正半周时VD导通,负半周时VD截止.R,。上得到的是脉动的直流电。
(2)全波整流
全波整流要用两个二极管,而且要求变压器有带中心抽头的两个圈数相同的次级线圈,见图2(b)。负载R1。上得到的是脉动的全波整流,输出比半波整流电路高。
(3)全波桥式整流
用4个二极管组成的桥式整流电路可以使用只有单个次级线圈的变压器,见图2(c)。负载上的电流波形和输出电压值与全波整流电路相同。
(4)倍压整流
>

用多个二极管和器可以获得较高的直流电压。图2(d)是一个二倍压整流电路。当U2为负半周时VDl导通,Cl被充电,C1上最高电压可接近1.4U2;当U2正半周时VD2导通,Cl上的电压和U2叠加在一起对C2充电,使C2上电压接近2.8U2,是Cl上电压的2倍,所以叫倍压整流电路。
三、滤波电路
整流后得到的是脉动直流电,如果加上滤波电路滤除脉动直流电中的交流成分,就可得到平滑的直流电。
(1)滤波
把电容器和负载并联,如图3(a),正半周时电容被充电,负半周时电容放电,就可使负载上得到平滑的直流电。
(2)滤波
把和负载串联起来,如图3(b),也能滤除中的交流成分。
(3)l、C滤波
用1个电感和1个电容组成的滤波电路因为象一个倒写的字母“L”,被称为L型,见图3(c)。用1个电感和2个电容的滤波电路因为象字母“x,',被称为丌型,见图3(d),这是滤波效果较好的电路。
(4)RC滤波
电感器的成本高、体积大,所以在电流不太大的电子电路中常用器取代电感器而组成RC滤波电路。同样,它也有L型,见图3(e);n型,见图3(f)。
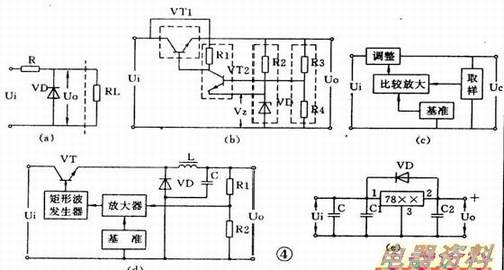
四、稳压电路
交流电网电压的波动和负载电流的变化都会使整流电源的输出电压和电流随之变动,因此要求较高的电子电路必须使用稳压电源。
(1)并联稳压电路用一个和负载并联的电路是最简单的稳压电路,见图4(a)。图中R是限流。这个电路的输出电流很小,它的输出电压等于稳压管的稳定电压值V;。

(2)串联型稳压电路
有放大和负反馈作用的串联型稳压电路是最常用的稳压电路。它的电路和框图见图4(b)、(c)。它是从取样电路(R3、R4)中检测出输出电压的变动,与基准电压(Vz)比较并经放大器(VT2)放大后加到调整管(VTl)上,使调整管两端的电压随着变化。如果输出电压下降,就使调整管管压降也降低,于是输出电压被提升;如果输出电压上升,就使调整管管压降也上升,于是输出电压被压低,结果就使输出电压基本不变。在这个电路的基础上发展成很多变型电路或增加一些辅助电路,如用复合管作调整管,输出电压可调的电路,用运算放大器作比较放大的电路,以及增加辅助电源和过流保护电路等。
(3)开关型稳压电路.
近年来广泛应用的新型稳珏电源是开关型稳压电源。它的调整管工作在开关状态,本身功耗相小,所以有效率高、体积小等优点,但电路比较复杂。开关稳压电源从原理上分有很多种。它的基本原理框图见图4(d)。图中电感L和电容C是储能和滤波元件,二极管VD是调整管在关断状态时为L、C提供电流通路的续流二极管。开关稳压电源的开关都很高,一般为几~几十千赫,所以电感器的体积不很大,输出电压中的高次谐波也不多。它的基本工作原理是:从取样电路(R3、R4)中检测出取样电压经比较放大后去控制一个矩形波发生器。矩形波发生器的输出脉冲是控制调整管(VT)的导通和截止时间的。如果输出电压U。因为电网电压或负载电流的变动而降低,就会使矩形波发生器的输出脉冲变宽,于是调整管导通时间增大,使L、C储能电路得到更多的能量,结果是使输出电压U。被提升,达到了稳定输出电压的目的。
(4)集成化稳压电路
近年来已有大量集成稳压器产品问世,品种很多,结构也各不相同。目前用得较多的有三端集成稳压器,有输出正电压的CW7800系列和输出负电压的CW7900系列等产品。输出电流从0.1A一3A,输出电压有5V、6V、9V、12V、l5V、18V、24V等多种。这种集成稳压器只有三个端子,稳压电路的所有部分包括大功率调整管以及保护电路等都已集成在芯片内。使用时只要加上散热片后接到整流滤波电路后面就行了。外围元件少,稳压精度高,工作可靠,—般不需调试。图4(c)是——个三端稳压器电路。图中C是主滤波电容,Cl、C2是消除寄生振荡的电容,VD是为防止输入短路烧坏集成块而使用的保护二极管。

五、电源电路读图要点和举例电源电路是电子电路中比较简单然而却是应用最广的电路。拿到—张电源电路图时,应该:1.先按“整流一滤波一稳压”的次序把整个电源。电路分解开来,逐级细细分析。2.逐级分析时要分清主电路相辅助电路、主要元件和次要元件,弄清它们的作用和参数要求等。例如开关稳压电源中,电感电容和续流二极管就是它的关键元件。3.因为有NPN和型两类,某些要求双电源供电,所以一个电源电路往往包括有不同极性不同电压值和好几组输出。读图时必须分清各组输出电压的数值和极性。在组装和维修时也要仔细分清晶体管和电解电容的极性,防止出错。4.熟悉某些习惯画法和简化画法。5.最后把整个电源电路从前到后全面综合贯通起来。这张电源电路图也就读懂了。
例l 电热毯控温电路图5是一个电热毯电路。开关在“1”的位置是低温档。220伏市电经二极管后接到电热毯,因为是半波整流,电热毯两端所加的是约l00伏的脉动直流电,发热不高,所以是保温或低温状态。开关扳到“2”的位置,220伏市电直接接到电热毯上,所以是高温档
例2 高压电子灭蚊蝇器图6是利用倍压整流原理得到小电流直流高压电的灭蚊蝇器。220伏交流经过四倍压整流后输出电压可达1100伏,把这个直流高压加到平行的金属丝网上。网下放诱饵,当苍蝇停在网上时造成短路,电容器上的高压通过苍蝇身体放电把蝇击毙。苍蝇尸体落下后,电容器又被充电,电网又恢复高压;这个高压电网电流很小,因此对人无害。由于昆虫夜间有趋光性,因此如在这电网后面放一个3瓦荧光灯或小型黑光灯,就可以诱杀蚊虫和有害昆虫。
例3 实用稳压电源图7是一个实用的稳压电源。输出电压3~9伏可调,输出电流最大100毫安。这个电路就是串联型稳压电源电路。要注意的是;①整流桥的画法和图2(c)不同,实际上它就是桥式整流电路。②这个电路使用PNP型锗管,所以输出是负电压,正极接地。③用两个普通二极管代替稳压管。任何二极管的正向压降都是基本不变的,因此可用二极管代替稳压管。2AP型二极管的正向压降约是0.3伏,2CP型约是0.7伏,2CZ型约是l伏。图中用了两个2CZ二极管作基准电压。④取样是一个电位器,所以输出电压是可调的。