

共模信号的作用,对两管的作用是同向的,将引起两管电流同量的增加,集电极电位也同量减小,因此两管集电极输出共模电压Uoc为零。因此:
。

此时的两管基极的信号为:![]()
所以:
,由此我们可以看出差动电路的差模电压放大倍数等于单管电压的放大倍数。
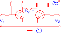
| 基本差动电路存在如下问题: 电路难于绝对对称,因此输出仍然存在零漂;管子没有采取消除零漂的措施,有时会使电路失去放大能力;它要对地输出,此时的零漂与单管放大电路一样。 为此我们要学习另一种差动放大电路------长尾式差动放大电路 | |
| 2:长尾式差动放大电路 它又被称为射极耦合差动放大电路,如右图所示:图中的两个管子通过射极Re和Uee耦合。 下面我们来学习它的一些指标 |
|
| (1)静态工作点 静态时,输入短路,由于流过Re的电流为IE1和IE2之和,且电路对称,IE1=IE2, 因此: ![]() | |
| (2)对共模信号的抑制作用 在这里我们只学习共模信号对长尾电路中的Re的作用。由于是同向变化的,因此流过Re的共模信号电流是Ie1+Ie2=2Ie,对每一管来说,可视为在射极接入为2Re。 它的共模放大倍数为: 由此式我们可以看出Re的接入,使每管的共模放大倍数下降了很多(对零漂具有很强的抑制作用) | |
| (3)对差模信号的放大作用 差模信号引起两管电流的反向变化(一管电流上升,一管电流下降),流过射极电阻Re的差模电流为Ie1-Ie2,由于电路对称,所以流过Re的差模电流为零,Re上的差模信号电压也为零,因此射极视为地电位,此处“地”称为“虚地”。因此差模信号时,Re不产生影响。 由于Re对差模信号不产生影响,故双端输出的差模放大倍数仍为单管放大倍数: | |
| (4)共模抑制比(CMRR) 我们一般用共模抑制比来衡量差动放大电路性能的优劣。CMRR定义如下: 它的值越大,表明电路对共模信号的抑制能力越好。 有时还用对数的形式表示共模抑制比,即: | |
|
=48dB,
| |
| 则输出电压为: | |
| 三:集成运放的组成 |
| |
| 它由四部分组成: 1、偏置电路; | ||
| 2、输入级:为了抑制零漂,采用差动放大电路 | ||
| 3、中间级:为了提高放大倍数,一般采用有源的共射放大电路。 | ||
| 4、输出级:为了提高电路驱动负载的能力,一般采用互补对称输出级电路 | ||
| 四:集成运放的性能指标 | ||
| 1、开环差模电压放大倍数 Aod 它是指集成运放在无外加反馈回路的情况下的差模电压的放大倍数。 | ||
| 2、最大输出电压 Uop-p 它是指一定电压下,集成运放的最大不输出电压的峰--峰值。 3、差模输入电阻rid 它的大小反映了集成运放输入端向差模输入信号源索取电流的大小。要求它愈大愈好。 | ||
| 4、输出电阻 rO 它的大小反映了集成运放在小信号输出时的负载能力。 | ||
| 5、共模抑制比 CMRR 它放映了集成运放对共模输入信号的抑制能力,其定义同差动放大电路。CMRR越大越好。 | ||
| 五:低频等效电路 | ||||||||||
| 在电路中集成运放作为一个完整的独立的器件来对待。于是在分析、计算时我们用等效电路来代替集成运放。 由于集成运放主要用于不高的场合,因此我们只学习低频率时的等效电路。 | ||||||||||
| 右图所示为集成运放的符号,它有两个输入端和一个输出端。 其中:标有 |
| |||||||||
|
一般我们是把集成运放视为理想的(将集成运放的各项技术指标理想化)
| ||||||||||
| 七:集成运放工作在线性区的特性 | ||||||||||
| 当集成运放工作在线性放大区时的条件是: (1) 注:(1)即:同相输入端与反相输入端的电位相等,但不是短路。我们把满足这个条件称为\"虚短\" (2)即:理想运放的输入电阻为 | ||||||||||
| 八:集成运放工作在非线性工作区 | ||||||||||
| 当集成运放工作在非线性区时的条件是:集成运放在非线性工作区内一般是开环运用或加正反馈。它的输入输出关系是: 它的输出电压有两种形态:(1)当 它的输入电流仍为零(因为 | ||||||||||
| 集成运放工作在不同区域时,近似条件不同,我们在分析集成运放时,应先判断它工作在什麽区域,然后再用上述公式对集成运放进行分析、计算。 | ||||||||||
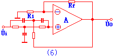
| 九:比例运算电路 | |
|
(1)反向比例电路 | |
| 输入信号加入反相输入端,电路如图(1)所示: | |
|
, |
|
| 从上式我们可以看出:Uo与Ui是比例关系,改变比例系数 | |
|
(2)输入电阻低:ri=R1.因此对输入信号的负载能力有一定的要求. | |
|
(虚短但不是虚地); | |
|
所以: 同相比例电路的特点: |
|
|
(电路的共模输入信号高),因此集成运放的共模抑制比要求高 | |
|
| |
| 由此我们可以看出它实际完成的是:对输入两信号的差运算。 | |
| 十 :和、差电路 | |
| (1)反相求和电路 |
|
| 它的电路图如图(1)所示:(输入端的个数可根据需要进行调整)其中电阻R'为: | |
| 它的输出电压与输入电压的关系为: 它可以模拟方程: | |
| (2)同相求和电路 |
|
| 它的电路图如图(2)所示:(输入端的个数可根据需要进行调整) | |
| 它的输出电压与输入电压的关系为: | |
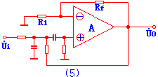
| (3)和差电路 |
|
| 它的电路图如图(3)所示: 此电路的功能是对Ui1、Ui2进行反相求和,对Ui3、Ui4进行同相求和,然后进行的叠加即得和差结果。 | |
| 它的输入输出电压的关系是: 由于该电路用一只集成运放,它的电阻计算和电路调整均不方便,因此我们常用二级集成运放组成和差电路。它的电路图如图(4)所示 | |
| 它的输入输出电压的关系是: 它的后级对前级没有影响(采用的是理想的集成运放),它的计算十分方便。 |
![]() |
| 十一:积分电路和微分电路 | |
| (1)积分电路 它可实现积分运算及产生三角波形等。积分运算是:输出电压与输入电压呈积分关系。它的电路图如图(1)所示:它是利用的充放电来实现积分运算 |
|
| 它的输入、输出电压的关系为: | |
| 如果电路输入的电压波形是方形,则产生三角波形输出。 | |
| (2)微分电路 微分是积分的逆运算,它的输出电压与输入电压呈微分关系。电路图如图(2)所示: |
|
| 它的输入、输出电压的关系为: | |
| 十二:对数和指数运算电路 | |
|
| |
| 它的输入、输出电压的关系为: | |
| (2)指数运算电路 指数运算电路是对数运算的逆运算,将指数运算电路的二极管(三级管)与电阻R对换即可。电路图如(4)所示 |
![]() |
| 它的输入、输出电压的关系为: 利用对数和指数运算以及比例,和差运算电路,可组成乘法或除法运算电路和其它非线性运算电路 | |
| 十三:电路的基础知识 | |||
| 滤波电路的作用:允许规定范围内的信号通过;而使规定范围之外的信号不能通过。 滤波电路的分类:(按工作频率的不同) 低通:允许低频率的信号通过,将高频信号衰减。 高通:允许高频信号通过,将低频信号衰减。 带通滤波器:允许一定频带范围内的信号通过,将此频带外的信号衰减。 带阻滤波器:阻止某一频带范围内的信号通过,而允许此频带以外的信号衰减。 我们在电路分析课程中已学习了,利用电阻、电容等无源器件构成的滤波电路,但它有很大的缺陷如:电路增益小;驱动负载能力差等。为此我们要学习有源滤波电路。 | |||
| 十四:有源滤波电路 (1)低通滤波电路 它的电路图如图(1)所示:(我们以无源滤波网络RC接至集成运放的同相输入端为例) |
| ||
|
|
| ||
| 其中:Aup为通带电压放大被数, | |||
| 对于低有源滤波电路,我们可以通过改变电阻Rf和R1的阻值来调节通带电压的放大被数。 | |||
|
| |||
![]() | |||
| 其中: | |||
|
| |||
| 十五:电压比较器的基础知识 电压比较器的功能:比较两个电压的大小(用输出电压的高或低,表示两个输入电压的大小关系) 电压比较器的作用:它可用作模拟电路和数字电路的接口,还可以用作波形产生和变换电路等。 注:电压比较器中的集成运放通常工作在非线性区。及满足如下关系:
| |||
| 简单电压比较器 我们把参考电压和输入信号分别接至集成运放的同相和反相输入端,就组成了简单的电压比较器。如图(1)、(2)所示:
| |||
| 下面我们对它们进行分析一下(只对图(1)所示的电路进行分析) 它的传输特性如图(3)所示: 它表明:输入电压从低逐渐升高经过UR时,uo将从高电平变为低电平。相反,当输入电压从高逐渐到低时,uo将从低电平变为高电平。 |
![]() |
||
| 阈值电压:我们将比较器的输出电压从一个电平跳变到另一个电平时对应的输入电压的值。它还被称为门限电压。简称为:阈值。用符号UTH表示。 利用简单电压比较器可将正弦波变为同频率的方波或矩形波。 例:电路如(1)所示,输入电压为正弦波如图(4)所示,试画出输出波形
| |||
| 简单的电压比较器结构简单,灵敏多高,但是抗干能力差,因此我们就要对它进行改进。改进后的电压比较器有:滞回比较器和窗口比较器。在此对它们不作要求。 | |||
| 我们前面学习的比较器都是用集成运放构成的,它存在着一定的缺点。我们一般用集成电压比较器来代替它。集成电压比较器的固有特点是: 可直接驱动TTL等器件; 它的响应速度比同等价格集成运放构成比较器快; 为提高速度,集成电压比较器内部电路的输入级工作电流较大。 | |||
























