| 一、偏置 |
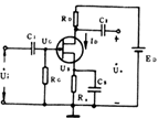
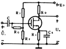
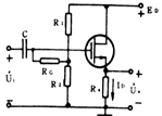
| 有自生偏置和混合偏置两种方法,表1电路I利用漏极电ID通过Rs所产生的IdRs作为生偏置,即Ugs=-IdRso可以稳定工作点。|IdRs|越大,稳定性能越好,但过负的偏置电压,会使管子进入夹断而不能工作。若采用如表2和表3混合偏置电路就可以克服上述缺陷。它们是由自生偏压和外加偏置组成的混合偏置,由于外加偏压EdRp(Rp为分压系数)提高了栅极电位,以便于选用更大的IdRs来稳定工作点,电路2、3中Rg的作用是提高电路输入 |
| 二、图解法 |
| 用图解法求电路的静态工作点如下: |
| 表一 | 常用场效应管放大电路 | ||||||||||||||||
| |||||||||||||||||
| (1)写出直流线的方程为:Uds=Ed-Id(Rd+Rs)=15-3.2Id 令ID=0,则UDS=15伏,在横坐标上标出N点,又令UDS=0,得ID=4.7毫安,在纵坐标上标出M点,将M、连接成直线,则MN就是直流负载线。 (2)画栅漏特性(转移特性):根据负载线与各条漏极特性曲线的交点坐标,画出如下图B左边所示的ID=f(UGS)曲线称为栅漏特性。 (3)通过栅漏特性坐标原点作Tga=1/Rs的栅极回路负载线,它与栅漏特性相交于Q,再过Q点作横轴平行线,与栅漏负载线相交于Q'。由静态工作点Q和Q'读出:IDQ=2.5毫安,UGSQ=-3伏,UDSG=7伏,表1中的图解法与此相同。 |
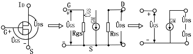
| 三、等效电路分析法 |
| 场效应管的微变等电路示于下图,由场效应管放大电路写成等效电路的具体例子可参阅表一。根据等到效电路求电压放大倍数及输入,输出的方法与电路相同。 |
![]() |









