| 一、正反馈与负反馈 |
| 从放大器的输出端把某些量送回输入端去,称为反馈。若反馈量与输入量的相同,且加入反馈后使放大倍数增加的称为正反馈;若反馈量与输入量的相位相反,其反馈用于产生振荡,负反馈用于改善放大器的性能。 |
| 二、反馈方式与反馈效果 |
| 反馈效果与反馈量的性质和方式是密切相关的,若负反馈量与输出成正比,其反馈效果能使输出电压稳定,输出减小,称为电压负反馈;如果负反馈量与输出成正比,其反馈效果能使输出电流稳定,输出增加,则称为电流反馈。 按反馈量在输入端的接入形式划分为串联反馈和并联反馈。串联反馈的反馈量以串联形式串接于输入回路,并联反馈的反馈量以并联莆式并接于输入回路,串联负反馈能增加输入,而并联负反馈却减小输入电阻。 |
| 三、反馈的判别方法 |
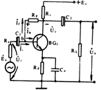
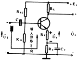
| 正反馈还是负反馈用瞬间极性法判别,先假定输入信号某一瞬时极性然后按单级共射极放大器输入与输出的原理逐级推出各输入、输出端的瞬时极性,最后看反馈到输入端的反馈量的极性与最初输入信号的假定极性:若两者极性相同,则为正反馈,若两者极性相反则为负反馈。 电压反馈还是电流反馈 用假想输出端交流短路法判别。把输出端效流短路后,若反馈量消失,则为电压反馈,若仍然有反馈量,则为电流反馈, 串联反馈还是并联反馈 考察输入回路的联接方式进行判别。反馈量与输入信号若是电压相加,则为串联反馈,若是电流相加,则为并联反馈。 四种形式负反馈电路列于表一,它们的有关计算公式列于表二 |
| 表一、三种形式的反馈 |
|
| 表二、四种形式负反馈的参数计算 |
| ||||||||||||||||






