●
品书香
>
电子设备技术
>
电器电路基础
>
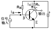
三极管的放大功能
从电台、等来源的信号是非常微弱的,都需要放大百、千或万倍以上才能显示出来(可听、可看、可控制其他机械)。只要三极管
极加输入信号,在
极间就可得出数十倍到数百倍的放大,而电流放大系数就是Hfe 。
三极管的电流放大系数
NPN
NPN三极管偏压方法
PNP三极管偏压方法
上一篇:
二极管特性
下一篇:
欧姆定律
热点内容
·
二分之一桥自然零电压开关
·
电子二极管和辉光稳压管
·
电磁炉的原理与维修
·
ODAC及其作用介绍
·
可靠的数据流传输TCP
·
液晶显示器的优缺点
·
展宽通频带
·
几款CKC3/CKC4系列交流高
·
USB 2.0与 USB 3.0功能特
·
继电保护