在很多的电子中,为了减少后级电路对前级电路的影响和有些前级电路的输出要求有较强的带能力(即要求输出较低)时,要用到缓冲电路,从而达到增强电路的带负载能力和前后级,射随器就是一种达到上述功能的缓冲电路。
晶体管射随电路实际上是晶体管共发电路,它是晶体三极管三大电路形式之一.
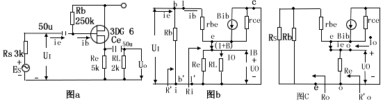
| 射极跟随器(又称射极输出器,简称射随器或跟随器)是一种共集接法的电路见下图,它从基极输入信号,从射极输出信号。它具有高、低输出阻抗、输入信号与输出信号相同的特点 |
 |
|
一、射随器的主要指标及其计算 |
|
一、输入阻抗 从上图(b)电路中,从1、1`端往右边看的输入阻抗为:Ri=Ui/Ib=rbe+(1+β)ReL 式中:ReL=Re//RL,rbe是晶体管的输入,对低频小功率管其值为:rbe=300+(1+β)(26毫伏)/(Ie毫伏) 在上图(b)电路中,若从b、b’端往右看的输入阻抗为Ri=Ui/Ii=Rb//Rio.由上式可见,射随器的输入阻抗要比一般共射极电路的输入阻抗rbe高(1+β)倍。 2、输出阻抗 将Es=0,从上图(C)的e、e'往式看的输出阻抗为:Ro=Uo/Ui=(rbe+Rsb)/(1+β),式中Rs=Rs//Rb, 若从输出端0、0’往左看的输出阻抗为Ro=Ro//Reo 3、放大倍数 根据上图(b)等效电路求得:Kv=Uo/Ui=(1+β)Rel/[Rbe+(1+β)Rel], 式中:Rel=Re//RL,当(1+β)Rel>>rbe时,Kv=1,通常Kv<1. 4、放大倍数 根据上图(b)等效电路求得:KI=Io/Ii=(1+β)RsbRe/(Rsb+Ri)(Re+RL) 式中:Rsb=Rs//Rb,Ri=rbc+(1+β)Relo 通常,射随器具有电流和功率放大作用。 |
| 二、射随器的实用电路 |
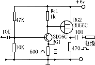
| 下图是高频放大器使用的一种电路,由同轴电缆把信号输出,电缆的特性阻抗一般为50欧或70欧,所以要通过跟随器BG2实现阻抗变换。 |
 |
|
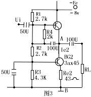
图2是一种自举式的跟随器,它的特点是: 1、自举 由于R3的下端电位随上端电位升曾而升高,故称为自兴举,自举作用使R3两端的交流压降为零。所以对交流来说,R3相当于开路,从而避免了偏置电路降低了输入阻抗的缺陷。 2、输入阻抗高 为了尽量地提高晶体管有效的输入阻抗,采用BG1和BG2组成复合管电路,这时β=β1β2,使总的输入阻抗大大提高。因为输入阻抗Ri=Rbe+(1+β)Reo 本电路的输入阻抗为2兆欧, |
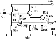
| 图3是串接式的跟随器,其特点是:(1)类似图2一样,R4两端交流电压具有自举作用;(2)BG2采用共基接法,使2具有恒流作用,A、B两点交流阻抗RAB大大也提高,从而提高了跟随器的输入阻抗。 |
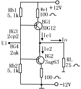
| 图4是互补式的跟随器,电路的特点是:(1)由于两只三极管轮流供给负载电流,所以每只管的功耗只为输出功率的(12-20)%左右,效率较高;(2)两只三极管都从射极输出,其输出阻抗基本上一样,所以输出波形正、负半波对称;(3)由于输入信号通过BG3或BG4耦合至三极管的基极,所以,对交、直流信号都可跟随。其跟随范围约为±5伏 |