在对降压进行参数计算前,必须要明确其应用场合和特点。许多应用降压的电路(小夜灯)主要关注输出,对输出要求不严格,所以没有。对输出电压要求比较严格地要加稳压。由电容降压电路组成的稳压稳压能力十分有限,并且对电网有一定的影响,所以只用在小功率,并且固定或者变化范围较小的电路中。下图为电容降压稳压电路。1N4733是稳压值为5.1V的稳压管。
较为严谨的计算。主要涉及三个元件的参数:降压电容,,负载。因为电容降压稳压电源一般输出电流较小,所以电容用几百微法,耐压值取输出直流电压的3~4倍即可。整流用1N4007~,在应用稳压二极管稳压时。一般是有一个限流与之一起工作,在这里降压电容已经限制了最大电流,所以不用限流。泄放主要是为了在较短时间内释放掉降压电容上的电荷。一般按下表取就可以了。
| 降压电容/uF | O.47 | O.68 | 1 | 1.5 | 2 |
| 泄放电阻 | 1MΩ | 750Ω | 510kΩ | 360kΩ | 220kΩ |

计算步骤:
①根据输出电压要求选择合适的稳压二极管;
②由输出直流电压和负载阻抗,确定负载需要的电流;
③负载所需电流和稳压管正常工作所需的相加,即为电路所需要的总电流;
④用降压电容上的压降除以总电流,得到相应的;
⑤选择容值最接近的电容。
容值小,容抗大提供不了足够的电流;容值大,容抗小,稳压管分担的电流多,功耗大。选择的稳压管最大反向电流要大于总电流,这样当负载断开时。稳压管才不至于烧坏。
根据负载要求,求出流过降压电容的电流lc:

降压电容上的交流压降Uc等于输入电压减去上图上节点4的交流压降。节点4的交流压降用U负载表示。根据稳压电源整流滤波电路的相关知识可以得到:

求出容值:

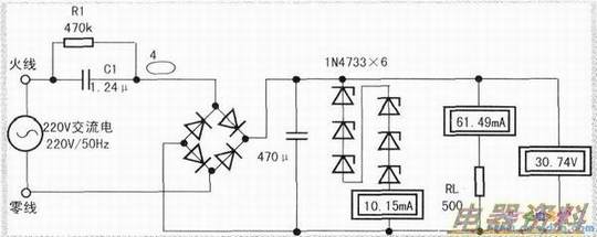
上图所示电路,6个1N4733稳压管串联,提供30.6V的直流稳压输出。负载电阻RL为500欧姆,即负载电流61mA。取15mA作为稳压管1N4733的反向工作电流。则总电流76mA因为是全波整流,所以流过降压电容的C1电流就是。76rnA。节点4上的交流电压为30.6/1.2=25.5V。C1上的电压就是220—25.5=194.5V,C1的容抗就应该等于194.5V/76mA。经计算,C1容值应该为1.24μF。上图的仿真结果与理论计算基本吻合。