(1)LC振荡电路:它适用于几十千赫至几百兆赫的(高频率和超高频)
(2)RC振荡电路:适用于声频和超声频范围(从几赫至1赫)
(3)晶体振荡电路:用于生产频率稳定度较高的振荡电路,频率低于3千赫时常用音叉振荡电路代替,而频率高于几十兆赫时常用泛音晶体振荡电路,随着集成化技术的发展,已有多种晶体的,如国产的ZWB-1和ZWB-2型等。
和振幅平衡条件:
反馈式的振荡电路主要是由基本放大器和反馈网络组成,如图91所示,因此,振荡电路实际上是一个闭环的正反馈电路,其闭环增益为:
| Kf=Uf/Ui=KF= |
| 要使电路产生振荡,则必须反馈Uf和输入电压Ui,所以本位平衡条件为 Φk+Φf=2nπ------------------------------------式一 (n=0,1,2,........ 而且,要求|Uf|≥|Ui|,所以振幅平衡条件为: KF≥1-----------------------------------------式二 如果满足了这两个平衡条件,则电路产生振荡,由于振荡器的工作在非线性区域,所以包含了丰富的谐波成分,而只有某一频率才能满足上述的两个平衡条件,从而产生了单一频率的正弦振荡。 |
![]() 图1 |
![]() ![]() 图2 |
| 一、反馈式振荡电路 |
| 图2(a)为变压器反馈振荡电路,其正反馈过程是:若输入Ui为上正下负,对于振荡频率,回路谐振的并联为性,所以输出电压Uo与Ui,即Uo为上负下正,由于同名端决定了Uf为上正下负,Uf正好与Ui同相,只要晶体管的β足够大和变压器的匝数比合适,电路一定能够振荡,还可以证明电路的起振条件和振荡频率分别为: β≥rbeRC/M------------------------式3 f≈1/2π 式中:rbe为基极与射极度之间的交流等效,R为次级折算到初级的等效,M为系数。 |
| 二、三点式振荡电路 |
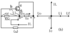
| 1、三点式电路相位条件的判别法 图3(a)为三点式振荡器的交流等效电路,从相平衡条件可以推论出:凡与晶体管发射极相接的电抗Xbe、Xce应性质相同,而不与发射极连接的另一电抗元件,Xcb的性质应与前两者相反。 可以从图来检查上述结论的正确性,设Xbe、Xce为容性,Xcb为感性;因振荡时回路谐振于振荡频率,回路呈电阻性:所以Uo、Ui反相及、IL反相;又因Xbe、Xce为容性,故IC比UO超前90度。因Xcb为感性,所以Uf比IL滞后90度,其相量图如图3(b)示,从图可见,Uf与Ui同相,上述结果得到证明。 |
![]() 图3 |
![]() ![]() 图4 |
| 2、三点振荡电路(考毕兹电路) 图4(a)为三点振荡电路及其交流等效电路,从图4(b)看出,与发射极相接为,集电极与基极之间接,服从于共射三点振荡电路对电抗性的要求,故能振荡,该电路的起振条件和振荡频率为: β≥C2/C1----------------------------------式5 |
| f≈-(1)/ |
| 一般反馈系数F=C1/C2取0.5-0.01之间,由于该电路的输入端接电容,而又随频率增加而减小,所以输入电压中的高次谐波分量将明显地受到抑制,使输出波形良好,该电路的缺点是:用调节电容来改变频率时,会使反馈系数改变,所以通常用改进型的电容三点振荡电路。 |





