最理想的射頻接地系統,是把電台架設在鹹水面上,以泡在此水面下的金屬板為接地。在海面上的移動台,與此條件就相去不遠。然而大部份陸地上的電台都不能夠達到如此境界。尤其是在高樓大廈的公寓內設置電台,要有理想的射頻接地系統更是難。就算是你電台在獨棟房的一樓,離接地處只有幾公尺,它只能保證你可以有很好的電力接地系統,提供電力接地的安全,但也不見得會有理想的射頻接地系統。
例如,你也許會認為利用一公尺左右的導線接往2.5公尺長的妥當接地樁,是一很理想的接地系統。但是2.5公尺長大約是10公尺波段的四分之一波長,所以不管你接地系統有多好,從發射機端看去,如果工作波段是10公尺,那是一個特性很高的端點。所以從射頻觀點,這是一個很糟糕的接地系統。自然發射機也就處在無接地狀態,變成是熱(HOT)狀態,你可能因而隨時射頻觸電。假如你的嘴唇碰及麥克風,或手等身體部份觸及收發機,而有發麻的感覺,那肯定是被此〞熱〞態修理了。必須採取改善措施。
介於收發機接地端子與接地系統之間的任何長度導線,總會有阻抗存在。這會影響到射頻接地,而接地系統又是天線系統的一部份,所以接地系統的阻抗會降低天線系統的效率。
比較好的接地系統
為了解決上述問睿憧梢蕴峁┮粋?低阻抗環境給收發機的接地端子。如何做呢?除了良好的電力接地系統外,並連一段四分之一波長(工作頻率)的導線,並且另一端保持開路,不接到任何物体上。此段導線可以蛇行放在地板上,或延牆存放,由於是四分之一波長,所以不接任何物體的遠端阻抗特性為無窮大,反應到收發機的接地端子,阻抗特性就很低,理論上,阻抗為零。這也就是最理想的射頻接地系統了。也就是說一條四分之一波長導線可以提供最理想的射頻接地系統。但是我們的工作頻率通常是隨意變換的,如果要保持理想的射頻接地系統,那此條導線豈不是要隨時替換?
碰到的不只上述問睿保肮卟ǘ蔚乃姆种徊ㄩL只有2.5公尺,那要是160公尺波段,長度就要40公尺,這就有點不好處理了,加上前面提過的頻率變更時,導線長度的調整問睿@些問疃家绾谓鉀Q?對應到天線去的話,馬上就有了答案。一只天線不是可以藉著調諧器而適用在好幾個波段嗎?對了,那就是射頻接地系統調諧器。
人工射頻接地系統
想法有了,為了提供好的射頻接地系統,我要一個人工射頻接地系統,這是我為了上述兩大問钕氤鰜淼慕鉀Q辨法,為了印証這個想法,我首先拿一部天線調諧器試用,果然機殼會觸電的現像馬上消失,這就讓人信心大增,繼續發展下去。我的收發機雖說是高頻全波段,環境加上法規的限制,我想大多數人都跟我一樣。常用的波段不外是10、15、20、及40公尺波段,頂多再加個80公尺波段。我電台的設置地點是二樓,電力接地系統則設在一樓廚房旁,相隔約10公尺左右。
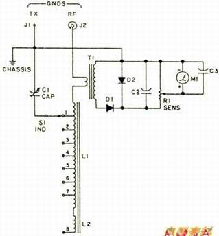
如圖1所示,是此人工接地系統的線路。以C1、L1、及L2串列組成,它是接在收發機的接地端子與條一小段導線之間。當然的收發機接地端子是接妥在電力接地系統的,這是為了安全理由,與射頻接地系統無關。此線路可以在40公尺到10公尺波段內使用。利用C1與L1環路之間設一變壓器T1,來取得流經此線路的電流,並且利用電錶M1監測。當此電錶的指針最大時,表示處於共振狀態,也就是相當於提供了四分之一波長的導線。所以發射機的接地端子有最佳的射頻接地系統。
工作原理
電容與電感串連而取得共振時,在該頻率有很低的阻抗。當發射機開火時,如果接地端子沒有好的射頻接地,射頻電流會流經C1、L1、L2,當與發射頻率產生共振時,電流最大。你可以利用開關S1來選擇不同的L1位置,以便取得與工作頻率共振的條件。
變壓器T1的初級,與C1及L1串接,因為此處可乙得到最大電流。初級取得的射頻電流,感應到次級,經由D1及D2檢波,C2濾波,並以R1電阻做靈敏度控制,把轉換成的直流電壓用電錶M1監測,誇接在電錶上的C3是用來去除射頻干擾的。所以M1可以用來間接反應線路的共振。此時,發射機的接地端子有很好的射頻接地。為了有最理想的射頻接地效果,J1與發射機接地端子之間的導線要保持最短距離。
因為串連線路在共振時有很低的阻抗特性,這個串聯線路由C1、L1、及L2組成,外接一小段導線,並且與J2形成一個環路,提供了很低的射頻接地阻抗,也就是提供了四分之一波長的電子長度。
製作
此線路應裝在金屬盒內,尺吋以14.0X7.5X5.0公分左右為宜。電容C1是一般接收機選台電容,其最大電容量是365pF,這裡的耐壓可以不必計較,因為串連線路是屬高電流低電壓,所以在這方面不會是問睢#停彪婂l也沒有什麼特別要求,小型電錶滿刻度是100或200uA都可以。
操作
線路上的J1端子與發射機上的接地端子間的導線,盡量保持最短距離。當然發射機的接地端子也要與電力接地系統接妥。然後在J2上接一長約4公尺左右的導線,注意J2所接的導線另一端要保持開路,不要去觸及任何物体,更不要在上機工作時讓人觸及,最好用膠帶包好裸露部份。因為發射機工作時,此導線端點是電壓點,也就是有射頻高壓。
選好你想工作的波段後,先不要全功率發射,輸出功率以5到20瓦為宜,然後發射,調整C1,試著不同的S1位置,直到找著M1讀數最大才停止。如果M1指針超過滿刻度,可以調R1,使指針回到刻度內。
所有業餘無線電台設置情況都不一樣,所以很難說應該把握什麼原則要領,只能自己試過之後,才能了解大慨情形。像我的電台在40公尺波段時,S1的位置在8,更高頻率波段則往上切換,這樣可以提供更低的電感。如果你在10公尺波段把C1及L1都設在最低位置,在M1卻得不到最大讀數,則可以把J2後頭的導線切短一些再試看看。如果碰到類似情況,在40公尺波段上,C1及L1最大位置上也找不到共振點,那就須要延長J2上的導線。順便一提的是,如果你想適用於80公尺波段,同樣地,只須延長J2上的導線。不過話說回來,高頻波段內最須要射頻接地系統的是,介於10公尺到40公尺波段。因為像是80公尺波段或160公尺波段,天線本身就夠長了,而且因為波長拉長了,所以電台的電力接地系統本身就可以提供良好的射頻接地了。
當你得到最高的M1讀數時,裝此部線路得機殼本身就幾乎是射頻接地。如果J1與發射機接地端子之間的導線夠短的話,那就是更理想的接地。
也許你會在某些波段頻率上,M1得不到最大讀數,甚至指針都不動。那恭喜你,因為你系統本身已經有很好的射頻接地系統了。
小心事項
雖然J1及發射機接地端子都已經處在電力接地系統了。但是這對某些頻率而言可能並不是射頻接地。尤其是在做調整時,如果手碰機殼,雖然沒有安全顧慮,但會影響M1的讀數。
值得試看看
使用人工接地系統,不但取悅了發射機,還可以避免TVI等問睢I漕l干擾並不是都由諧波造成的,幸運的話,你也許可以一舉解決多年的TVI問睢S绕涫亲≡诠⒒虼髽堑呐笥眩赡芤驗椋裕郑啥づ従樱蚯嗖仄瘥溈孙L,這都不是好結局。以往樓頂的電視天線總會因為操作電台而稍受干擾,比較嚴重的是電話線,使用中的電話筒裡,會傳出像是用AM模式收聽SSB訊號的聲,而且還很大。但是自從使用此人工射頻接地系統後,這些問疃枷ъ稛o形了。
表2:圖2線路內的零件
|
零 件 |
說 明 |
零 件 |
說 明 |
|
C1?/TD> |
365pF可變電容?/TD> |
C2、C3 |
.01或.02陶磁電容 |
|
D1、D2 |
N914或IN4148矽二極体?/TD> |
J1、J2 |
M型座,注意J2與機殼絕緣 |
|
L1 |
26號漆包線,繞36圈.分別在第4,8,12,16,20,24及28圈抽頭 |
L2 |
22號漆包線繞13圈 |
|
M1 |
100或200uA小型電流錶 |
R1 |
10K歐姆A型(線性)可變電阻 |
|
T1 |
初級1到3圈,次級36圈,使用26號漆包線 |
圖說明:
圖1:人工射頻接地系統線路。