集成电路单元电路的设计


  运算放大器可以说是万能的模拟放大器。由它构成的各种基本,最适合进行积木式电路设计。例如音频用的混音放大器,可利用加法电路将输入信号加以混合:如将R、L声道信号引入减法电路。可削弱位人声而留下伴奏音乐,用于卡拉OK;将R、L声道的降低并分别与L、R声道相加。可作成模拟环绕声电路等。下面介绍各单元电路:

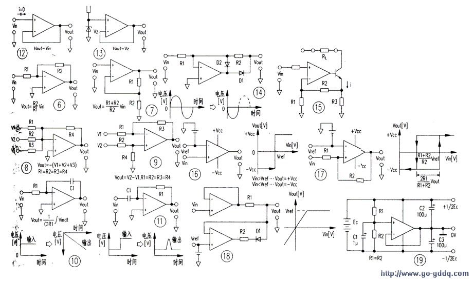
  1.放大器电路如图6.输入信号被反相放大后输出。

 

  2.同相放大器电路如图7。输入信号被放大并与输出信号同。

    3.加法器电路如图8.运放接成反相放大器,多路输入信号被相加、反相后输出。

  4.减法器电路如图9,两路输入信号相减。

  5.积分电路电路如图10,输入信号被积分,C1为积分。

  6.微分电路电路如图11。把输入信号微分,从而检出输入信号的突变部分。

   7.电路如图12,几乎没有输入,输出等于输入电压。

  8.基准电路电路如图13,输出电压等于输入端的稳压值。

    9.理想电路电路如图14。可以消除二极管的正向压降,用于信号检测。

  10.恒流电路电路如图15,恒流输出电路,用于电流检测。

  11.比较电路电路如图16。将输入电压与基准电压进行比较,比较结果以输出端的高电平或低电平来表示。

  12.具有滞后的比较器电路如图17,ON/OFF具有滞后效应。

  13.限幅电路电路如图18。将输出电压限制为Vref,如果改变二极管D1的方向,就变成下限幅电路。

  14.单变双电源电路电路如图19,可以将单电源变成双电源。但单方向电压值减半。如需提供较大电流。可选用大功率,如TDA2030、LMl875等。