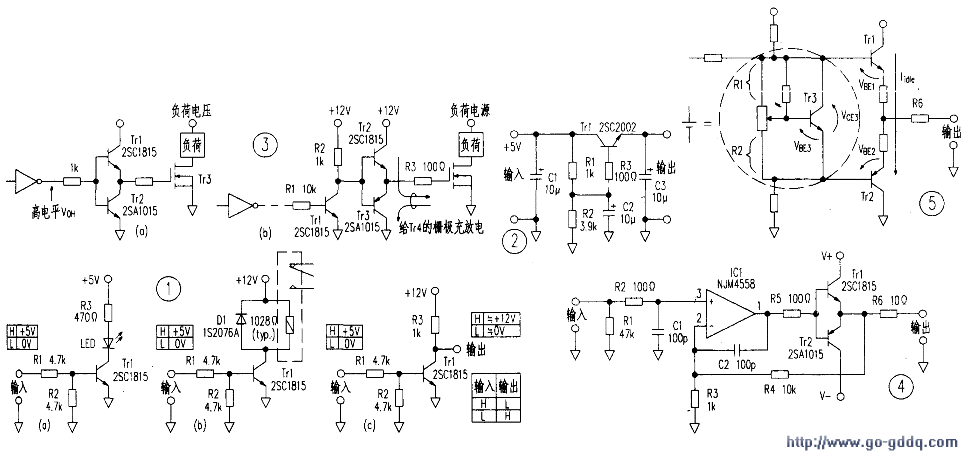
1.驱动
电路如图1a.这是一个开、关LED驱动的电路,输入小的控制信号,就可以开、关大的电流。这个电路也可以用来驱动或压电片,如图1b。由于继电器线圈是。在关断时会产生高的反,故要在其线圈上并联。以保护不被。这个晶体管如使用管芯内已含有(R1、R2)的带阻晶体管。则电路更简单。
2.器、变换器
电路如图1C,当负载为时,可以把0~5V的逻揖电平输入转换为12~0V的输出电平,使逻辑反转:除了用于前后电路的电平匹配外,也用于需要输出与输入反相的场合。不过此电路不适合高速电路。
3.简易电路
图2是一个简易变换电路。输出电压取决于输入电压被R1、R2的分压。改变R2与R1的比值。就可获得需要的输出电压。当然输入电压应由稳压提供。此电路的一个优点是输出低,如果取消图中的R2,电路就是一个有源,常用于需要降低纹波电压的电源电路中。
4.MOSFET驱动电路
图3a是功率MOSFET驱动电路,用于开、关流过负载的电流。缓冲级用特性完全相同、但极性不同的NPN和晶体管构成互补单端推挽电路(SEPP电路)。给MOSFET管的栅极提供足够幅度的驱动电压。驱动电压的高低与SEPP的供电电压无关,只取决于SEPP电路的输入电压。注意缓冲级不能和前级直接连接,需串入1kΩ。图3b是提高驱动电压的电路。
在缓冲级前增加了一级电平变换器,将通用的逻揖电平提高到12V。
5.缓冲放大器
图4是用运放增强输出电流的缓冲电路。相对于驱动电路的开关工作状态,运放的输出是连续的。当运放的输入电压较低时。晶体管就不导通。输出波形就欠缺一部分。
产生。为此加入了负反馈以改善波形。C2为防止振荡的补偿:电阻R6起防振和限流的双重作用。此电路适用于需用AC信号驱动的湿度的驱动,或是用于报警器、通信机等放大声音的电路。
图5是克服上述失真的电路。利用晶体管Tr3给Trl和Tr2加上偏压,使其在两个方向上都无关断状态,输出空载电流Iidle,以减轻输出
这可调节R1、R2的分压比来实现。该电路由于没有保护电略。当其输出短路时会有较大的短路电流。简单的方法是在输出端串入限流电阻R6。