本文将常用的功能工作点的分析方法进行整理,以供同行探讨和参考。
一、小信号放大电路中交流信号对工作点没有影响
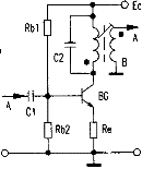
右图为分压偏置放大器,由于三极管工作点设置在线中间,交流小信号对的工作没有影响。所以在放大电路中,只能依靠判断发射极正偏、集电极反偏及交流信号是否正常来判断电路的工作情况。
二、工作正常时基极和发射极的电位会发生变化
左图所示为正弦波振荡电路,振荡器起振后,强烈的正反馈使晶体三极管进入开关状态,此时的晶体管基极和发射极电位会发生一些变化。这种变化与晶体管的工作点有关系:
1.若晶体管的工作点设置偏低(上图a), 正反馈信号(上图b)的正半波完全通过发射结,负半波部分不能通过发射结(上图c),使基极电位(Vb)的降低(上图 d)。同时由于交流信号负半波部分截止、正半波完全导通。使集电极()有效值增加。发射极电流(Ie)有效值增加。发射极电位(Ve)升高(上图e)。所以Ube=Vb—Ve降低。
2.若晶体管工作点设置偏高(中图 a),强烈的正反馈信号(中图b)的正半波完全通过发射结。负半波部分不能通过发射结(中图c),使基极电位(Vb)的有效值降低(中图d)。但交流信号正半波部分使三极管饱和、负半波导通。使集电极电流(Ic)有效值减小。发射极电流(Ie)有效值减小(Ie=Ib+Ic。且Ie》Ib),发射极电位(Ve)降低(中图e),所以U13e=Vb—Ve升高。
在维修振荡电路时,这种工作点的变化。常作为判断振荡器是否正常工作的重要依据。
三、CRT电视机行输出管基极电位的变化
下图为电视机行输出电路,行激励给基极提供脉冲,正半波大部分通过发射结,负半波完全截止。所以行输出管基极电位的有效值为负压。
并联式基极的电位与行输出管基极的电位一样,都为负压,这也是判断该电路正常工作与否的关键电压。
通过以上的举例分析,大家不难看出交流信号对晶体管工作点的影响。恰恰成为我们检修电路的重要参考,同时清晰地将原理分析进行整理。能够快速地帮助我们通过故障电路的测试锁定故障部位。


