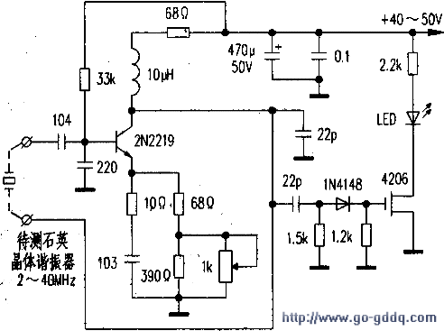
在石英晶体谐振器生产厂。常常将生产线上的石英晶体谐振器成品或者接入晶体振荡,进行历时约一秒钟的振荡测量。工序名称叫做清洗或者激活。这些振荡电路由、等组成。接入待测石英谐振器后组成石英晶体振荡电路。电路结构有多种形式。但全部采用较高的工作。一般是直流36V~60V之间。振荡电路工作后,在待测的石英晶体谐振器上产生很大的振荡。这样起到三个作用:
1.振荡引起的机械振动对晶体表面有清洗作用。将生产过程中附着在晶体表面的灰尘杂质抖掉。
2.对石英晶体谐振器的激活作用。使其在电路中更易起振并且稳定。
3.查出其中不起振的废品。下面将几种在工厂常用的石英晶体电路画出来。以供大家在今后设计晶体测量电路或者石英晶体振荡电路时参考。
上图为进口清洗机电原理图。其振荡范围宽,结实耐用,测试范围2~40M。但原机的初级为100V。使用不便。可换成初极220V次级30V的变压器。中图(>10MHz)、下图(<10MHz)在较高直流龟压下工作,振荡管均采用高频、高反压的中功率管。后两图可结合在一起,用开关进行高低频转换。做成一台可清洗各种频率点晶体的完整设备。

